Geltungsbereich
§ 2Allgemeine Begriffsbestimmungen
§ 3Allgemeine Anforderungen
§ 4Allgemeine Anforderungen an den Bau
§ 5Allgemeine Anforderungen an den Betrieb
§ 6Barrierefreiheit
§ 7Allgemeine Bestimmungen für Signale
§ 8Allgemeine Bestimmungen für die Instandhaltung
§ 9Fahrten von Unternehmen, die keine Eisenbahnverkehrsunternehmen sind
§ 10Ausnahmen
§ 11Begriffsbestimmungen
§ 12Spurweite
§ 13Entwurfselemente im Grundriss (Gleisbogen)
§ 14Längsneigung
§ 15Belastbarkeit des Oberbaus und der Bauwerke
§ 16Lichtraum
§ 17Gleisabstand
§ 18Schienengleiche Eisenbahnübergänge
§ 19Schienengleiche Kreuzungen von Schienenbahnen
§ 20Bahnsteige, Rampen
§ 21Kilo-/Hektometertafeln
§ 22Weichen, Flankenschutzeinrichtungen, Schutzweg
§ 23Technische Sicherung der Zugfolge
§ 24Zugbeeinflussung
§ 25Fernmeldeanlagen
§ 26Wiederkehrende Prüfungen von Betriebsanlagen – Überwachung von gefährdeten Stellen
§ 27Erforderliche Sichtweite auf ortsfeste Signale
§ 28Aufstellung von ortsfesten Signalen
§ 29Hauptsignal
Vorwort
Im Sinne dieser Verordnung gelten als
1. Bau: Neubauten, die Veränderung und die Instandhaltung von Eisenbahnanlagen und Schienenfahrzeugen.
2. Betrieb: die Gesamtheit aller Handlungen und Vorgänge, die der Beförderung von Personen und Gütern durch Bewegung der Schienenfahrzeuge dienen oder diese zumindest unmittelbar vorbereiten, sichern oder abschließen, einschließlich der Ausbildung der Betriebsbediensteten.
3. Verkehr: die Gesamtheit aller Handlungen und Vorgänge, die sich unmittelbar auf die Fahrgäste oder den Transportgegenstand beziehen, insbesondere hinsichtlich der Art der Beförderung durch das Transportmittel oder die Verladung.
4. Fahrbetrieb: das Einstellen und Sichern der Fahrwege, das Abfertigen, Begleiten und Führen der Züge sowie das Verschieben.
5. Betriebsbedienstete: Bedienstete, die ständig, vorübergehend oder vertretungsweise
a) im Fahrbetrieb (Fahrbedienstete) oder
b) bei der Steuerung und Überwachung des Betriebsablaufes oder
c) als Leitende oder Aufsichtsführende über Bedienstete gemäß lit. a und b
tätig sind.
6. Betriebsanlagen: alle unmittelbar dem Betrieb dienenden Anlagen, insbesondere die ortsfesten eisenbahntechnischen und eisenbahnsicherungstechnischen Einrichtungen für den Fahrbetrieb, einschließlich der Hilfsbauwerke und Anlagen, die den Zu- und Abgang sowie das Be- und Entladen ermöglichen. Mit einer Betriebsanlage können auch die Aufgaben anderer Betriebsanlagen verbunden sein.
(1) Betriebsanlagen und Schienenfahrzeuge müssen so beschaffen sein, dass sie den Anforderungen der Sicherheit und Ordnung genügen. Diese Anforderungen gelten als erfüllt, wenn die Betriebsanlagen und Schienenfahrzeuge den Bestimmungen dieser Verordnung und, soweit diese Verordnung keine ausdrücklichen Bestimmungen enthält, dem Stand der Technik, insbesondere harmonisierten Normen, entsprechen.
(2) Vom Stand der Technik darf abgewichen werden, wenn die Sicherheit und Ordnung auf andere Weise gewährleistet werden kann.
(1) Betriebsanlagen und Schienenfahrzeuge müssen so gebaut sein, dass ihr verkehrsüblicher Betrieb niemanden schädigt oder vermeidbar gefährdet. Sie müssen insbesondere so gebaut sein, dass
1. die im Betrieb auftretenden Beanspruchungen mechanischer, elektrischer und thermischer Art ohne Betriebsgefährdung aufgenommen werden können,
2. gefährdende Teile und Einrichtungen nicht unabsichtlich berührt werden können,
3. die Entstehung und Ausbreitung von Bränden durch vorbeugende Maßnahmen erschwert werden und im Brandfall die Möglichkeit zur Rettung von Personen sowie zur Brandbekämpfung besteht,
4. bei Gleichstrombahnen mit Energieübertragung über Fahrschienen nachteilige Wirkungen der Streustromkorrosion gering sind,
5. Bauteile und Einrichtungen gegen äußere Einwirkungen geschützt sind, soweit es für die Sicherheit und Ordnung des Betriebes erforderlich ist,
6. das Bestehenbleiben zu hoher Berührungsspannungen durch Schutzmaßnahmen verhindert wird und
7. durch elektrische Beeinflussungen die Betriebssicherheit nicht beeinträchtigt werden kann.
(2) Einrichtungen in Betriebsanlagen und Schienenfahrzeugen, die für die Benützung oder Betätigung durch Fahrgäste bestimmt sind, müssen gut erkennbar sowie leicht erreichbar und bedienbar sein. Ihre Handhabung muss leicht erfassbar sein. Fehlbedienungen dürfen zu keiner Betriebsgefährdung führen.
(3) Bei Betriebsanlagen und Schienenfahrzeugen müssen Maßnahmen getroffen sein, die eine vermeidbare Betriebsgefährdung als Folge unbefugten Betätigens verhindern.
(4) Ausfälle und Störungen von selbsttätig wirkenden Einrichtungen in Betriebsanlagen und Schienenfahrzeugen müssen besetzten Stellen in betriebsnotwendigem Umfang angezeigt werden.
(1) Bei der Ausübung des Netzzuganges haben Eisenbahnverkehrsunternehmen die vom jeweiligen Eisenbahninfrastrukturunternehmen festgelegten und im Rahmen des Vertrages über die Zuweisung von Zugtrassen zur Anwendung vorgeschriebenen Bestimmungen zu übernehmen.
(2) Es dürfen nur geeignete Betriebsbedienstete eingesetzt werden.
(3) Das Eisenbahnunternehmen hat die Zuständigkeiten der von ihm eingesetzten Betriebsbediensteten zu regeln.
(4) Eisenbahnunternehmen haben sicherzustellen, dass Betriebsbedienstete über die für ihre Tätigkeit erforderlichen Kenntnisse verfügen.
(5) Treten an Betriebsanlagen oder Schienenfahrzeugen während des Betriebes Mängel auf, die die Betriebssicherheit beeinträchtigen können, sind diese Betriebsanlagen oder Schienenfahrzeuge ganz oder teilweise außer Betrieb zu nehmen und erforderlichenfalls zu sichern.
(6) Unfälle und Störungen sowie sonstige den Betrieb gefährdende oder beeinträchtigende Umstände sind der zuständigen Betriebsstelle unverzüglich zu melden, sofern sie dieser nicht durch selbsttätige Einrichtungen angezeigt werden.
(7) Das Eisenbahnunternehmen hat durch betriebliche Vorkehrungen dafür zu sorgen, dass bei Unfällen und Bränden unverzüglich Hilfe geleistet wird und Betriebsstörungen zügig beseitigt werden.
Zu den allgemeinen baulichen und betrieblichen Anforderungen gehören auch Maßnahmen, welche
1. die Benützung der Betriebsanlagen und Schienenfahrzeuge barrierefrei im Sinne des Bundes-Behindertengleichstellungsgesetzes (BGStG) ermöglichen und
2. älteren oder gebrechlichen Personen, schwangeren Frauen, Kindern und Fahrgästen mit kleinen Kindern die Benützung der Betriebsanlagen und Schienenfahrzeuge barrierefrei ermöglichen oder erleichtern.
Einrichtungen für diese Personen sind durch Hinweise zu kennzeichnen.
(1) Signale sind in dem Umfang zu errichten und zu verwenden, den die Sicherheit und Ordnung sowie die betrieblichen Verhältnisse erfordern. Signale sind so anzuordnen und zu geben, dass sie rechtzeitig und eindeutig wahrgenommen werden können. Den Signalen am Fahrweg sind entsprechende Anzeigen einer Führerstandsignalisierung gleichwertig; sie dürfen die Signale am Fahrweg ersetzen.
(2) Signale werden in Form- und Lichtsignale, in hörbare und sichtbare Signale, sowie in Tag- und Nachtsignale unterschieden.
(3) Signale müssen den Formen, Farben und Klangarten der Anlage 5 entsprechen. Für das Aussehen der Signale ist die Beschreibung des Signalbildes maßgebend.
(4) Signale, die Aufträge optisch übermitteln, müssen rechtzeitig sichtbar und eindeutig erkennbar sein. Sie dürfen in ihrer Wirkung nicht beeinträchtigt werden und nicht Anlass zu Verwechslung geben. Nachtsignale sind zu verwenden, wenn Tagsignale nicht auf mindestens 100 m erkennbar sind.
(5) Ist ein Signal ausgefallen oder kann es nicht eindeutig wahrgenommen werden, ist die Bedeutung anzunehmen, die die größtmögliche Sicherheit gewährleistet.
(1) Die Instandhaltung der Betriebsanlagen und Schienenfahrzeuge umfasst Wartung, Inspektionen und Instandsetzungen; sie muss sich mindestens auf jene Teile erstrecken, deren Zustand die Betriebssicherheit und Verfügbarkeit beeinflussen kann.
(2) Art, Umfang und Häufigkeit der Wartung und der Inspektionen haben sich nach Bauart und Belastung der Betriebsanlagen und der Schienenfahrzeuge zu richten. Gefährdete Stellen sind so zu überwachen, dass Betriebsgefährdungen rechtzeitig erkannt und Gegenmaßnahmen getroffen werden können.
(3) Unbeschadet der vorgesehenen regelmäßigen Inspektionen sind Betriebsanlagen und Schienenfahrzeuge auch nach schweren Unfällen, bei denen Teile beschädigt worden sind, die die Betriebssicherheit beeinträchtigen können, einer Inspektion zu unterziehen.
(4) Über die Wartung und die Inspektionen sind Aufzeichnungen zu führen. Die Aufzeichnungen sind den für den Bau und die Instandhaltung wesentlichen Unterlagen beizugeben.
(5) Die Aufzeichnungen über die Wartung sind bis zur nächsten Inspektion, mindestens jedoch fünf Jahre, diejenigen über die Inspektionen mindestens bis zur Außerbetriebsetzung der Betriebsanlagen und Schienenfahrzeuge aufzubewahren.
Die für Eisenbahnverkehrsunternehmen geltenden Bestimmungen dieser Verordnung sind auch einzuhalten bei Fahrten
1. von Eisenbahninfrastrukturunternehmen die gemäß § 18 EisbG, in der Fassung BGBl. I Nr. 205/2013, Schienenfahrzeuge betreiben;
2. im Rahmen der Einräumung von Anschluss und Mitbenützung gemäß § 53a EisbG, in der Fassung BGBl. I Nr. 205/2013.
Die Behörde kann im Einzelfall andere als in dieser Verordnung vorgeschriebene Vorkehrungen zulassen, wenn vom Eisenbahnunternehmen nachgewiesen wurde, dass die Sicherheit und Ordnung auf andere Weise gewährleistet werden kann.
(1) Bahnhöfe sind Betriebsanlagen mit mindestens einer Weiche, wo Zugfahrten beginnen, enden, ausweichen oder wenden dürfen. Als eisenbahnbetriebliche Grenze zwischen den Bahnhöfen und der freien Strecke gelten im Allgemeinen die Einfahrsignale
| oder die Trapeztafeln. |
(2) Blockabschnitte sind Gleisabschnitte, in die eine Zugfahrt nur einfahren darf, wenn sie frei von Schienenfahrzeugen sind.
(3) Blockstellen sind Betriebsanlagen, die einen Blockabschnitt begrenzen.
(4) Abzweigstellen sind Blockstellen der freien Strecke, wo Zugfahrten von einer Strecke auf eine andere Strecke übergehen können, oder sich die Anzahl der Streckengleise ändert.
(5) Überleitstellen sind Blockstellen der freien Strecke, wo Zugfahrten auf ein anderes Gleis derselben Strecke übergehen können.
(6) Anschlussstellen sind Betriebsanlagen der freien Strecke, wo Fahrten ein angeschlossenes Gleis als Verschubfahrt befahren können, ohne dass der Blockabschnitt für eine andere Zugfahrt freigegeben wird. Ausweichanschlussstellen sind Anschlussstellen, bei denen der Blockabschnitt nach Ausweichen einer Fahrt in die Ausweichanschlussstelle für eine andere Zugfahrt freigegeben werden kann.
(7) Haltestellen sind Betriebsanlagen der freien Strecke, wo Zugfahrten planmäßig halten, beginnen oder enden dürfen.
(8) Hauptgleise sind die sicherungstechnisch für Zugfahrten ausgerüsteten Gleise. Durchgehende Hauptgleise sind die Hauptgleise der freien Strecke (Streckengleise) und ihre Fortsetzung in den Bahnhöfen. Alle übrigen Gleise sind Nebengleise.
(9) Flankenschutz bezeichnet eine Maßnahme, die verhindern soll, dass Schienenfahrzeuge seitlich in den Fahr- bzw. Schutzweg von Fahrten gelangen.
(10) Flankenschutzeinrichtungen sind technische Einrichtungen, mit denen Flankenschutz hergestellt wird.
(11) Signalabhängigkeit liegt vor, wenn Weichen und Flankenschutzeinrichtungen technisch in der erforderlichen Stellung festgehalten sind, solange
(1) Die Spurweite ist der kleinste Abstand der Innenflächen der Schienenköpfe im Bereich von 0 bis 14 mm unter Schienenoberkante (SOK).
(2) Das Grundmaß der Spurweite beträgt 1 435 mm (Normalspur).
(3) Das tatsächlich zulässige Maß der Spurweite ist nach dem Stand der Technik zu bestimmen.
(4) In Bogen mit Radien unter 175 m darf die Spurweite im unbelasteten Gleis folgende Werte nicht unterschreiten:
| Bogenradien [m] | Spurweite [mm] |
| unter 175 bis 150 | 1 435 |
| unter 150 bis 125 | 1 440 |
| unter 125 bis 100 | 1 445 |
(1) Die Linienführung muss bei Neubauten möglichst gestreckt sein. Die Anzahl der Trassierungselemente ist dabei möglichst gering zu halten. Im Grundriss sind die Trassierungselemente Gerade, Kreisbogen und Übergangsbogen anzuwenden.
(2) Der Bogenradius in durchgehenden Hauptgleisen darf bei Neubauten nicht weniger als
| 300 m | 180 m |
betragen.
(3) Die Richtung durchgehender Hauptgleise darf sich in der Regel nur stetig ändern. Wo erforderlich, sind Übergangsbogen anzulegen.
(4) In den Bogen der durchgehenden Hauptgleise muss in der Regel die äußere Schiene höher liegen als die innere (Überhöhung). Die Überhöhung ist in Abhängigkeit von der Beschaffenheit des Oberbaus, von der Bauart der Schienenfahrzeuge sowie von der Ladung und deren Sicherung nach dem Stand der Technik festzulegen. Die Überhöhung darf unter Einbeziehung der sich im Betrieb einstellenden Abweichungen 180 mm nicht überschreiten.
(5) Jede Änderung der Überhöhung ist durch eine Überhöhungsrampe zu vermitteln, deren Grundmaß der Neigung nicht größer sein darf als
| 1:400. | 1:300. |
Das tatsächlich zulässige Maß der Neigung der Überhöhungsrampe ist nach dem Stand der Technik zu bestimmen
.
(1) Die Längsneigung muss bei Neubauten möglichst gering gewählt werden. Die Anzahl der Neigungswechsel ist dabei möglichst gering zu halten.
(2) Die Längsneigung von Gleisen darf bei Neubauten
| 12,5 v.T. | 40 v.T. |
nicht überschreiten.
(3) Die Längsneigung von Gleisabschnitten, die für das Abstellen von Schienenfahrzeugen vorgesehen sind, darf bei Neubauten 2,5 v.T. nicht überschreiten.
(4) Neigungswechsel von mehr als 2 v.T., bei Geschwindigkeiten über 230km/h von mehr als 1 v.T., sind in Hauptgleisen auszurunden.
(1) Oberbau und Bauwerke müssen hinsichtlich ihrer Belastbarkeit durch Schienenfahrzeuge in Streckenklassen gemäß ÖNORM EN 15528 „Bahnanwendungen – Streckenklassen zur Bewerkstelligung der Schnittstelle zwischen Lastgrenzen der Fahrzeuge und Infrastruktur“ vom 1. Jänner 2013 (Anlage 8) einklassifiziert sein. Abhängig von Fahrzeugart und Fahrgeschwindigkeit dürfen jeweils nur jene dynamischen Kräfte auftreten, die vom Oberbau und von den Bauwerken sicher aufgenommen werden können. Ist ein Anwendungsfall nicht durch die Norm abgedeckt, muss die Belastbarkeit im jeweiligen Einzelfall geprüft werden.
(2) Bei Neubauten ist mindestens
| Streckenklasse D2 | Streckenklasse B1 |
gemäß ÖNORM EN 15528 „Bahnanwendungen – Streckenklassen zur Bewerkstelligung der Schnittstelle zwischen Lastgrenzen der Fahrzeuge und Infrastruktur“ vom 1. Jänner 2013 (Anlage 8) einzuhalten, wobei bereits bestehende Einklassifizierungen nicht verringert werden dürfen.
(3) Bauwerke müssen bei Neubauten gemäß den Bemessungsnormen entsprechend dem Stand der Technik so dimensioniert werden, dass eine Klassifizierung in die Streckenklasse E4 gemäß ÖNORM EN 15528 „Bahnanwendungen – Streckenklassen zur Bewerkstelligung der Schnittstelle zwischen Lastgrenzen der Fahrzeuge und Infrastruktur“ vom 1. Jänner 2013 (Anlage 8) möglich ist.
(1) Der Lichtraum ist der zu jedem Gleis gehörende, freizuhaltende Raum. Der Lichtraum setzt sich aus dem für die ungehinderte Fahrt der Schienenfahrzeuge erforderlichen Raum und zusätzlichen Räumen für bauliche und betriebliche Zwecke zusammen. Der Lichtraum ist vom Eisenbahninfrastrukturunternehmen unter Zugrundelegung der jeweiligen kinematischen Bezugslinie entsprechend dem Stand der Technik festzulegen; diese Festlegung darf streckenbezogen erfolgen.
(2) Der Mindestlichtraum umschließt den Raum, den ein Schienenfahrzeug unter Berücksichtigung der horizontalen und vertikalen Bewegungen sowie der Gleislagetoleranzen und der Mindestabstände von der Oberleitung benötigt. Für die Berechnung des Mindestlichtraumes sind die Maße der jeweiligen kinematischen Bezugslinie entsprechend dem Stand der Technik zu erweitern.
(3) Bei Neubauten ist der Bestimmung des Lichtraums gemäß Abs. 1 und des Mindestlichtraums gemäß Abs. 2 mindestens die kinematische Bezugslinie G2 gemäß Anlage 3 zugrunde zu legen.
(4) Bei Gleisen mit Oberleitung ist beiderseits ein Raum für den Durchgang der Stromabnehmer freizuhalten.
(5) Die Oberleitung darf in den Mindestlichtraum hineinragen.
(1) Der Gleisabstand ist der Abstand von Mitte zu Mitte benachbarter Gleise.
(2) Auf der freien Strecke muss bei Neubauten der Gleisabstand mindestens 4,00 m betragen. Bestehende Gleisabstände von 4,00 m und weniger dürfen nicht verringert werden.
(3) In Bahnhöfen muss der Gleisabstand bei Neubauten mindestens 4,50 m betragen. Bestehende Gleisabstände von 4,50 m und weniger dürfen nicht verringert werden. Durchgehende Hauptgleise ohne dazwischenliegendem Bahnsteig dürfen im Gleisabstand der freien Strecke durch den Bahnhof geführt werden. Wird der Gleisabstand der freien Strecke vergrößert, so darf der Gleisabstand im Bahnhof bis zum Umbau der Gleisanlagen bestehen bleiben.
(4) Die in den Absätzen 2 und 3 genannten Gleisabstände müssen bei Gleisen mit Radien unter 250 m entsprechend vergrößert werden.
(1) Schienengleiche Eisenbahnübergänge sind Eisenbahnkreuzungen im Sinne des § 1 lit. a der Eisenbahn-Kreuzungsverordnung 1961 und nicht-öffentliche Eisenbahnübergänge. Übergänge, die nur dem innerdienstlichen Verkehr dienen und schienengleiche Bahnsteigzugänge gelten nicht als schienengleiche Eisenbahnübergänge.
(2) Auf Gleisen mit einer zugelassenen Geschwindigkeit von mehr als 160 km/h sind schienengleiche Eisenbahnübergänge sowie Übergänge, die nur dem innerdienstlichen Verkehr dienen und schienengleiche Bahnsteigzugänge unzulässig.
(1) Neue schienengleiche Kreuzungen von Haupt- und Nebenbahnen dürfen nur unter Deckung von Hauptsignalen mit entsprechenden Fahrtausschlüssen errichtet werden.
(2) Neue schienengleiche Kreuzungen von Haupt- und Nebenbahnen mit anderen Schienenbahnen dürfen außerhalb der Bahnhöfe oder der Hauptsignale von Abzweigstellen nicht angelegt werden.
(1) Bei Neubauten von Bahnsteigen müssen in der Regel die Bahnsteigkanten auf eine Höhe von 0,55 m über Schienenoberkante gelegt werden; Höhen von unter 0,38 m und über 0,76 m sind unzulässig. In Gleisbogen ist auf die Überhöhung Rücksicht zu nehmen.
(2) Feste Gegenstände auf Bahnsteigen (Säulen und dergleichen) müssen bis zu einer Höhe von 3,05 m über Schienenoberkante mindestens 3,00 m von der Gleisachse entfernt sein. Bei bestehenden Anlagen mit geringem Verkehr darf das Maß von 3,00 m bis auf 2,70 m unterschritten werden.
(3) Auf Bahnsteigen mit befestigter Oberfläche sind, sofern dies von der Breite her möglich ist, die bei der Vorbeifahrt von Schienenfahrzeugen freizuhaltenden Flächen zu kennzeichnen.
(4) Auf Bahnsteigen an Gleisen, die mit einer Geschwindigkeit von mehr als 160 km/h befahren werden, sind die bei der Vorbeifahrt von Schienenfahrzeugen freizuhaltenden Flächen rot einzufärben. Bei mehr als 200 km/h sind Vorkehrungen zu treffen, dass sich keine Bahnbenützenden im Gefahrenbereich auf den Bahnsteigen aufhalten.
(5) Soll bei schienengleichen Bahnsteigzugängen die Beaufsichtigung oder Sperrung gemäß § 86 Abs. 2 (Sicherheit der Bahnbenützenden bei Bahnsteigzugängen) entfallen,
1. ist vor dem jeweils ersten Gleis, über das der schienengleiche Bahnsteigzugang führt, jeweils mindestens ein Gefahrenhinweis „Achtung Zugverkehr“ gemäß Anlage 7 zu errichten,
2. darf der Übergang über nicht mehr als ein Hauptgleis führen,
3. ist auf herannahende Schienenfahrzeuge eine Sichtweite (angegeben in Metern) zu gewährleisten, die mindestens dem zweieinhalbfachen Wert der Geschwindigkeit dieser Schienenfahrzeuge (angegeben in km/h) entspricht,
4. ist in dieser Betriebsstelle nur ein Mittelbahnsteig und zu diesem nur ein Übergang, der stirnseitig angeordnet ist, zu errichten und
5. ist der Übergang so zu errichten, dass er nicht über das durchgehende Hauptgleis führt.
(1) Neben durchgehenden Hauptgleisen sind in einem Nennabstand von höchstens 200 m Kilo /Hektometertafeln zu errichten. Der jeweilige Kilo-/Hektometer ist mit schwarzen Ziffern auf einer senkrecht stehenden weißen rechteckigen Tafel anzugeben.
(2) Auf elektrifizierten Strecken sind die Kilo-/Hektometertafeln möglichst an den Oberleitungsmasten anzubringen; diesfalls sind die Tafeln an jenem Mast anzubringen, der dem zugehörigen Kilo-/Hektometrierungspunkt am nächsten liegt. Weicht der tatsächliche Standort der Tafel vom zugehörigen Kilo-/Hektometer ab, ist auf der Kilo-/Hektometertafel zusätzlich der auf ganze Meter genaue Standort anzugeben.
(1) Weichen von Fahrstraßen für Zugfahrten, sind mit geeigneten Sicherungseinrichtungen auszurüsten. Geeignete Sicherungseinrichtungen für Weichen sind insbesondere:
1. Weichenantriebe, wenn die Weiche gegen unbeabsichtigtes Umstellen geschützt ist, beispielsweise durch Verschluss im Rahmen einer eingestellten Fahrstraße oder Einzelsperrung oder
2. Weichenriegel zur Verriegelung der Weiche oder
3. Weichenschlösser zum Absperren der Weiche oder
| 4. bei Rückfallweichen die taugliche Rückholeinrichtung in Verbindung mit dem Signal „Rückfallweiche befahren erlaubt“; im Störungsfall die Weichenblockade in Verbindung mit dem Signal „Weichenblockade“. |
(2) Weichen und Flankenschutzeinrichtungen von Fahrstraßen für Zugfahrten
| die mit mehr als 40 km/h befahren werden, |
sind signalabhängig zu errichten. Für ortsbediente Weichen und Sperrschuhe von Anschlussstellen darf an Stelle der Signalabhängigkeit Abhängigkeit hergestellt werden.
Folge- und Gegenzugfahrten in denselben Blockabschnitt sind
| wenn es die Sicherheit und Ordnung erfordert, |
durch eisenbahnsicherungstechnische Einrichtungen zu verhindern.
(1) Die Zugbeeinflussung dient zur Sicherung von Zugfahrten und umfasst Strecken- und Fahrzeugeinrichtungen.
(2) Hauptgleise, auf denen bis einschließlich 100 km/h zugelassen sind, müssen
| wenn es die Sicherheit und Ordnung des Betriebes erfordert, |
mit Zugbeeinflussung ausgerüstet sein, durch die ein Zug selbsttätig zum Halten gebracht werden kann.
(3) Hauptgleise, auf denen mehr als 100 km/h zugelassen sind, müssen mit Zugbeeinflussung ausgerüstet sein, durch die ein Zug selbsttätig zum Halten gebracht werden kann.
(4) Wird gemäß Abs. 2 oder 3 eine Zugbeeinflussung errichtet, sind streckenseitig mindestens folgende Punkte auszurüsten:
1. Vorsignale, Hauptsignale, Schutzsignale;
2. dauernde Geschwindigkeitsbrüche mit Herabsetzung der Geschwindigkeit um mindestens 30 km/h;
3. besondere vom Eisenbahninfrastrukturunternehmen zu evaluierende Gefahrenpunkte.
(5) Wird gemäß Abs. 2 oder 3 eine Zugbeeinflussung errichtet, sind in einer Betriebsanlage immer alle Punkte gemäß Abs. 4 mit Zugbeeinflussung auszurüsten.
(6) Sind benachbarte Bahnhöfe mit Zugbeeinflussung gemäß Abs. 2 oder 3 ausgerüstet, so sind auch die Streckengleise dazwischen durchgängig auszurüsten.
(7) Hauptgleise, auf denen mehr als 160 km/h zugelassen sind, müssen mit Zugbeeinflussung ausgerüstet sein, durch die ein Zug selbsttätig zum Halten gebracht und außerdem geführt werden kann.
(1) Zugfolgestellen
| und Zuglaufmeldestellen |
sind durch Fernmeldeanlagen zu verbinden. Schrankenposten und Streckenfernsprecher sind in die Verbindung einzuschalten.
(2) Fernmündliche Zugmeldungen
| sowie Zuglaufmeldungen |
sind durch Sprachspeicher aufzuzeichnen.
(3) Strecken sind mit Zugfunkeinrichtungen auszurüsten.
(4) Bahnsteige an Gleisen, die mit mehr als 160 km/h befahren werden, sind mit Lautsprecheranlage und mit automatischer Warnansage sowie optischer Anzeigeeinrichtung auszurüsten.
(1) Die Betriebsanlagen sind planmäßig auf ihre ordnungsgemäße Beschaffenheit wiederkehrend zu prüfen. Art, Umfang und Häufigkeit der wiederkehrenden Prüfung haben sich nach Zustand und Belastung der Betriebsanlagen sowie nach der zugelassenen Geschwindigkeit zu richten. Über die wiederkehrenden Prüfungen der Betriebsanlagen sind Aufzeichnungen zu führen.
(2) Gefährdete Stellen sind so zu überwachen, dass Betriebsgefährdungen rechtzeitig erkannt und Gegenmaßnahmen getroffen werden können.
(1) Ortsfeste Signale sind so zu errichten, dass die erforderliche Sichtweite gewahrt ist. Die erforderliche Sichtweite bezieht sich auf den Standort des jeweiligen Signals sowie die Spitze einer Fahrt. Für die Ermittlung der erforderlichen Sichtweite bleiben Witterungseinflüsse unberücksichtigt.
(2) Sofern in den Bestimmungen zu den einzelnen Signalen nichts anderes angeführt ist, beträgt die erforderliche Sichtweite auf ortsfeste Signale mindestens 100 m.
(3) Richtet sich die erforderliche Sichtweite auf ortsfeste Signale nach der Geschwindigkeit, muss die Sichtweite (angegeben in Metern) mindestens dem zweieinhalbfachen Wert der am Standort des Signals zulässigen Geschwindigkeit (angegeben in km/h) entsprechen, jedoch mindestens 100 m betragen. Als zulässige Geschwindigkeit dürfen höchstens 160 km/h zugrunde gelegt werden.
(4) Die Sichtbarkeit von Signalen muss grundsätzlich im gesamten Bereich gemäß Abs. 2 und 3 gegeben sein, wobei kurze Unterbrechungen der Sichtbarkeit, etwa durch Oberleitungsmaste, zulässig sind.
(1) Sofern in den Bestimmungen zu den einzelnen Signalen nichts anderes angeführt ist, gilt für die Aufstellungsseite von ortsfesten Signalen:
1. Signale sind grundsätzlich rechts neben oder über dem zugehörigen Gleis zu errichten,
2. auf Streckengleisen von zweigleisigen Strecken sind Signale außen neben, oder über dem zugehörigen Gleis zu errichten.
(2) Von den Bestimmungen des Abs. 1 darf abgewichen werden, wenn
1. dadurch eine Verwechslung von Signalen vermieden werden kann oder
2. dadurch die erforderliche Sichtweite auf das jeweilige Signal erreicht werden kann, sofern dadurch keine Verwechslungsgefahr entsteht oder
3. es die örtlichen Verhältnisse erfordern, sofern dadurch keine Verwechslungsgefahr entsteht.
(3) Werden mehrere Signale am selben Standort errichtet, sind alle Signale auf derselben Seite, tunlichst am selben Signalmast, zu errichten.
(4) Signale, die neben dem Gleis errichtet werden, dürfen nicht weiter als 5 m von der zugehörigen Gleisachse entfernt sein.
(1) Hauptsignale sind zu errichten als
1. Einfahrsignale zur Deckung der Bahnhöfe und zur Regelung der Einfahrten. Einfahrten in Bahnhöfe sind
| a) bei einer Einfahrgeschwindigkeit von mehr als 40 km/h oder b) bei technischer Sicherung der Zugfolge oder c) bei Einmündung einer Nebenbahn in eine Hauptbahn, ausgenommen die Fahrwege verlaufen getrennt, |
durch Einfahrsignale zu sichern.
2. Ausfahrsignale zur Regelung der Ausfahrten aus Bahnhöfen. Ausfahrten aus Bahnhöfen sind
| a) bei einer Ausfahrgeschwindigkeit von mehr als 40 km/h oder b) bei technischer Sicherung der Zugfolge oder c) bei Abzweigung einer Nebenbahn von einer Hauptbahn, ausgenommen die Fahrwege verlaufen getrennt, |
durch Ausfahrsignale zu sichern.
3. Zwischensignale zur Unterteilung von Hauptgleisen in Fahrwegabschnitte oder zur Sicherung von Weichen und Gleiskreuzungen in Bahnhöfen, die nicht von Einfahr- oder Ausfahrsignalen abhängig sind. Wenn auf Grund der örtlichen Verhältnisse die erforderliche Bremsweglänge nicht erreicht werden kann, dürfen statt Zwischensignalen Schutzsignale errichtet werden.
(1) Vorsignale sind zur Ankündigung von Hauptsignalen, die Ziel einer Zugstraße sein können, zu errichten.
| Wenn es die Sicherheit und Ordnung zulässt, darf auf die Errichtung von Vorsignalen zu Ausfahrsignalen verzichtet werden. |
(2) Der am Vorsignal angezeigte Begriff muss mit dem Begriff am zugehörigen Hauptsignal übereinstimmen. Ist dies nicht möglich, ist der Begriff anzuzeigen, der die größtmögliche Sicherheit gewährleistet.
(3) Abweichend von der Bestimmung des Abs. 2 erster Satz gilt:
1. ein Vorsignal am Standort eines Hauptsignals darf nur dann leuchten, wenn das Hauptsignal am selben Standort einen Freibegriff zeigt;
2. ein Vorsignal muss in Stellung „Vorsicht“ bleiben,
a) wenn sich zwischen dem Vorsignal und dem zugehörigen Hauptsignal in Freistellung ein Schutzsignal befindet, das nicht „Fahrverbot aufgehoben“ zeigt oder
b) wenn sich das Vorsignal am Standort eines Hauptsignals befindet und das Ende des Einfahrweges gemäß Abs. 7 Z 1 signalisiert ist oder
c) wenn die Geschwindigkeit im Weichenbereich mit Geschwindigkeitsanzeiger herabgesetzt wird und dieser Geschwindigkeitsanzeiger nicht durch einen Geschwindigkeitsvoranzeiger am Standort des Hauptsignals angekündigt wird oder
d) wenn ein Geschwindigkeitsanzeiger mit Kennziffer 2 am Hauptsignal nicht mit einem Geschwindigkeitsvoranzeiger am Vorsignal angekündigt wird;
(1) Schutzsignale sind in Bahnhöfen zu errichten
1. zur Unterteilung von Hauptgleisen in Fahrwegabschnitte, wenn Zwischensignale auf Grund der Bremsweglängen nicht errichtet werden können oder
2. zur Ergänzung von Gruppenhauptsignalen oder
3. zur Kennzeichnung des Endes eines Einfahrgleises gemäß § 108.
(2) Zu einer Signalgruppe gehörende Schutzsignale sind so zu errichten, dass der Triebfahrzeugführer einer sich nähernden Fahrt ein klares und eindeutiges Bild erhält und die Schutzsignale ab der erforderlichen Sichtweite in der richtigen Reihenfolge nebeneinander erblickt.
(3) Zu einer Signalgruppe gehörende Schutzsignale sind so zu errichten, dass
1. die gedachte Verbindungslinie zwischen den Signalschildern rechtwinkelig oder schräg bzw. V-förmig zur Gleisachse verläuft und
2. die Rotlichter in möglichst gleicher Höhe über Schienenoberkante liegen.
Davon darf abgewichen werden, wenn es die örtlichen Verhältnisse erfordern.
(4) Die erforderliche Sichtweite auf Schutzsignale richtet sich nach der Geschwindigkeit, es gilt die Sichtweite gemäß § 27 Abs. 3. Muss davon in begründeten Fällen abgewichen werden, hat die erforderliche Sichtweite mindestens 100 m zu betragen. Die erforderliche Sichtweite auf Schutzsignale, die nur Start von Zugstraßen sein können, richtet sich nach den örtlichen Verhältnissen und darf 100 m unterschreiten.
(1) Geschwindigkeitsanzeiger sind zu errichten, wenn
1. eine mit dem Hauptsignal signalisierte Geschwindigkeit herabgesetzt werden muss oder
2. der an ein Schutzsignal anschließende Fahrweg bis zum Ausfahr- oder Zwischensignal nur mit einer geringeren Geschwindigkeit als 40 km/h befahren werden darf oder
3. der vor einem Gruppenausfahrsignal liegende Teil des Fahrweges nur mit einer geringeren Geschwindigkeit befahren werden darf, als am Gruppenausfahrsignal angezeigt wird oder
4. die zulässige Geschwindigkeit innerhalb des Weichenbereiches herabgesetzt werden muss oder
5. die Einfahrt auf ein Stumpfgleis erfolgt und am Hauptsignal mehr als 40 km/h signalisiert werden soll.
(2) Geschwindigkeitsanzeiger dürfen errichtet werden, wenn
1. eine mit dem Hauptsignal signalisierte Geschwindigkeit oder
2. die zulässige Geschwindigkeit innerhalb des Weichenbereiches
angehoben werden soll.
(3) Innerhalb eines Weichenbereiches darf die Geschwindigkeit durch einen Geschwindigkeitsanzeiger nur einmal geändert werden.
(4) Geschwindigkeitsanzeiger nach Abs. 1 Z 1 bis 3 sowie Abs. 2 Z 1 sind am Mast des jeweiligen Hauptsignals, Schutzsignals oder Signals Fahrwegende unmittelbar über diesen Signalen anzubringen. Geschwindigkeitsanzeiger nach Abs. 1 Z 4 sowie Abs. 2 Z 2 sind am Beginn des Bereiches mit der geänderten Geschwindigkeit zu errichten. Geschwindigkeitsanzeiger nach Abs. 1 Z 5 sind so zu errichten, dass zwischen dem Standort des Geschwindigkeitsanzeigers und dem Ende des Stumpfgleises mindestens die für 40 km/h erforderliche Bremsweglänge vorhanden ist.
(1) Geschwindigkeitsanzeiger sind mit Geschwindigkeitsvoranzeiger anzukündigen, wenn
1. die Geschwindigkeit ab dem Standort eines Hauptsignals um mehr als 10 km/h herabgesetzt wird oder
2. die Geschwindigkeit nicht ab dem Standort eines Hauptsignals herabgesetzt wird.
(2) Abweichend von Abs. 1 Z 1 darf ein Geschwindigkeitsanzeiger mit der Kennziffer 2 am Standort eines Hauptsignals auch mit dem Begriff „Vorsicht“ am zugehörigen Vorsignal angekündigt werden.
(3) Abweichend von Abs. 1 Z 2 darf ein Geschwindigkeitsanzeiger mit Herabsetzung der Geschwindigkeit ab dem Standort eines Schutzsignals auch mit dem Begriff „Vorsicht“ am rückgelegenen Vorsignal angekündigt werden.
(4) Geschwindigkeitsvoranzeiger gemäß Abs. 1 Z 2 sind auf Bremsweglänge vor dem zugehörigen Geschwindigkeitsanzeiger zu errichten.
(5) Geschwindigkeitsanzeiger, die eine Anhebung der Geschwindigkeit signalisieren, dürfen angekündigt werden.
(6) Geschwindigkeitsvoranzeiger sind zu errichten
1. bei Herabsetzung der Geschwindigkeit gemäß Abs. 1 Z 1 am zugehörigen Vorsignal oder
2. bei Herabsetzung der Geschwindigkeit gemäß Abs. 1 Z 2 am zugehörigen Hauptsignal.
Geschwindigkeitsvoranzeiger am Standort eines Hauptsignals sind unmittelbar über dem Hauptsignal, am Standort eines Vorsignals unmittelbar unter dem Vorsignal anzubringen.
(7) Zwischen einem Geschwindigkeitsvoranzeiger und dem zugehörigen Geschwindigkeitsanzeiger darf kein Hauptsignal, Vorsignal und kein weiterer Geschwindigkeitsvoranzeiger errichtet sein.
(8) Geschwindigkeitsvoranzeiger sind als Lichtsignale auszuführen, wenn
(1) Das Signal „gelbes Trapez“ ist zur Anzeige von mit punktförmiger Zugbeeinflussung 1000 Hz abgesicherten Geschwindigkeitsvoranzeigern mit den Kennziffern „7“, „7,5“, „8“, „8,5“, „9“ und „9,5“ am Standort eines Vorsignals zu verwenden.
(2) Das Signal ist am unteren Rand des Vorsignalschildes anzubringen.
(1) Signalnachahmer sind zu errichten, wenn
1. die erforderliche Sichtweite auf ein Hauptsignal nicht erreicht werden kann oder
2. die Hauptsignale einer Signalgruppe ab der erforderlichen Sichtweite nicht in der richtigen Reihenfolge nebeneinander erblickt werden oder
3. wenn der planmäßige Haltepunkt in Haltestellen zwischen einem Vorsignal und einem Hauptsignal liegt und der Triebfahrzeugführer das Hauptsignal vom planmäßigen Haltepunkt nicht erkennen kann.
(2) Signalnachahmer sind so zu errichten, dass in dem Bereich, in dem das Hauptsignal gemäß Abs. 1 sichtbar sein sollte, entweder ein Signalnachahmer oder das Hauptsignal gesehen werden kann. Erforderlichenfalls sind mehrere Signalnachahmer aufzustellen.
(3) Ein Signalnachahmer am Standort eines Schutzsignals darf nur dann leuchten, wenn das Schutzsignal am selben Standort den Begriff „Fahrverbot aufgehoben“ zeigt.
(4) Signalnachahmer sind so zu errichten, dass kein Zug an einem Signalnachahmer vorbeifahren muss, auf den kein Hauptsignal folgt.
(5) Folgen auf einen Signalnachahmer nach einer Fahrwegverzweigung mehrere Hauptsignale, gilt der Signalnachahmer für alle Hauptsignale. Diesfalls darf der Signalnachahmer den Freibegriff des zugehörigen Hauptsignals nur dann anzeigen, wenn eine Zug- oder Zughilfsstraße über die Verzweigungsweiche bis zum zugehörigen Hauptsignal eingestellt ist.
(6) Laufen vor einem Hauptsignal mehrere Fahrwege zusammen, dürfen für jeden dieser Fahrwege Signalnachahmer errichtet werden. In diesem Fall darf nur jener Signalnachahmer die Freistellung des zugehörigen Hauptsignals anzeigen, der auch im Verlauf einer bis zu diesem Hauptsignal eingestellten Zug- oder Zughilfsstraße liegt.
(7) Werden zu einem Hauptsignal mehrere Signalnachahmer errichtet, sind
1. diese so zu errichten, dass vom Standort eines Signalnachahmers der jeweils nächste Signalnachahmer oder das zugehörige Hauptsignal gesehen werden kann, dazu darf erforderlichenfalls die erforderliche Sichtweite gemäß § 27 Abs. 2 unterschritten werden, und
(1) Bei örtlich zulässigen Geschwindigkeiten bis einschließlich 60 km/h ist eine Abstandstafel zu errichten. Abweichend davon entfällt die Errichtung der Abstandtafel, wenn gemäß § 30 Abs. 3 Z 4 die gelben Lichtpunkte des Vorsignals durch gelbe Rückstrahlflächen ersetzt sind.
(2) Bei örtlich zulässigen Geschwindigkeiten über 60 km/h sind drei Abstandstafeln zu errichten.
(3) Abweichend von Abs. 1 und 2 sind bis zu fünf Abstandstafeln zu errichten, wenn
1. die erforderliche Sicht auf das Vorsignal nicht gegeben ist (§ 30 Abs. 8) oder
2. die Sicht auf die Abstandstafeln eingeschränkt ist (Abs. 10).
(4) Abweichend von Abs. 1 bis 3 sind Abstandstafeln zu Vorsignalen am Standort von Hauptsignalen nicht zu errichten.
(5) Abweichend von Abs. 1 und 2 sind Abstandstafeln zu Vorsignalen im Bahnhof, die sich nicht am Standort von Hauptsignalen befinden, nur dann zu errichten, wenn die erforderliche Sichtweite auf das Vorsignal nicht gegeben ist.
(6) Abweichend von Abs. 2 ist mindestens eine Abstandstafel zu errichten, wenn auf Grund der örtlichen Verhältnisse eine Abstandstafel mit zwei oder drei Balken an oder vor einem Hauptsignal zur Aufstellung kommen würde.
(7) Die Abstandstafeln sind so zu errichten, dass kein Zug an einer Abstandstafel vorbeifahren muss, auf die kein zugehöriges Vorsignal folgt.
(8) Lässt es sich nicht vermeiden, dass zwischen dem Vorsignal und der am weitesten entfernten Abstandstafel eine Fahrwegverzweigung liegt, so darf die Aufstellung von Abstandstafeln vor der Fahrwegverzweigung unterbleiben, wenn die für das Vorsignal erforderliche Sichtweite gewährleistet ist, dass entweder das Vorsignal oder die in Fahrtrichtung erste Abstandstafel gesehen werden kann. Zwischen der Fahrwegverzweigung und dem Vorsignal sind jedoch so viele Abstandstafeln wie möglich zu errichten.
(9) Der Abstand zwischen den Abstandstafeln untereinander sowie zwischen der letzten Abstandstafel und dem Vorsignal beträgt grundsätzlich 80 m. Wenn es die örtlichen Verhältnisse erfordern, darf davon abgewichen werden; in diesem Fall darf der Abstand zwischen der letzten Abstandstafel und dem Vorsignal sowie der Abstand zwischen den Abstandstafeln zwischen 50 m und 140 m betragen.
(10) Abstandstafeln sind so zu errichten, dass vom Standort einer Abstandstafel mindestens die nächste Abstandstafel oder das zugehörige Vorsignal gesehen werden kann. Wenn es die örtlichen Verhältnisse erfordern, darf dazu die erforderliche Sichtweite gemäß § 27 Abs. 2 sowie der Mindestabstand vom 50 m gemäß Abs. 9 unterschritten werden.
(1) Befinden sich mehrere Signale an einem Mast, einer Signalbrücke oder einem Ausleger, gilt das Signal „Signal außer Betrieb“ für jenes Signal, an dessen Signalschild es angebracht ist. Befindet sich das Signal „Signal außer Betrieb“ am Signalmast, gilt es für alle auf diesem Signalmast befindlichen Haupt-, Vor-, Schutz- und Eisenbahnkreuzungsüberwachungssignale.
(2) Die Kennzeichnung mit Signal „Signal außer Betrieb“ entfällt bei außer Betrieb gesetzten
1. Haupt- und Schutzsignalen, deren Signalschild verhüllt oder ausgeschwenkt und deren zugehöriges Signal „Kennzeichnung“ nicht sichtbar ist;
2. Vorsignalen und Eisenbahnkreuzungsüberwachungssignalen, deren Signalschild verhüllt oder ausgeschwenkt ist.
(3) Die Zugfahrt ist zur Beachtung des Signals schriftlich zu beauftragen. Wird
1. trotz erteiltem schriftlichem Auftrag das Signal „Signal außer Betrieb“ nicht angetroffen oder
2. ein Signal „Signal außer Betrieb“ angetroffen und ist kein diesbezüglicher Auftrag erteilt,
ist vor dem Signal anzuhalten und Kontakt mit der betriebssteuernden Stelle aufzunehmen.
(1) Neu errichtete Haupt- und Schutzsignale sind mit einem Ersatzsignal auszurüsten. Abweichend davon darf die Ausrüstung mit einem Ersatzsignal unterbleiben, wenn die Ansteuerung von Ersatzsignalen mit der bestehenden Eisenbahnsicherungsanlage nicht möglich ist, oder das Haupt- oder Schutzsignal mit einem Vorsichtssignal ausgerüstet ist.
(2) Das Ersatzsignal ist am Signalschild des Haupt- oder Schutzsignals anzubringen.
(3) Das Ersatzsignal darf auf eventuell aufgestellten Signalnachahmern wiederholt werden. In diesem Fall müssen die Ersatzsignalwiederholer verlöschen, wenn das Ersatzsignal am zugehörigen Hauptsignal verlischt.
(1) Abhängig von den örtlichen betrieblichen Verhältnissen dürfen Haupt- oder Schutzsignale mit einem Vorsichtssignal ausgerüstet werden.
(2) Das Vorsichtssignal ist am Signalschild des Haupt- oder Schutzsignals anzubringen.
(3) Das Vorsichtssignal darf auf eventuell aufgestellten Signalnachahmern nicht wiederholt werden.
Die Zugfahrt ist zur Beachtung des Signals „Vorbeifahrt erlaubt“ schriftlich zu beauftragen. Wird ein Signal „Vorbeifahrt erlaubt“ ohne diesbezüglichen schriftlichen Auftrag angetroffen, ist vor dem Signal anzuhalten und Kontakt mit der betriebssteuernden Stelle aufzunehmen.
(1) Das Signal „Kennzeichnung“ ist am Standort von Haupt- und Schutzsignalen zu errichten. Das Signal „Kennzeichnung“ ist am Signalmast, bei Signalbrücken oder Auslegern am seitlichen Rand des Signalschildes anzubringen.
(2) Zur Ankündigung des Standortes von Hauptsignalen dürfen zusätzlich nicht rückstrahlende weiß-rot-weiße Tafeln errichtet werden. In diesem Fall
1. ist bei örtlich zulässiger Geschwindigkeit bis einschließlich 60 km/h eine Ankündigung und
2. sind bei örtlich zulässiger Geschwindigkeit von mehr als 60 km/h drei Ankündigungen zu errichten.
(3) Wird der Standort von Hauptsignalen gemäß Abs. 2 angekündigt, hat der Abstand zwischen der letzten weiß-rot-weißen Tafel und dem Hauptsignal sowie der Abstand zwischen den weiß-rot-weißen Tafeln grundsätzlich 80 m zu betragen. Wenn es die örtlichen Verhältnisse erfordern, darf davon abgewichen werden, in diesem Fall darf dieser Abstand zwischen 30 m und 140 m betragen.
(4) Wird auf Strecken mit elektrischem Betrieb der Standort von Hauptsignalen gemäß Abs. 2 angekündigt, sind die weiß-rot-weißen Tafeln möglichst an den Oberleitungsmasten anzubringen.
(1) Mit Sperrsignalen sind auszurüsten:
1. Stumpfgleisabschlüsse,
2. Sperrschuhe,
3. Gleisbrückenwaagen mit absenkbarer Waagbrücke,
4. Gleistore und
5. Drehscheiben und Schiebebühnen jeweils mit mechanischer Betätigung der Verriegelung.
(2) Sperrsignale sind bei Stumpfgleisabschlüssen grundsätzlich rechts vom Gleis oder in der Mitte des Gleises zu errichten, sonst an der Einrichtung anzubringen.
(3) Die erforderliche Sichtweite auf Sperrsignale richtet sich nach den örtlichen Verhältnissen und darf 100 m unterschreiten.
(1) Das Ankündigungssignal ist bei örtlich zulässiger Geschwindigkeit
1. unter 80 km/h 400 m;
2. ab 80 km/h bis unter 100 km/h 700 m und
3. ab 100 km/h 1000 m
vor dem Anfangssignal aufzustellen. Von diesen Aufstellungsentfernungen darf abgewichen werden, wenn es die örtlichen Verhältnisse erfordern; die Abweichung ist im schriftlichen Auftrag gemäß § 113 Abs. 9 anzugeben.
(2) Zwischen einem Ankündigungssignal und einem Anfangssignal darf kein weiteres Ankündigungssignal aufgestellt werden. Folgen einander Langsamfahrstellen und wäre ein Ankündigungssignal zwischen dem Ankündigungssignal und dem Anfangssignal der vorhergehenden Langsamfahrstelle aufzustellen, so ist es unterhalb des ersten Ankündigungssignals anzubringen.
(3) Für ein und dieselbe Langsamfahrstelle dürfen abhängig von der jeweiligen Schienenfahrzeug- oder Zuggattung unterschiedliche Geschwindigkeiten festgesetzt werden. In diesem Fall ist am Anfangssignal und zugehörigen Ankündigungssignal die jeweils niedrigere Geschwindigkeit anzuzeigen.
(4) Beginnt und endet innerhalb einer Langsamfahrstelle eine zweite Langsamfahrstelle ist anstelle des Endsignals der zweiten Langsamfahrstelle das Anfangssignal der ersten Langsamfahrstelle zu wiederholen.
(5) Wird gemäß § 28 Abs. 2 bei der Aufstellung des Signals von der Aufstellungsseite abgewichen, ist dies im schriftlichen Auftrag gemäß § 113 Abs. 9 anzuführen.
(6) Das Endsignal ist auf eingleisigen Strecken, bei zeitweise eingleisigem Betrieb und in Bahnhöfen auf der linken Seite aufzustellen. Muss davon abgewichen werden, ist dies im schriftlichen Auftrag gemäß § 113 Abs. 9 anzugeben.
(7) Langsamfahrsignale sind nicht über dem Gleis aufzustellen.
(1) Mit Ausnahme der Signale „Halt für Fahrzeuge mit angehobenem Stromabnehmer“ und „Zusatzpfeil“ sind Oberleitungssignale immer für beide Fahrtrichtungen zu errichten.
(2) Das Signal „Ankündigung Hauptschalter aus“ ist 300 m vor dem Signal „Hauptschalter aus“ zu errichten.
(3) Das Signal „Hauptschalter aus“ ist 30 m vor der Stelle, an der der Hauptschalter ausgeschaltet sein muss, zu errichten.
(4) Das Signal „Hauptschalter ein“ ist 30 m nach der Stelle, an der der Hauptschalter eingeschaltet werden darf, zu errichten.
(5) Das Signal „Ankündigung Stromabnehmer tief“ ist 300 m vor dem Signal „Stromabnehmer tief“ zu errichten.
(6) Das Signal „Stromabnehmer tief“ ist 30 m vor der Stelle, die mit gesenktem Stromabnehmer zu befahren ist, zu errichten.
(7) Das Signal „Stromabnehmer hoch“ ist 30 m nach der Stelle, die mit gesenktem Stromabnehmer zu befahren ist, zu errichten.
(8) Von den in den Abs. 2 bis 7 angegebenen Aufstellungsentfernungen darf abgewichen werden, wenn es die örtlichen Verhältnisse erfordern.
(9) Das Signal „Halt für Fahrzeuge mit angehobenem Stromabnehmer“ ist spätestens an der Stelle zu errichten, ab der mit angehobenem Stromabnehmer nicht weitergefahren werden darf.
(10) Das Signal „Zusatzpfeil“ ist oberhalb des zugehörigen Signals „Halt für Fahrzeuge mit angehobenem Stromabnehmer“ anzubringen. Bei Hinweisen nach zwei Seiten sind zwei Zusatzpfeile zu verwenden.
(11) Die erforderliche Sichtweite auf die Signale „Halt für angehobene Stromabnehmer“ und „Zusatzpfeil“ richtet sich nach den örtlichen Verhältnissen und darf 100 m unterschreiten.
(12) Das Signal „Halt für Fahrzeuge mit angehobenem Stromabnehmer“ darf auch an einem Weichensignalkörper angebracht werden.
(1) Ortsbediente Weichen sind immer mit Weichensignalen auszurüsten. Fernbediente Weichen sind mit Weichensignalen auszurüsten, wenn sie regelmäßig durch Verschubfahrten befahren werden. Davon ausgenommen sind Weichen in Verschubstraßen, wenn diese Weichen nicht zur Nahbedienung freigegeben werden können.
(2) Die Weichensignale sind abhängig von der Weichenbauform zu verwenden:
1. die Signale „Nach rechts“ und „Nach links“ bei einfachen Weichen, Innenbogenweichen und einfachen Kreuzungsweichen für die Fahrt gegen die Spitze,
2. die Signale „Von rechts“ und „Von links“ bei einfachen Weichen, Innenbogenweichen und einfachen Kreuzungsweichen für die Fahrt nach der Spitze, und
3. die Signale „Von links nach rechts“, „Von rechts nach links“, „Von links nach links“ und „Von rechts nach rechts“ bei doppelten Kreuzungsweichen.
(3) Die erforderliche Sichtweite auf Weichensignale richtet sich nach den örtlichen Verhältnissen und darf 100 m unterschreiten.
(4) Weichensignale sind an der Umstelleinrichtung der Weiche anzubringen.
§ 46.
| (1) Das Weichenüberwachungssignal ist zur Anzeige der Grundstellung von gegen die Spitze befahrenen Rückfallweichen zu verwenden. (2) Das Weichenüberwachungssignal ist so zu errichten, dass es mindestens auf Bremsweglänge zuzüglich der erforderlichen Sichtweite gemäß § 27 Abs. 3 vor der ersten gegen die Spitze befahrenen Rückfallweiche dieser Betriebsstelle erkannt werden kann. (3) Das Weichenüberwachungssignal ist unterhalb der Trapeztafel anzubringen. (4) Das Weichenüberwachungssignal ist durch ein blaues Dreieck im oberen Segment der Kreuztafel anzukündigen. (5) Das Weichenüberwachungssignal darf wiederholt werden: 1. an einem geeigneten Standort vor der Trapeztafel, wenn dies zur Erfüllung der Anforderung gemäß Abs. 2 erforderlich ist, 2. am Standort einer gegen die Spitze befahrenen Rückfallweiche; diesfalls darf der schwarz weiß gestreifte Pflock entfallen und darf das Signal auch für Verschubfahrten nach der Spitze über diese Weiche verwendet werden. |
§ 47.
| (1) Das Signal „Weichenblockade“ darf für den Fall von Störungen an Rückfallweichen vorbereitend errichtet werden. Das Signal „Weichenblockade“ darf nur bei erfolgter Sicherung der Weiche im Störungsfall sichtbar sein. (2) Im Fall von Störungen an Rückfallweichen sind gemäß Abs. 1 errichtete taugliche Signale „Weichenblockade“ zu verwenden, wenn die jeweilige Weiche von Zugfahrten gegen die Spitze befahren wird. (3) Fahrten sind zur Beachtung des Signals „Weichenblockade“ schriftlich zu beauftragen. (4) Die Sichtweite auf Signale „Weichenblockade“ richtet sich nach den örtlichen Verhältnissen und darf 100 m unterschreiten. (5) Wird das Signal „Weichenblockade“ gemäß Abs. 1 errichtet, ist es abweichend zu den Bestimmungen des § 28 (Aufstellung von ortsfesten Signalen) zwischen den Weichenzungen zu errichten. |
(1) Das Signal „Weiche gesichert“ darf für den Fall von Weichenstörungen oder fehlender Weichenüberwachung vorbereitend errichtet werden. Das Signal „Weiche gesichert“ darf nur bei erfolgter Sicherung der Weiche im Störungsfall sichtbar sein.
(2) Im Fall von Weichenstörungen oder fehlender Weichenüberwachung sind gemäß Abs. 1 errichtete taugliche Signale „Weiche gesichert“ zu verwenden, wenn die jeweilige Weiche von Zugfahrten gegen die Spitze befahren wird.
(3) Fahrten sind zur Beachtung des Signals „Weiche gesichert“ schriftlich zu beauftragen.
(4) Die Sichtweite auf Signale „Weiche gesichert“ richtet sich nach den örtlichen Verhältnissen und darf 100 m unterschreiten.
(5) Wird das Signal „Weiche gesichert“ gemäß Abs. 1 errichtet, ist es abweichend zu den Bestimmungen des § 28 (Aufstellung von ortsfesten Signalen) am Weichenantrieb anzubringen oder in der Nähe der Umstelleinrichtung zu errichten.
(1) Verschubsignale sind zu errichten, wenn
1. Verschubfahrten mit einer Eisenbahnsicherungsanlage geregelt werden sollen oder
2. sie als Flankenschutzeinrichtung benötigt werden oder
3. regelmäßig an Hauptsignalen vorbei verschoben werden soll.
| 4. Abweichend von Z 3 darf auf die Errichtung von Verschubsignalen verzichtet werden, wenn die Zustimmung zu Verschubfahrten mit anderen technischen Einrichtungen gegeben werden kann. |
(2) Das Signal „Verschubverbot aufgehoben“ am Standort eines Hauptsignals, Schutzsignals mit lotrechtem weißem Streifen oder eines Wartesignals erlaubt Verschubfahrten die Vorbeifahrt an diesem Signal.
(3) Ein Verschubsignal, das für mehrere Gleise gilt, wird als Gruppenverschubsignal bezeichnet. Ein Gruppenverschubsignal am Standort eines Gruppenhauptsignals muss für dieselben Gleise gültig sein wie das Gruppenhauptsignal.
(4) Das Formsignal „Verschubverbot aufgehoben“ darf nur am Standort eines Hauptsignals und nur, wenn es die örtlichen betrieblichen Verhältnisse zulassen, verwendet werden.
(5) In Weichenbereichen gilt ein zwischen Weichenspitze und Herzstück stehendes Verschubsignal für alle im Bereich der Weiche möglichen Fahrten.
(6) Das Signal „Verschubsignalzusatz“ ist an Verschubsignalen anzubringen, bei denen die Zustimmung zur Fahrt gesondert zu erteilen ist.
(1) Verschubhalttafeln sind in Verbindung mit Einfahrsignalen – auf zweigleisigen Strecken mit Richtungsbetrieb auch auf Gleisen ohne Einfahrsignal – zu errichten. In Verbindung mit
1. Zwischensignalen oder
2. Blocksignalen oder
3. Deckungssignalen oder
| 4. Trapeztafeln |
dürfen sie errichtet werden.
(2) Verschubhalttafeln dürfen durch Verschubsignale ersetzt werden. Vor Freistellung solcher Verschubsignale sind die gleichen Bedingungen wie für die Verschubfahrten über den Standort der Verschubhalttafeln hinaus einzuhalten.
(3) Verschubhalttafeln sind nicht über dem Gleis zu errichten.
(1) Wartesignale dürfen an Stellen errichtet werden, an denen zum Beginn oder zur Fortsetzung jeder einzelnen Verschubfahrt jeweils eine gesonderte Zustimmung erforderlich ist.
(2) Wartesignale sind nicht über dem Gleis zu errichten.
(1) Hand – Verschubsignale bestehen aus sichtbaren und hörbaren Zeichen. Die Signale sind hörbar nur bei Bedarf zu geben.
(2) Bei unvorhergesehen erforderlichen Verschubfahrten dürfen die Tagsignale auch mit dem Arm alleine gegeben werden.
(3) Die Hand – Verschubsignale „Wegfahren“, „Herkommen“ und „Langsamer“ sind sichtbar so lange unausgesetzt zu geben, bis sie durch ein anderes Signal abgelöst werden. Das Signal „Verschubhalt“ ist sichtbar so lange unausgesetzt zu geben, bis der Verschubteil angehalten hat.
(4) Das Hand – Verschubsignal „Abstoßen“ ist nur zum Beginn der Abstoßbewegung zu geben, die Abstoßbewegung ist mit dem Signal „Verschubhalt“ abzuschließen.
(1) Ist bei geschobenen Zügen am vordersten Schienenfahrzeug eine Einrichtung zur Abgabe des Signals „Achtung“ vorhanden, ist das Signal „Achtung“ vom Mitarbeiter an der Spitze zu geben.
(2) Die Abgabe des Signals „Achtung“ kann in Einzelfällen gesondert angeordnet werden.
(1) Ortsfeste Bremsprobesignale sind zu errichten, wenn es die örtlichen Verhältnisse erfordern.
(2) Die erforderliche Sichtweite auf ortsfeste Bremsprobesignale richtet sich nach den örtlichen Verhältnissen und darf 100 m unterschreiten.
(3) In Bahnsteigbereichen sind ortsfeste Bremsprobesignale abweichend zu den Bestimmungen des § 28 (Aufstellung ortsfester Signale) auf der Bahnsteigseite zu errichten.
(1) Das Signal „Abfahren erlaubt“ ist zu errichten, wenn es die örtlichen Verhältnisse erfordern.
(2) Das Signal „Abfahren erlaubt“ darf sich nur aktivieren lassen, wenn das nächsterreichte Haupt- oder Schutzsignal einen Freibegriff zeigt.
(3) Die erforderliche Sichtweite auf das Signal „Abfahren erlaubt“ richtet sich nach den örtlichen Verhältnissen und darf 100 m unterschreiten.
(4) In Bahnsteigbereichen sind alleinstehende Signale „Abfahren erlaubt“ abweichend zu den Bestimmungen des § 28 (Aufstellung ortsfester Signale) auf der Bahnsteigseite zu errichten.
(5) Das Eisenbahnverkehrsunternehmen hat unter Einbeziehung der technischen Möglichkeiten beim Zug Regelungen für die Anwendung der Signale „Abfahrbereit“, „Fertig“ und „Abfahren erlaubt“ zu erstellen.
(1) Die Spitze geschobener Züge muss nur bei Dunkelheit oder wenn Tagsignale nicht auf mindestens 100 m eindeutig erkennbar sind mit mindestens einem weißen Licht gekennzeichnet sein.
(2) Bei Ausfall des Spitzensignals am verschiebenden Triebfahrzeug muss mindestens ein weißes Licht am Triebfahrzeug vorhanden sein.
(1) Das Signal „Wagen besetzt“ ist bei abgestellten Schienenfahrzeugen anzubringen, wenn diese mit Personen besetzt sind. Das Signal ist von dem für den jeweiligen Wagen zuständigen Begleit- bzw. Aufsichtspersonal anzubringen und abzunehmen. Das Eisenbahnunternehmen hat zu regeln, wie die Verschubdurchführung in Zusammenhang mit Schienenfahrzeugen, an denen das Signal „Wagen besetzt“ angebracht ist, zu erfolgen hat, jedenfalls sind die darin befindlichen Personen zu verständigen, bevor diese Schienenfahrzeuge verschoben werden.
(2) Das Signal „Fahrzeug darf nicht bewegt werden“ ist von jenem Betriebsbediensteten anzubringen, der feststellt, dass das Schienenfahrzeug nicht bewegt werden darf. Bei Schienenfahrzeuggruppen ist das Signal am jeweils äußersten Schienenfahrzeug der Gruppe anzubringen. Das Signal ist jeweils an der Stelle, an der an das Schienenfahrzeug oder die Schienenfahrzeuggruppe herangefahren werden könnte, anzubringen. Vor der Anbringung muss die Zustimmung der betriebssteuernden Stelle eingeholt werden.
(3) Das Signal „An die Vorheizanlage angeschlossen“ ist von dem Betriebsbediensteten anzubringen, der das Schienenfahrzeug an die Vorheizanlage anschließt und ist vor Herstellung des Anschlusses anzubringen. Bei Schienenfahrzeuggruppen ist das Signal am jeweils äußersten Schienenfahrzeug der Gruppe anzubringen. Das Signal ist jeweils an der Stelle, an der an das Schienenfahrzeug oder die Schienenfahrzeuggruppe herangefahren werden könnte, anzubringen.
Das Gefahrsignal ist zu geben, wenn der eigenen Fahrt Gefahr droht, sich die eigene Fahrt in Gefahr befindet oder wenn Fahrten zur Abwendung einer Gefahr sofort angehalten werden müssen.
(1) Das Signal „Haltscheibe“ dient zur Kennzeichnung von Gefahrstellen und ist unmittelbar rechts vom Gleis oder im Gleis, grundsätzlich 50 m vor der Gefahrstelle aufzustellen. Unmittelbar vor der Gefahrstelle ist das Signal aufzustellen bei
1. Einfahrt auf besetztes Gleis; die Aufstellung des Signals ist nur bei Dunkelheit und unsichtigem Wetter erforderlich, diesfalls darf das Signal durch ein rotes Licht ersetzt werden, oder
2. Kennzeichnung des Haltepunktes bei Anhalten vor dem Ende des Einfahrgleises mit schriftlichem Auftrag ohne Angabe eines konkreten geografischen Bezugspunktes oder
3. gesperrten Bahnhofgleisen oder Bahnhofgleisabschnitten.
Bei unbefahrbaren Gleisstellen sind stets nach beiden Richtungen Haltscheiben aufzustellen.
(2) Für die Vorbeifahrt an einer Haltscheibe ist ein gesonderter Auftrag der betriebssteuernden Stelle oder des für die Gefahrstelle zuständigen Betriebsbediensteten erforderlich.
(3) Die erforderliche Sichtweite auf das Signal „Signalhinweis“ richtet sich nach den örtlichen Verhältnissen und darf 100 m unterschreiten.
(4) Das Signal „Signalhinweis“ ist dort zu errichten, wo das Haupt-, Schutz-, Vor- oder Verschubsignal stehen sollte und hat mit der Dreieckspitze zum jeweiligen Signal zu zeigen. Das Signal „Signalhinweis“ ist nicht über dem Gleis zu errichten.
(5) Die Errichtung des Signals „Signalhinweis“ darf entfallen, wenn bei der Aufstellung des Haupt-, Schutz-, Vor- oder Verschubsignals entsprechend der Bestimmung des § 28 Abs. 2 Z 1 (Erzielung der erforderlichen Sichtweite) von der Aufstellungsseite gemäß § 28 Abs. 1 abgewichen wurde.
(6) Der Richtungspfeil ist zu errichten,
1. wenn die Gleiszugehörigkeit eines Signals nicht eindeutig erkennbar ist oder
Unbeschadet der Bestimmungen des § 28 (Aufstellungsseite) richten sich die Zulässigkeit der Errichtung und die die Aufstellungsentfernung des EKÜS sowie die erforderliche Sichtweite auf das EKÜS nach den Bestimmungen des § 89 (Triebfahrzeugführerüberwachung) der Eisenbahnkreuzungsverordnung 2012 (EisbKrV), BGBl. II Nr. 216/2012.
(1) Das Signal „EK Gruppe Anfang“ ist gemäß den Bestimmungen des § 89 (Triebfahrzeugführerüberwachung) EisbKrV, BGBl. II Nr. 216/2012, zu errichten.
(2) Unbeschadet der Bestimmungen der §§ 27 Abs. 1, 2 und 4 (erforderliche Sichtweite) sowie 28 (Aufstellungsseite) ist das Signal „EK Gruppe Ende“ gemäß den Bestimmungen des § 89 (Triebfahrzeugführerüberwachung) EisbKrV, BGBl. II Nr. 216/2012, zu errichten.
(3) Unbeschadet der Bestimmungen der §§ 27 Abs. 1, 2 und 4 (erforderliche Sichtweite) sowie 28 (Aufstellungsseite) sind die Signale „Pfeiftafel“ („Pfeifpflock“), „Gruppenpfeiftafel“ („Gruppenpfeifpflock“) und „Pfeifende“ („Endpflock“) gemäß den Bestimmungen der §§ 58 bis 60 (Standort und Bedeutung der Signale für den Eisenbahnbetrieb) EisbKrV, BGBl. II Nr. 216/2012, zu errichten.
(4) Die Errichtung des Signals „Rautentafel“ darf in Bahnhöfen entfallen. Die Errichtung des Signals in Bahnhöfen ist durch das Eisenbahninfrastrukturunternehmen festzulegen.
(1) Zu den Übergangssignalen zählen:
1. Form – Hauptsignal gemäß § 63,
2. Form – Vorsignal gemäß § 64,
3. Schutzsignal ohne lotrechten weißen Streifen gemäß § 65,
4. Erlaubnissignal gemäß § 66,
5. Form – Verschubsignal gemäß § 67,
6. Sperrsignal gemäß § 68 und
7. Weichensignale gemäß § 69.
(2) Bestehende Übergangssignale dürfen beibehalten sowie erforderlichenfalls auch erneuert werden. Die Neuerrichtung von Übergangssignalen ist nicht zulässig.
(1) Die Bestimmungen des § 29 (Hauptsignal) gelten sinngemäß.
(2) Kann ein Form – Hauptsignal nicht in Stellung „Halt“ gebracht werden, darf eine Zugfahrt auf das betreffende Signal nur zugelassen werden, wenn diese Zugfahrt schriftlich zum Anhalten vor diesem Signal beauftragt wurde.
(3) In einer Signalgruppe dürfen Form – Hauptsignale nur aufgestellt sein, wenn alle Signale dieser Gruppe Form – Hauptsignale sind; eine Mischung mit Hauptsignalen gemäß § 29 ist nicht zulässig.
(4) Sind Form – Hauptsignale mit Ersatzsignal ausgerüstet, ist das Ersatzsignal abweichend von § 38 Abs. 2 am Signalmast. anzubringen.
(5) Abweichend von § 59 Abs. 1 (Aufstellung des Signals „Haltscheibe“) ist bei in Freistellung untauglichen Form – Hauptsignalen das Signal „Haltscheibe“ unmittelbar vor dem untauglichen Signal aufzustellen.
(6) Ein Form – Hauptsignal darf nicht mit einem Vorsignal gemäß § 30 angekündigt werden.
(1) Die Bestimmungen des § 30 (Vorsignal) gelten sinngemäß.
(2) Kann ein Form – Vorsignal nicht in Stellung „Vorsicht“ gebracht werden, darf eine Zugfahrt auf das betreffende Signal nur zugelassen werden, wenn diese Zugfahrt schriftlich beauftragt ist, bei diesem Signal die Stellung „Vorsicht“ anzunehmen.
(3) Mit einem Form – Vorsignal darf kein Hauptsignal gemäß § 29 angekündigt werden.
(1) Die Bestimmungen des § 31 (Schutzsignal) gelten sinngemäß. Abweichend von § 62 Abs. 2 (Neuerrichtung von Übergangssignalen) dürfen Schutzsignale ohne lotrechten weißen Streifen dann neu errichtet werden, wenn die Ansteuerung von Schutzsignalen mit der bestehenden Eisenbahnsicherungsanlage technisch nicht möglich ist.
(2) In einem Bahnhof dürfen Schutzsignale ohne lotrechten weißen Streifen nur aufgestellt sein, wenn alle Signale dieser Gruppe Schutzsignale ohne lotrechten weißen Streifen sind; eine Mischung mit Schutzsignalen gemäß § 31 ist nicht zulässig.
§ 66.
| (1) Das Erlaubnissignal darf nur für eine Gleisgruppe von höchstens drei Hauptgleisen verwendet werden. (2) Wird das Erlaubnissignal verwendet, ist es oberhalb des Gruppenhauptsignals anzubringen. (3) Das Erlaubnissignal darf nur dann leuchten, wenn das zugehörige Gruppenhauptsignal in Freistellung ist. (4) Die erforderliche Sichtweite auf das Erlaubnissignal richtet sich nach der Geschwindigkeit, es gilt die Sichtweite gemäß § 27 Abs. 3. (5) Das Erlaubnissignal darf wiederholt werden, wenn es die örtlichen Verhältnisse erfordern. Abweichend zu den Bestimmungen des Abs. 4 und abweichend von den Bestimmungen des § 27 Abs. 2 richtet sich die erforderliche Sichtweite auf die Wiederholung des Erlaubnissignals nach den örtlichen Verhältnissen und darf 100 m unterschreiten. (6) Für die Wiederholung des Erlaubnissignals ist ein entsprechend den örtlichen Verhältnissen geeigneter Standort festzulegen. |
Die Bestimmungen des § 49 (Verschubsignal) gelten sinngemäß.
Das nicht rückstrahlend ausgeführte Sperrsignal ist bei Dunkelheit und unsichtigem Wetter zu beleuchten.
(1) Bei Weichensignalen, die sich gleichzeitig im Blickfeld des Triebfahrzeugführers bzw. des Weichenbedieners befinden, dürfen die Weichensignale in der Ausführung als Übergangssignal nicht gleichzeitig mit den Weichensignalen gemäß § 45 verwendet werden.
(2) Abweichend von den Bestimmungen des § 62 Abs. 2 (Neuerrichtung von Übergangssignalen) dürfen Weichensignale in der Ausführung als Übergangssignal auch neu errichtet werden, wenn dies zur Erfüllung der Anforderung des Abs. 1 erforderlich ist.
(3) Bei Weichensignalen für doppelte Kreuzungsweichen in der Ausführung als Übergangssignal wird die Linie bzw. der Winkel durch rückstrahlende weiße Balken gebildet.
(4) Nicht rückstrahlend ausgeführte Weichensignale sind bei Dunkelheit und unsichtigem Wetter zu beleuchten.
(1) Die Schienenfahrzeuge werden entsprechend ihrer Zweckbestimmung unterschieden in Regelfahrzeuge und Sonderfahrzeuge (Nebenfahrzeuge). Regelfahrzeuge müssen den nachstehenden Bestimmungen dieser Verordnung entsprechen. Sonderfahrzeuge müssen diesen Bestimmungen nur insoweit entsprechen, als es für den Sonderzweck, dem sie dienen sollen, erforderlich ist.
(2) Die Regelfahrzeuge werden eingeteilt in Triebfahrzeuge und Wagen.
(3) Die Triebfahrzeuge werden eingeteilt in Lokomotiven und Triebwagen.
(4) Die Triebfahrzeuge werden entweder unmittelbar bedient oder gesteuert. Steuerung ist die Regelung der Antriebs- und Bremskraft durch eine Steuereinrichtung von einem führenden Schienenfahrzeug aus oder durch Fernsteuerung.
(5) Die Wagen werden eingeteilt in Reisezugwagen und Güterwagen.
(6) Die Sonderfahrzeuge werden eingeteilt in Kleinwagen und Schwerkleinwagen. Sonderfahrzeuge mit einer Radsatzlast von mindestens 3,5 t sind Schwerkleinwagen, alle übrigen Sonderfahrzeuge sind Kleinwagen.
(7) Zweiwegefahrzeuge sind Sonderfahrzeuge.
(1) Schienenfahrzeuge sind in Streckenklassen zu kategorisieren, wobei höchstens die
| Streckenklasse D2 | Streckenklasse B1 |
gemäß ÖNORM EN 15528 „Bahnanwendungen – Streckenklassen zur Bewerkstelligung der Schnittstelle zwischen Lastgrenzen der Fahrzeuge und Infrastruktur“ vom 1. Jänner 2013 (siehe Anlage 8) zulässig ist; bei Geschwindigkeiten von mehr als 200 km/h oder beim Einsatz von Neigetechnik muss im jeweiligen Einzelfall geprüft werden, ob die auftretenden Belastungen vom Oberbau und den Bauwerken sicher aufgenommen werden können. Abweichend dazu sind höhere Streckenklassen dann zulässig, wenn die ausgewiesene Streckenklasse des Schienenfahrzeuges kleiner oder gleich der Streckenklasse der Strecke ist. Können Schienenfahrzeuge auf Grund individueller Eigenschaften des Schienenfahrzeuges oder der Ladung nicht in eine Streckenklasse kategorisiert werden, oder ist die Streckenklasse der Strecke kleiner als jene der Schienenfahrzeuge, ist im jeweiligen Einzelfall zu prüfen, ob die auftretenden Lasten vom Oberbau und von den Bauwerken sicher aufgenommen werden können.“
(2) Zusätzlich zu den in Abs. 1 genannten Anforderungen dürfen von bewegten Schienenfahrzeugen nicht mehr dynamische Kräfte ausgeübt werden, als vom Oberbau und von den Bauwerken sicher aufgenommen werden können.
(Anm.: Abs. 3 aufgehoben durch BGBl. II Nr. 156/2014)
(1) Die Räder und Radsätze der Schienenfahrzeuge müssen so beschaffen und gelagert sein, dass Gleisbogen mit 150 m Radius und 1 435 mm Spurweite einwandfrei durchfahren werden können. Die Räder eines Radsatzes müssen Spurkränze haben und dürfen auf der Radsatzwelle seitlich nicht verschiebbar sein. Spurwechselradsätze sind zulässig.
(2) Für Räder und Radsätze gelten die Maße der Anlage 2. Hiervon darf abgewichen werden, wenn nachgewiesen ist, dass die Räder und Radsätze die Schienenfahrzeuge im Gleis sicher führen.
(3) Bei Rädern, die aus einem Stück gefertigt sind, muss die Mindestdicke des Radkranzes durch eine auf der äußeren Stirnfläche eingedrehte Rille gekennzeichnet sein (Anlage 2). Ausgenommen davon sind Räder,
1. bei denen durch andere geeignete Vorkehrungen sichergestellt ist, dass die Mindestdicke festgestellt werden kann, oder
2. deren Radscheibe gleichzeitig Bremsscheibe ist.
(1) Für die Abmessungen der Schienenfahrzeuge gilt die kinematische Bezugslinie G 2 nach Anlage 3. Abweichend dazu sind größere kinematische Bezugslinien dann zulässig, wenn die der Berechnung der Schienenfahrzeuge zugrunde liegende kinematische Bezugslinie kleiner oder gleich der der Berechnung des Lichtraumes der Strecke zugrunde liegenden kinematischen Bezugslinie ist. Können Schienenfahrzeuge auf Grund ihrer individueller Eigenschaften oder der Ladung keiner kinematischen Bezugslinie zugeordnet werden, oder ist die der Berechnung des Lichtraumes der Strecke zugrunde liegende kinematische Bezugslinie kleiner als jene der Schienenfahrzeuge, ist im jeweiligen Einzelfall zu prüfen, ob der Verkehr dieser Schienenfahrzeuge auf der jeweiligen Infrastruktur zulässig ist. Schienenfahrzeuge, die der kinematischen Bezugslinie nach Anlage 3 Bild 3 entsprechen, dürfen Gleisbremsen in Bremsstellung oder sonstige aktivierte Verschub- oder Abbremsvorrichtungen nicht befahren.
(2) Für die Berechnung der Schienenfahrzeugabmessungen sind die Maße der kinematischen Bezugslinien entsprechend dem Stand der Technik einzuschränken.
(3) Für gesenkte Stromabnehmer gilt die Bezugslinie, die dem Schienenfahrzeug zugrunde liegt. Angehobene Stromabnehmer müssen die mechanische und elektrische Bezugslinie für Stromabnehmer (Anlage 3 Bild 4) einhalten.
(4) Entkuppelte Schrauben- und Leitungskupplungen müssen so aufgehängt oder eingeschraubt werden können, dass sie die zulässigen Abmessungen des Schienenfahrzeuges nicht überschreiten.
(1) Die Schienenfahrzeuge müssen mit durchgehender selbsttätiger Bremse ausgerüstet sein. Diese muss in beliebiger Reihung mit den Bremsbauarten derjenigen Schienenfahrzeuge zusammenarbeiten, mit denen eine Verbindung vorgesehen ist.
(2) Eine durchgehende Bremse ist selbsttätig, wenn sie bei jeder unbeabsichtigten Unterbrechung der Bremsleitung wirksam wird.
(3) Schienenfahrzeuge, in denen Reisende befördert werden, müssen leicht sichtbare und erreichbare Betätigungsvorrichtungen haben, durch die eine Notbremsung direkt oder indirekt eingeleitet oder angefordert werden kann. Die Notbremseinrichtung darf so beschaffen sein, dass sie durch den Triebfahrzeugführer oder automatisch überbrückt werden kann.
(4) Die Triebfahrzeuge und andere führende Schienenfahrzeuge müssen eine Feststellbremse haben.
(5) Die Reisezugwagen müssen mit einer vom Wageninneren aus bedienbaren Feststellbremse ausgerüstet sein. Eine genügende Anzahl von Güterwagen einer Wagenserie ist mit Feststellbremse auszurüsten.
(1) Die Schienenfahrzeuge müssen an beiden Enden federnde Zug- und Stoßeinrichtungen haben.
(2) Schienenfahrzeuge, die im Betrieb dauernd verbunden bleiben, gelten hinsichtlich der Ausrüstung mit Zug- und Stoßeinrichtungen als nur ein Schienenfahrzeug.
(3) Zug- und Stoßeinrichtungen müssen so beschaffen sein, dass sie die auftretenden Kräfte aufnehmen können, die Laufsicherheit des Fahrzeuges nicht beeinträchtigen, die erforderlichen Verbindungen herstellen und gefahrlos gekuppelt werden können.
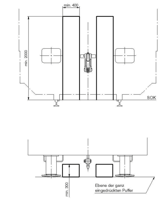
(1) Die Schienenfahrzeuge müssen so gestaltet sein, dass ein gefahrloses Kuppeln möglich ist. Bei Schienenfahrzeugen mit Schraubenkupplungen und Seitenpuffern müssen die dafür erforderlichen Räume (Anlage 4) von festen Teilen frei sein, wenn sich die Zugeinrichtung in Mittelstellung befindet; elastisch verformbare Teile der Übergangseinrichtungen und Verbindungsleitungen dürfen in diese Räume hineinragen. Im Bereich unterhalb der Puffer dürfen keine festen Teile den Zugang behindern.
(2) Feste Teile an den Stirnseiten der Schienenfahrzeuge müssen von der Stoßebene der ganz eingedrückten Puffer mindestens 40 mm entfernt sein. Hiervon darf abgewichen werden, wenn gefährliche Berührungen der Schienenfahrzeuge ausgeschlossen sind.
(3) Tritte an den Schienenfahrzeugseiten müssen von der Stoßebene der ganz eingedrückten Puffer mindestens 150 mm entfernt sein.
(4) An den Güterwagen müssen die Stirnseiten mit Stützen zur Aufnahme der Schlusssignalmittel versehen sein, soweit die Wagen dafür geeignet sind. An den übrigen Schienenfahrzeugen sind die Stirnseiten in der Regel mit zwei fest eingebauten Schlusssignalen, sonst mit zwei Signalstützen auszurüsten. Erforderlichenfalls müssen Aufsteigtritte und Handgriffe für das Anbringen der Signalmittel vorhanden sein.
(1) Die Triebfahrzeuge und andere führende Schienenfahrzeuge müssen folgende Ausrüstung haben:
1. Einrichtungen zum Geben hörbarer Signale mit zwei verschiedenen Tönen,
2. Bahnräumer,
3. Geschwindigkeitsanzeiger,
4. Zugbeeinflussung, durch die ein Zug selbsttätig zum Halten gebracht werden kann, wenn die zulässige Geschwindigkeit der Schienenfahrzeuge
a) mehr als 100 km/h bis höchstens 160 km/h beträgt oder
b) bis zu 100 km/h beträgt und die Schienenfahrzeuge auf Strecken mit Zugbeeinflussung verkehren,
5. Zugbeeinflussung, durch die ein Zug selbsttätig zum Halten gebracht und außerdem geführt werden kann, wenn die zulässige Geschwindigkeit der Schienenfahrzeuge mehr als 160 km/h beträgt,
6. Sicherheitsfahrschaltung, die bei Geschwindigkeiten von 20 km/h und mehr anspricht und bei Dienstunfähigkeit des Triebfahrzeugführers selbsttätig das Anhalten bewirkt, sofern das Triebfahrzeug nicht mit einem zweiten Betriebsbediensteten, der in Bezug auf Leistungsabschaltung und Schnellbremsung des Triebfahrzeuges unterwiesen wurde, besetzt ist,
7. Zugfunkeinrichtungen,
8. Funkenfänger und verschließbare Aschkasten, wenn feste Brennstoffe verfeuert werden und
Die Schienenfahrzeuge sind planmäßig auf ihre ordnungsgemäße Beschaffenheit wiederkehrend zu prüfen. Art, Umfang und Häufigkeit der wiederkehrenden Prüfung haben sich nach Zustand und Belastung der Schienenfahrzeuge sowie nach der zugelassenen Geschwindigkeit zu richten. Über die wiederkehrenden Prüfungen der Schienenfahrzeuge sind Aufzeichnungen zu führen.
(1) Züge sind die in der Regel auf die freie Strecke übergehenden, gekuppelten Gruppen von Regelfahrzeugen, sofern diese durch Maschinenkraft bewegt werden, oder einzeln fahrende Triebfahrzeuge. Geeignete Sonderfahrzeuge dürfen wie Züge behandelt oder in Züge eingereiht werden.
(2) Wendezüge sind vom Führerstand an der Spitze aus gesteuerte Züge, deren Leistung abgebende Triebfahrzeuge beim Wechsel der Fahrtrichtung den Platz im Zug beibehalten.
(3) Geschobene Züge sind Züge, deren Leistung abgebende Triebfahrzeuge nicht an der Spitze laufen und die nicht von der Spitze aus gesteuert werden.
(4) Nachgeschobene Züge sind vom Führerstand an der Spitze aus gesteuerte Züge, in die ein oder mehrere Leistung abgebende Triebfahrzeuge eingereiht sind, die dazu bestimmt sind, Druckkräfte nach vorne auf den Wagenzug auszuüben. Abweichend davon gelten Wendezüge nicht als nachgeschobene Züge.
(5) Betriebssteuernde Stellen sind jene mit einem oder mehreren Betriebsbediensteten besetzten Stellen, die sicherheitsrelevante Tätigkeiten zur Abwicklung von Zug-, Verschub- und Nebenfahrten sowie damit zusammenhängende Tätigkeiten operativ durchführen. Jeder betriebssteuernden Stelle ist ein Bereich zuzuordnen, für den sie zuständig ist.
(6) Die Person gemäß § 95 ist bei Bauarbeiten im Gefahrenraum von Gleisen Ansprechpartner für die betriebssteuernde Stelle.
(7) Bei Gleiswechselbetrieb können Streckengleise in beiden Richtungen signalmäßig befahren werden. Die Gleise werden als Regel- und Gegengleis bezeichnet, das Regelgleis ist festzulegen.
(8) Bei Richtungsbetrieb können Streckengleise nur in einer Richtung durchgehend signalmäßig befahren werden. Die Gleise werden als „richtiges Gleis“ und „falsches Gleis“ bezeichnet.
(9) Fahrten sind beabsichtigte Bewegungen von Schienenfahrzeugen und sind als Zug-, Neben- oder Verschubfahrten durchzuführen.
(10) Zugfahrten sind Fahrten mit Zügen innerhalb von Bahnhöfen, zwischen Bahnhöfen oder über mehrere Bahnhöfe hinweg. Sofern die hiefür erforderlichen betrieblichen und technischen Voraussetzungen erfüllt sind, dürfen Zugfahrten auch in Betriebsanlagen der freien Strecke beginnen oder enden.
Für Betriebsstellen und Strecken müssen betrieblich erforderliche Angaben vorhanden und allen hievon Betroffenen in geeigneter Weise zugänglich sein. Diese Angaben müssen mindestens beinhalten:
1. Anfangs- und Endpunkt der Strecke,
2. Anzahl der Streckengleise,
3. für zweigleisige Strecken Angaben über Richtungsbetrieb mit Angabe des Richtigen Gleises oder Gleiswechselbetrieb mit Angabe des Regelgleises,
4. Angaben über die Ausrüstung mit Oberleitung,
5. Angaben über die Art der Betriebsführung einschließlich Zugbeeinflussungs- und Zugsicherungssysteme und Signalsysteme,
6. Angaben über fernmeldetechnische Einrichtungen,
7. Angaben über Lichtraum und Lademaß,
8. Angaben zur Streckenklasse,
9. Bezeichnung und kilometrische Lage der Betriebsstellen, Namen und Zuständigkeitsbereiche der zuständigen betriebssteuernden Stelle,
10. kilometrische Lage von Eisenbahnkreuzungen und nicht-öffentlichen Eisenbahnübergängen und Angaben zu deren Sicherung,
11. Bezeichnung und kilometrische Lage der Tunnel,
Eisenbahnunternehmen haben für die von ihnen eingesetzten Betriebsbediensteten zu regeln, in welcher Form der Dienstantritt und die Dienstübergabe zu erfolgen haben.
(1) Als Beginn des Weichenbereiches gilt der Standort des den Weichenbereich deckenden Hauptsignals,
| in Bahnhöfen mit Trapeztafel die erste befahrene Weiche. |
Als Ende des Weichenbereiches gilt grundsätzlich das nächsterreichte Hauptsignal der Betriebsanlage; folgt kein Hauptsignal mehr, die letzte befahrene Weiche dieser Betriebsanlage.
(2) Im Weichenbereich ist eine Höchstgeschwindigkeit von 40 km/h einzuhalten, sofern keine abweichende Geschwindigkeit signalisiert wird oder eine geringere örtlich zulässige Geschwindigkeit einzuhalten ist.
(1) Das Eisenbahninfrastrukturunternehmen hat das Bedienen von Eisenbahnsicherungsanlagen und Signalen im Regelfall sowie bei Störungen dieser Einrichtungen zu regeln.
(2) Eisenbahnsicherungsanlagen müssen bedient werden, soweit sie bedienbar sind und ihre Bedienung nicht ausdrücklich untersagt ist.
(3) Sofern dem nichts entgegensteht, sind Signale rechtzeitig freizustellen. Hauptsignale müssen so rechtzeitig freigestellt werden, dass das zugehörige Vorsignal bereits in Freistellung angetroffen wird.
(4) Muss ein bereits freizeigendes Hauptsignal zurückgestellt werden und befindet sich die Zugfahrt bereits im Blockabschnitt vor diesem Signal, muss – ausgenommen im Gefahrsfall – die Zugfahrt vor der Rückstellung verständigt werden. Befindet sich das Vorsignal am Standort des rückgelegenen Hauptsignals, müssen mindestens zwei Blockabschnitte vor dem zurückzustellenden Hauptsignal frei sein.
(5) Nach Durchführung einer Fahrt müssen sich Signale grundsätzlich wieder in Haltstellung befunden haben, bevor eine Fahrt in gleicher Richtung auf dasselbe Gleis zugelassen werden darf. Ausnahmen müssen in der Bauart der Eisenbahnsicherungsanlage begründet sein.
(1) Als untauglich gelten Signale, die nicht frei- oder haltgestellt werden können oder dürfen. Untaugliche Signale sollen möglichst den Haltbegriff zeigen. Von in Freistellung untauglichen Signalen sind Zugfahrten schriftlich zu verständigen. An untauglichen Signalen darf nur über besonderen Auftrag vorbeigefahren werden.
(2) Sind alle Voraussetzungen für die Vorbeifahrt an einem untauglichen Signal erfüllt, darf Zugfahrten die Erlaubnis zur Vorbeifahrt an diesem untauglichen Haupt- oder Schutzsignal
1. mit Ersatz- oder Vorsichtssignal oder
2. mündlich bzw. mit schriftlichem Auftrag mit dem Wortlaut „… signal untauglich, Vorbeifahrt erlaubt“ oder
3. mit dem Signal „Vorbeifahrt erlaubt“, wenn die Fahrt von der Untauglichkeit dieses Signals mit dem Wortlaut „… signal der (Betriebsstelle) untauglich. Auf Signal Vorbeifahrt erlaubt achten, bei Fehlen anhalten.“ schriftlich beauftragt wurde,
erteilt werden.
(3) Nach der Vorbeifahrt an untauglichen Signalen darf die Geschwindigkeit im anschließenden Weichenbereich höchstens 40 km/h betragen, ausgenommen
1. es ist eine geringere örtlich zulässige Geschwindigkeit einzuhalten oder
2. mit der Führerstandsignalisierung wird eine andere Geschwindigkeit signalisiert oder
3. bei Fahrstraßen, bei denen bei tauglichem Signal eine geringere Geschwindigkeit signalisiert würde; in diesem Fall ist die Zugfahrt zuvor schriftlich zur Einhaltung der geringeren Geschwindigkeit zu beauftragen.
(4) Ist eine selbständige Meldung der Zugfahrt am Standort eines untauglichen Signals erforderlich, ist die Zugfahrt dazu mit dem Wortlaut „…signal des (Betriebsstelle) untauglich. Fahrterlaubnis einholen.“ schriftlich zu beauftragen.
(1) Bei Dienstruhe sind betriebssteuernde Stellen vorübergehend nicht besetzt. betriebssteuernde Stellen mit Dienstruhe sowie der Zeitraum der Dienstruhe sind durch das Eisenbahninfrastrukturunternehmen festzulegen.
(2) Die der betriebssteuernden Stelle zugeordneten Bahnhöfe, Blockstellen, Überleitstellen und Abzweigstellen sind während der Dienstruhe keine Zugfolgestellen.
(3) Für die Dienstruhe sind vom Eisenbahninfrastrukturunternehmen Regelungen zu erstellen. Diese müssen insbesondere folgende Bestimmungen enthalten:
1. Beginn und Ende der Dienstruhe,
2. Stellung sicherungstechnischer Einrichtungen,
3. Angaben zur Durchführung von Fahrten und
4. Verhalten bei Störungen und Notfällen.
(1) Bahnbenützende sind vor Gefährdung durch Fahrten zu schützen. Fahrten über schienengleiche Bahnsteigzugänge dürfen nur im betrieblich notwendigen Ausmaß und unter Einhaltung der Bestimmungen der Abs. 2 bis 4 zugelassen werden.
(2) Müssen Zugfahrten über schienengleiche Bahnsteigzugänge zugelassen werden, sind die schienengleichen Bahnsteigzugänge zu beaufsichtigen oder zu sperren. Die Beaufsichtigung oder Sperrung darf entfallen, wenn die Bestimmungen des § 20 Abs. 5 eingehalten sind und
1. die zulässige Geschwindigkeit in diesem Bereich 40 km/h nicht überschreitet und
2. die gemäß § 20 Abs. 5 Z 3 zu gewährleistende Sichtweite nicht durch abgestellte Schienenfahrzeuge eingeschränkt wird.
(3) Wird beim Anfahren einer Zugfahrt vor einem schienengleichen Bahnsteigzugang erkannt, dass Bahnbenützende im Begriff sind, den schienengleichen Bahnsteigzugang zu benützen, müssen die Bahnbenützenden in geeigneter Weise (beispielsweise durch Zuruf oder Signal „Achtung“) gewarnt werden.
(4) Werden Verschubfahrten über schienengleiche Bahnsteigzugänge notwendig, sind die schienengleichen Bahnsteigzugänge zu beaufsichtigen oder zu sperren. Ist das Beaufsichtigen oder Sperren in Ausnahmefällen nicht möglich, ist am schienengleichen Bahnsteigzugang mit Schrittgeschwindigkeit zu fahren. Diesfalls darf nur diese Fahrt über den schienengleichen Bahnsteigzugang zugelassen werden. Wird erkannt, dass Bahnbenützende im Begriff sind den schienengleichen Bahnsteigzugang zu benützen, müssen die Bahnbenützenden in geeigneter Weise (beispielsweise durch Zuruf oder Signal „Achtung“) gewarnt werden.
(5) Schienengleiche Bahnsteigzugänge dürfen nur im betrieblich notwendigen Zeitausmaß von Schienenfahrzeugen besetzt sein.
(6) Wird erkannt, dass Bahnbenützende die vorgesehenen Bahnsteigzugänge nicht benützen, müssen sie in geeigneter Weise (beispielsweise durch Zuruf oder Signal „Achtung“) gewarnt werden.
(1) Wird erkannt, dass Bahnbenützende im Begriff sind,
1. auf der falschen Seite ein- oder auszusteigen, oder
2. auf in Bewegung befindliche Schienenfahrzeuge auf- oder von diesen abzuspringen,
müssen sie in geeigneter Weise (beispielsweise durch Zuruf oder Signal „Achtung“) gewarnt werden.
(2) Benützt eine Zugfahrt nicht den vorgesehenen Bahnsteig, müssen die Bahnbenützenden in der betreffenden Betriebsstelle verständigt werden.
(3) Ist die Verständigung gemäß Abs. 2 nicht möglich, sind Zugfahrten schriftlich zu beauftragen, die Bahnbenützenden in der betreffenden Betriebsstelle zu verständigen und ihnen das Erreichen des Zuges zu ermöglichen. Ausgenommen bei Bahnsteigen mit schienenfreien Zugängen muss diesfalls der Verkehr so geregelt werden, dass Zugbegegnungen und Parallelfahrten im Bereich der betroffenen Bahnsteige vermieden werden.
(4) Die Maßnahmen gemäß Abs. 3 dürfen entfallen, wenn diese Zugfahrt ein anderes Gleis an demselben Insel- bzw. Mittelbahnsteig befährt.
(1) Das Eisenbahnverkehrsunternehmen hat geeignete Vorkehrungen für die Sicherheit der Reisenden in personenbefördernden Zügen zu treffen.
(2) Reisende in personenbefördernden Zügen müssen die Möglichkeit haben, in Notfällen mit einem Mitarbeiter des Eisenbahnverkehrsunternehmens Kontakt aufnehmen zu können, der entweder selbst Hilfe leisten oder für eine geeignete Hilfeleistung sorgen kann.
(3) Bei Dunkelheit und während der Durchfahrt durch Tunnels muss in Schienenfahrzeugen, in denen Personen befördert werden, für Beleuchtung gesorgt werden.
(4) Stirntüren müssen bei aufgehobenem Übergang abgesperrt sein.
(5) Das Eisenbahnverkehrsunternehmen hat im Einvernehmen mit dem Eisenbahninfrastrukturunternehmen geeignete Vorkehrungen für das sichere Verlassen des Zuges in Notfällen zu treffen.
(6) Eisenbahnverkehrsunternehmen haben hinsichtlich der Überfüllung von Zügen Vorkehrungen und Maßnahmen zu treffen, um die Sicherheit und Ordnung aufrecht zu erhalten.
(7) Bei Anhalten eines personenbefördernden Zuges an einem Bahnsteig sind die Reisenden über die Ausstiegseite zu verständigen. Diese Verständigung darf entfallen, wenn für den Fahrgastwechsel vorgesehene Türen, die keinem Bahnsteig gegenüberstehen, nicht für die Bedienung durch Reisende freigegeben werden.
(8) Bei Anhalten eines personenbefördernden Zuges außerhalb eines Bahnsteiges sind die Reisenden zu verständigen, dass das Aussteigen verboten ist. Diese Verständigung darf entfallen, wenn die für den Fahrgastwechsel vorgesehenen Türen nicht für die Bedienung durch Reisende freigegeben werden.
(9) Reisende in personenbefördernden Zügen sind von Abweichungen und Besonderheiten hinsichtlich des planmäßigen Laufes des jeweiligen Zuges zeitgerecht zu verständigen. Eine Verständigung über Verspätungen hat zu erfolgen, wenn eine Verspätung von zehn oder mehr Minuten erreicht oder absehbar ist.
(1) Betriebliche Aufträge der betriebssteuernden Stelle an Fahrten sind durch Signale, durch die Führerstandsignalisierung, mittels Fahrplan, schriftlich, mündlich oder fernmündlich zu erteilen.
(2) Schriftliche Aufträge der betriebssteuernden Stelle an Fahrten sind in doppelter Ausfertigung zu erstellen und müssen beinhalten
1. Bezeichnung der Fahrt,
2. Datum,
3. Bezeichnung der den Auftrag gebenden betriebssteuernden Stelle,
4. Auftrag,
5. Unterschrift des Auftraggebers, diese darf bei automationsgestützt erstellten schriftlichen Aufträgen durch die Namensangabe, oder eine Angabe durch die der Auftraggeber identifiziert werden kann, ersetzt werden, und
6. Unterschrift des Empfängers auf der Gleichschrift.
Das Original ist durch einen Betriebsbediensteten der ausführenden Stelle auszuhändigen, die Gleichschrift hat bei der ausfertigenden Stelle zu verbleiben. Der Empfang ist auf der Gleichschrift zu bestätigen. Im Zugausgangsbahnhof gleichzeitig erteilte schriftliche Aufträge sind in der Reihenfolge des Antreffens fortlaufend zu nummerieren; davon ausgenommen sind schriftliche Aufträge, die sich über den gesamten Zuglauf erstrecken. In schriftlichen Aufträgen dürfen nur vom Eisenbahninfrastrukturunternehmen festgelegte Abkürzungen verwendet werden.
(3) Schriftliche Aufträge der betriebssteuernden Stelle an Fahrten dürfen auch fernmündlich übermittelt werden. Bei fernmündlicher Übermittlung eines schriftlichen Auftrages haben die ausfertigende und die ausführende Stelle je eine Ausfertigung zu erstellen. Die Bestimmungen des Abs. 2 gelten mit folgenden Abweichungen:
(1) Bei Fahren auf Sicht ist die Geschwindigkeit des Schienenfahrzeuges so festzulegen, dass vor Hindernissen angehalten werden kann. Dies gilt nicht für jene Hindernisse, die erst innerhalb des Anhalteweges unerwartet in den Gefahrenraum des Gleises gelangen.
(2) Beim Fahren auf Sicht darf die Geschwindigkeit höchstens 40 km/h betragen.
(1) Gleise oder Gleisabschnitte, die von Schienenfahrzeugen mit angehobenen Stromabnehmern nicht befahren werden dürfen, sind vom Eisenbahninfrastrukturunternehmen festzulegen.
(2) Müssen Gleise oder Gleisabschnitte gemäß Abs. 1 von Schienenfahrzeugen mit Stromabnehmern befahren werden, darf dies mit gesenkten Stromabnehmern und je nach den örtlichen Verhältnissen mit Schwung, durch Rollenlassen oder mit Hilfe oberleitungsunabhängiger Schienenfahrzeuge erfolgen.
(3) Soll mit Schwung oder durch Rollenlassen gefahren werden, sind an den entsprechenden Stellen die Signale „Ankündigung Stromabnehmer tief“, „Stromabnehmer tief“ und „Stromabnehmer hoch“ zu errichten und ist der Triebfahrzeugführer dazu zeitgerecht schriftlich oder beim deckenden Signal fernmündlich mit genauer Angabe des jeweiligen Bereiches zu beauftragen.
(4) Abweichend von Abs. 3 darf die Beauftragung auch mittels Fahrplan erfolgen. In diesem Fall darf die Aufstellung der Signale „Ankündigung Stromabnehmer tief“ entfallen.
(5) Abweichend von Abs. 3 ist bei unvorhergesehenem Auftreten bis zur Aufstellung der Signale der schriftliche oder fernmündliche Auftrag alleine ausreichend, in diesem Fall ist die Aufstellung der Signale ehestmöglich nachzuholen.
(6) Kommt ein Schienenfahrzeug mit Stromabnehmer in einem Gleisabschnitt gemäß Abs. 1 zum Stillstand, ist das Anheben der Stromabnehmer nur über fernmündlichen Auftrag der betriebssteuernden Stelle zulässig.
(7) Bemerkt der Triebfahrzeugführer während der Fahrt den Ausfall der Oberleitungsspannung, hat er die Fahrt unverzüglich anzuhalten und mit der betriebssteuernden Stelle Kontakt aufzunehmen. Ist keine Gefahr erkennbar, dürfen Weichen und Eisenbahnkreuzungen freigefahren werden.
(8) Bemerkt der Triebfahrzeugführer während der Handlungen gemäß Abs. 7 die Rückkehr der Oberleitungsspannung, so darf die Fahrt fortgesetzt werden, sofern von der betriebssteuernden Stelle keine anderen Anordnungen getroffen wurden.
(1) Die Sperre eines Gleises („Gleissperre“) ist zu verfügen, wenn das Gleis von Zugfahrten nicht befahren werden darf. Gleise dürfen zur Gänze oder abschnittsweise gesperrt werden.
(2) Eine Gleissperre ist von der betriebssteuernden Stelle zu verfügen,
1. wenn das Gleis eine unbefahrbare Stelle aufweist oder
2. bei Vorfällen, wenn die Befahrbarkeit des Gleises zweifelhaft ist oder
3. bei Zugtrennung oder
4. bei fehlendem Schlusssignal, ausgenommen in Abschnitten mit tauglicher Gleisfreimeldeanlage oder
5. bei Streckenverladung.
Alle hievon Betroffenen müssen verständigt werden. Eine Gleissperre ist auch dann zu verfügen, wenn keine Zugfahrt erwartet wird.
(3) Vom Eisenbahninfrastrukturunternehmen sind geeignete Maßnahmen festzulegen, mit denen unbeabsichtigte Fahrten in gesperrte Gleise verhindert werden.
(4) Die Durchführung von beabsichtigten Fahrten in gesperrte Gleise ist durch das Eisenbahninfrastrukturunternehmen zu regeln.
(5) Die Gleissperre darf von der betriebssteuernden Stelle aufgehoben werden, wenn die Befahrbarkeit und das Freisein des Gleises selbst festgestellt oder durch einen vom Eisenbahninfrastrukturunternehmen dazu befugten Mitarbeiter gemeldet wurde.
(1) Stillstehende Schienenfahrzeuge sind gegen unbeabsichtigte Bewegung zu sichern, wenn es die Sicherheit erfordert. Die Sicherung ist so vorzunehmen, dass mindestens das Festhaltebremsgewicht aufgebracht wird.
(2) Die Durchführung der Sicherung ist von jenem Eisenbahnunternehmen zu regeln, das die jeweiligen Schienenfahrzeuge abstellt.
(3) Bevor gegen unbeabsichtigte Bewegung gesicherte Schienenfahrzeuge wieder bewegt werden, ist die Sicherung aufzuheben. Davon darf abgewichen werden, wenn zur Aufhebung der Sicherung ein Bewegen oder Ingangsetzen des Schienenfahrzeuges erforderlich ist.
(4) Triebfahrzeuge müssen beaufsichtigt werden, solange sie durch eigenen Kraftantrieb bewegungsfähig und gegen unbeabsichtigte Bewegung nicht besonders gesichert sind.
(5) Die Höhe der Hemmschuhe darf das Maß von 125 mm über Schienenoberkante nicht überschreiten.
Für den Fall völlig gestörter Verständigung zwischen den Zugfolgestellen haben die Eisenbahninfrastrukturunternehmen Regelungen zu erstellen.
Das Eisenbahninfrastrukturunternehmen hat festzulegen, durch wen und in welcher Weise während der Durchführung der Arbeiten im Gefahrenraum von Gleisen bei der Arbeitsstelle die betriebliche Koordination mit der betriebssteuernden Stelle wahrzunehmen ist. Dabei ist insbesondere die Erreichbarkeit zu regeln sowie sicherzustellen, dass diese Person der betriebssteuernden Stelle bei Beginn der Arbeiten und bei jeder Änderung namentlich bekannt gegeben wird.
(1) Das Betriebsverfahren „Keine Fahrten“ ist anzuwenden, wenn bei Arbeiten im Gefahrenraum von Gleisen der Gleisabschnitt von keinen Fahrten befahren werden darf.
(2) Zuständig für alle im Zusammenhang mit dem Betriebsverfahren „Keine Fahrten“ zu treffenden Maßnahmen ist das Eisenbahninfrastrukturunternehmen. Das Betriebsverfahren „Keine Fahrten“ ist von der betriebssteuernden Stelle zu verfügen. Alle hievon Betroffenen müssen verständigt werden.
(3) Vom Eisenbahninfrastrukturunternehmen sind geeignete Maßnahmen festzulegen, mit denen Fahrten in Gleisabschnitte, für die das Betriebsverfahren „Keine Fahrten“ verfügt ist, verhindert werden.
(4) Das Betriebsverfahren „Keine Fahrten“ darf von der betriebssteuernden Stelle aufgehoben werden, wenn die Gründe dafür weggefallen sind.
(1) Das Betriebsverfahren „gefährdete Rotte“ ist anzuwenden, wenn bei Arbeiten im Gefahrenraum von Gleisen für die Räumung des Gefahrenraumes eine mündliche oder fernmündliche Verständigung vor Zulassung einer Fahrt erforderlich ist. Die gefährdete Rotte ist durch die Person gemäß § 95 bei den zuständigen betriebssteuernden Stellen anzumelden.
(2) Bei der Anmeldung einer gefährdeten Rotte sind anzugeben:
1. kilometrische Lage der Arbeitsstelle, auf Streckengleisen mit Angabe der benachbarten Betriebsstellen,
2. auf mehrgleisigen Abschnitten das Arbeitsgleis oder die Arbeitsgleise,
3. voraussichtliche Dauer und
4. Name der Person gemäß § 95.
(3) Vom Eisenbahninfrastrukturunternehmen sind geeignete Maßnahmen festzulegen, mit denen unbeabsichtigte Fahrten in Gleisabschnitte, in denen gefährdete Rotten angemeldet sind, verhindert werden.
(4) Mit den Arbeiten darf erst nach Zustimmung der betriebssteuernden Stelle begonnen werden. Die betriebssteuernde Stelle darf die Zustimmung erst erteilen, wenn die erforderlichen Maßnahmen gemäß Abs. 3 getroffen wurden.
(5) Gefährdete Rotten sind vor Zulassung von Fahrten in den jeweiligen Abschnitt zu verständigen. Die Verständigung darf durch die Person gemäß § 95 erst bestätigt werden, wenn der Gefahrenraum des jeweils zu befahrenden Gleises geräumt ist.
(6) Nach Abschluss der Arbeiten oder bei Arbeitsunterbrechungen ist die gefährdete Rotte durch die Person gemäß § 95 bei den zuständigen betriebssteuernden Stellen abzumelden.
(1) Bau- und Instandhaltungsarbeiten mit Auswirkungen auf den Eisenbahnbetrieb sind in Abstimmung mit der Betriebsführung zeitgerecht zu planen, erforderlichenfalls sind entsprechende betriebliche Regelungen zu erstellen und allen hievon Betroffenen zeitgerecht zur Kenntnis zu bringen. Betroffene Eisenbahnverkehrsunternehmen sind im erforderlichen Umfang einzubeziehen.
(2) Im Zuge der Planung von Bau- und Instandhaltungsarbeiten gemäß Abs. 1 dürfen Gleisabschnitte zum Baugleis erklärt werden. Die räumliche Ausdehnung des Baugleises, die Absicherung gegen das Betriebsgleis sowie der Zeitraum, für den ein Gleisabschnitt zum Baugleis erklärt wird, sind exakt festzulegen. Die Abwicklung von Fahrten im Baugleis obliegt nicht der betriebssteuernden Stelle.
(3) Für die Abwicklung und Durchführung von Fahrten in Baugleisen sind im Zuge der Planung der Bau- und Instandhaltungsarbeiten entsprechende Regelungen zu erstellen und allen hievon Betroffenen zeitgerecht zur Kenntnis zu bringen. Diese Regelungen haben insbesondere zu enthalten:
1. Angabe der für die Abwicklung von Fahrten zuständigen Stelle,
2. Abwicklung und Durchführung von Fahrten innerhalb des Baugleises; bei mehreren Fahrten gleichzeitig ist Vorsorge zu treffen, dass diese einander nicht gefährden können,
3. Abwicklung und Durchführung von Fahrten sowie Koordinierung mit der betriebssteuernden Stelle bei Fahrten in das und aus dem Baugleis und
4. Zuständigkeit für Sicherungsmaßnahmen für Bauarbeiten im Gefahrenraum von Gleisen.
(4) Jede Stelle, an der ein Baugleis in ein Betriebsgleis übergeht oder einmündet, muss für beide Fahrtrichtungen eindeutig gekennzeichnet sein. Diese Kennzeichnung kann erfolgen durch:
1. Sperrschuhe mit Sperrsignal oder
(1) Für Fahrten müssen die für ihre Durchführung erforderlichen Informationen vorliegen.
(2) Ausgenommen im Fall des § 98 Abs. 2 dürfen Fahrten nicht durchgeführt werden, ohne dass die zuständige betriebssteuernde Stelle Kenntnis davon hat. Für Verschubfahrten gilt § 127 Abs. 3.
(3) Fahrten sind so durchzuführen, dass die aus
1. der befahrenen Infrastruktur,
2. den eingesetzten Schienenfahrzeugen,
3. dem Zusammenwirken der einzelnen eingesetzten Schienenfahrzeuge untereinander und mit der befahrenen Infrastruktur und
4. den betrieblichen Vorgaben
resultierenden Anforderungen sowie die Anforderungen bezüglich des eingesetzten Personals eingehalten werden und andere Fahrten nicht gefährdet werden.
(4) Die Annäherung von Fahrten ist Schrankenwärtern und Bewachern von Eisenbahnkreuzungen vor Zulassung der Fahrt in den jeweiligen Abschnitt fernmündlich anzukündigen.
(5) Bei Bauarbeiten im Gefahrenraum von Gleisen kann eine fernmündliche Ankündigung von Fahrten als zusätzliche betriebliche Maßnahme angeordnet werden.
(1) Zugfahrten sind durch das Eisenbahninfrastrukturunternehmen mit einer eindeutigen Zugnummer zu bezeichnen.
(2) Für jede Zugfahrt ist ein Fahrplan zu erstellen. Die Erstellung eines Fahrplanes darf für außerhalb des allgemeinen Personen-, Reisegepäck- oder Güterverkehrs stattfindende Überstellungs-, Probe- oder Messfahrten im Einzelfall entfallen, wenn die für die Durchführung dieser Zugfahrten erforderlichen Informationen durch das Eisenbahnunternehmen in anderer Weise zu Verfügung gestellt werden.
(3) Das erste Schienenfahrzeug eines Zuges muss nach vorne das Spitzensignal zeigen. Fehlt das Spitzensignal oder ist es unvollständig, ist die Zugfahrt im nächsten Bahnhof anzuhalten. Kann der Mangel nicht behoben werden, darf diese Zugfahrt mit einem oder zwei Lichtern fortgesetzt werden; alle hievon betroffenen Mitarbeiter sind zu verständigen. Die Zugfahrt ist schriftlich zu beauftragen, zur Sicherung nicht technisch gesicherter Eisenbahnkreuzungen erforderliche Bereiche, mit höchstens 60 km/h zu befahren. Die Spitze geschobener Züge muss nur bei Dunkelheit oder wenn Tagsignale nicht auf mindestens 100 m eindeutig erkennbar sind mit mindestens einem weißen Licht gekennzeichnet sein.
(4) Das letzte Schienenfahrzeug eines Zuges muss nach hinten das Schlusssignal zeigen. Das Schlusssignal darf beim Zug nur einmal angewendet werden. Abweichend davon darf bei Triebfahrzeugen am Zugschluss, die Schiebekräfte oder Leistung zur Eigenbewegung abgeben, zusätzlich das Schlusssignal am letzten Schienenfahrzeug des Wagenzuges verbleiben, wenn die hievon Betroffenen verständigt sind.
(5) Bei fehlendem oder nicht erkanntem Schlusssignal ist Zugtrennung anzunehmen und gemäß § 92 (Sperre von Gleisen) vorzugehen sowie die Vollständigkeit des Zuges festzustellen. Wurde die Vollständigkeit des Zuges festgestellt, und kann das Schlusssignal nicht ersetzt werden, darf mit behelfsmäßiger Kennzeichnung nur über die unbedingt notwendige Strecke weiter gefahren werden; alle hievon Betroffenen sind zu verständigen. In Abschnitten, deren Freisein durch taugliche technische Einrichtungen überprüft wird, darf die Sperre des Gleises entfallen.
(6) Züge werden betrieblich in personenbefördernde Züge und nicht personenbefördernde Züge eingeteilt. Im Sinne dieser Verordnung sind Züge, die dem Personenverkehr dienen, personenbefördernde Züge, alle übrigen Züge gelten als nicht personenbefördernde Züge.
(7) Züge, die nicht dem Personenverkehr dienen, in denen jedoch Militärangehörige, Postangehörige oder Ladungs- und Transportbegleiter mitbefördert werden, gelten im Sinne dieser Verordnung als nicht personenbefördernde Züge; für die Sicherheit von Personen in diesen Zügen gelten die Bestimmungen der §§ 87 Abs. 1, 88 (Sicherheit von Reisenden in personenbefördernden Zügen) und 115 Abs. 4 sinngemäß. Verfügen Schienenfahrzeuge, in denen solche Personen befördert werden, über keine Notbremseinrichtung gemäß § 74 Abs. 3, muss sichergestellt sein, dass die Personen in diesen Schienenfahrzeugen eine Sprechverbindung mit dem Triebfahrzeugführer herstellen können.
(1) Die Wagenzugmasse ist die Summe der Eigenmasse aller im Zug eingereihten Schienenfahrzeuge und der Massen ihrer Ladung. Die Massen Leistung abgebender Triebfahrzeuge bleiben unberücksichtigt.
(2) Die Gesamtzugmasse ist die Summe der Wagenzugmasse und der Masse aller Leistung abgebenden Triebfahrzeuge.
(3) Die Regelbelastung ist jener Wert der Wagenzugmasse, den ein Triebfahrzeug einer bestimmten Baureihe in den für den jeweiligen Fahrplan maßgebenden Fahrzeiten befördern kann.
(4) Die Zughakengrenzlast ziehender Triebfahrzeuge ist jener Wert der Wagenzugmasse, der in Abhängigkeit von der zu befahrenden Infrastruktur nicht überschritten werden darf.
(1) Züge müssen mit durchgehender Bremse gefahren werden.
(2) Die Bremsleistung eines Zuges muss ausreichend sein, um den Zug innerhalb der zulässigen Bremsweglänge zum Halten zu bringen. Der Zusammenhang zwischen Bremsweglänge, Streckenneigung, Bremsausgangsgeschwindigkeit und Bremshundertstel ist in der Bremstafel (Anlage 6) dargestellt. Die Ermittlung der Bremsleistung eines Zuges ist durch die Eisenbahnverkehrsunternehmen zu regeln.
(3) Als größte Bremsweglänge sind 1 500 m zulässig. Für Züge, die mit Zugbeeinflussung gemäß „§ 24 Abs. 7 geführt werden, gelten besondere Bremswege.
(4) Die Eisenbahninfrastrukturunternehmen haben über das Bremsen auf Strecken mit einer Neigung von mehr als 40 v.T. allgemeine Anordnungen im Sinne des § 21a EisbG, in der Fassung BGBl. I Nr. 205/2013 zu erlassen.
(5) Das letzte oder vorletzte sowie das erste Schienenfahrzeug eines Zuges muss eine wirkende Bremse haben. Hat das letzte Schienenfahrzeug keine wirkende Bremse, so darf es nicht mit Reisenden besetzt sein und nicht mit Großzettel 1 bis 9 gemäß dem Übereinkommen über den internationalen Eisenbahnverkehr (COTIF), Anhang C – Ordnung für die internationale Eisenbahnbeförderung gefährlicher Güter (RID), in der Fassung BGBl. III Nr. 33/2011, gekennzeichnet sein.
(6) Die für eine Zugfahrt erforderliche Bremsleistung ist vom Eisenbahninfrastrukturunternehmen festzulegen und dem Eisenbahnverkehrsunternehmen bekannt zu geben.
(7) Kann die erforderliche Bremsleistung gemäß Abs. 6 in Ausnahmefällen nicht aufgebracht werden, sind durch das Eisenbahnverkehrsunternehmen und das Eisenbahninfrastrukturunternehmen gemeinsam geeignete Maßnahmen festzulegen.
(8) Wird eine Bremsstörung erkannt, darf die Fahrt erst nach Behebung der Störung fortgesetzt werden. Erforderlichenfalls ist eine neuerliche Bremsprobe durchzuführen und zu prüfen, ob die erforderliche Bremsleistung weiterhin aufgebracht wird. Wird die erforderliche Bremsleistung nicht mehr aufgebracht, ist gemäß Abs. 7 vorzugehen.
(9) Abweichend von Abs. 5 darf nach Störungen die Fahrt von der Freien Strecke bis in den nächsten Bahnhof fortgesetzt werden, wenn die Wagen mit nicht wirkender Bremse nicht mit Reisenden besetzt sind.
(10) Alle tauglichen und mindertauglichen Bremsen sind einzuschalten. Abweichend davon dürfen nicht eingeschaltet werden:
1. Bremssysteme, deren Anwendung vom Eisenbahninfrastrukturunternehmen nicht zugelassen ist;
(1) Bevor ein Zug den Zugausgangsbahnhof verlässt, ist eine Bremsprobe vorzunehmen. Die Bremsprobe ist zu wiederholen wenn,
1. der Führerstand gewechselt wird oder
2. der Zug ergänzt oder getrennt wird, es sei denn, dass Schienenfahrzeuge bei gezogenen Zügen nur am Schluss oder bei geschobenen Zügen nur an der Spitze abgehängt werden oder
3. eine mangelhafte Bremswirkung festgestellt wird.
(2) Für die Durchführung der Bremsprobe ist das Eisenbahnverkehrsunternehmen verantwortlich, dem die Zugtrasse zugewiesen wurde.
(3) Es sind alle Bremssysteme zu erproben, deren Verwendung bei der jeweiligen Zugfahrt vorgesehen ist.
(4) Bei der durchgehenden Bremse hat die Bremsprobe
1. das Anlegen,
2. die Feststellung des ordnungsgemäß angelegten Zustandes,
3. das Lösen und
4. die Feststellung des ordnungsgemäß gelösten Zustandes
der Bremsen zu umfassen. Das Eisenbahnverkehrsunternehmen hat Regelungen zu erstellen, durch welche Betriebsbediensteten und an welchen Schienenfahrzeugen die Bremsprobe durchzuführen ist.
(5) Ist die Verwendung weiterer Bremssysteme vorgesehen, hat das Eisenbahnverkehrsunternehmen Regelungen für die Anwendung und Erprobung dieser Bremssysteme zu erstellen.
(6) Die Durchführung der Bremsprobe ist mit ihrem Ergebnis dem Triebfahrzeugführer und erforderlichenfalls weiteren hievon Betroffenen zu melden.
(1) Die in Züge eingereihten Schienenfahrzeuge müssen der Streckenklasse der jeweils zu befahrenden Infrastruktur entsprechen.
(2) Schienenfahrzeuge, gegebenenfalls einschließlich deren Ladung,
1. die in eine höhere Streckenklasse kategorisiert sind, als die Strecke, die sie befahren oder
2. die in keine Streckenklasse kategorisiert sind oder
3. mit außergewöhnlichen äußeren Abmessungen oder
4. mit außergewöhnlicher Beschaffenheit oder
5. mit außergewöhnlicher Verladeweise
(außergewöhnliche Sendungen), dürfen in Züge nur eingereiht werden, wenn entsprechende Maßnahmen festgelegt sind.
(3) Schienenfahrzeuge sowie die Ladung und deren Sicherung dürfen keine offensichtlich erkennbaren, die Betriebssicherheit beeinträchtigenden Mängel aufweisen; lose oder bewegliche Schienenfahrzeugteile müssen ordnungsgemäß festgelegt oder verwahrt werden.
(4) Für das Einreihen und die Beförderung von nicht Leistung abgebenden Triebfahrzeugen und Schneeräumfahrzeugen sind vom Eisenbahnverkehrsunternehmen unter Berücksichtigung der Vorgaben des Eisenbahninfrastrukturunternehmens entsprechende Regelungen zu erstellen.
(5) Für die Zugbildung ist jenes Eisenbahnverkehrsunternehmen verantwortlich, dem die Zugtrasse zugewiesen wurde.
(6) Das Eisenbahnverkehrsunternehmen hat Regelungen zu erstellen,
1. durch welche Betriebsbediensteten und an welchen Schienenfahrzeugen und Zügen die Prüfungen gemäß Abs. 3 durchzuführen sind, und
(1) Züge dürfen nicht länger sein, als es die Bremsverhältnisse, die Zug- und Stoßeinrichtungen, die in den Zügen auftretenden Längs- und Querkräfte und die von ihnen zu befahrenden Betriebsanlagen zulassen.
(2) Züge, deren Länge die Länge der jeweiligen Betriebsanlagen überschreitet, gelten als überlange Züge. Die Führung überlanger Züge ist nur zulässig, wenn die Sicherheit durch betriebliche Anweisungen gewährleistet ist.
(3) Personenbefördernde Züge dürfen nur dann länger als die Bahnsteige sein, wenn die Sicherheit beim Fahrgastwechsel durch betriebliche Anweisungen gewährleistet ist.
(1) Für die Vorbereitung der Zugfahrt ist jenes Eisenbahnverkehrsunternehmen verantwortlich, dem die Zugtrasse zugewiesen wurde.
(2) Die für die Zugfahrt notwendigen Daten der Schienenfahrzeuge sind aufzunehmen und darüber Aufzeichnungen zu erstellen. Diese Aufzeichnungen sind bei der Zugfahrt mitzuführen. Die für die Abwicklung der Zugfahrt durch das Eisenbahninfrastrukturunternehmen notwendigen Daten sind der betriebssteuernden Stelle bekannt zu geben.
(3) Bei der augenscheinlichen Aufnahme der Daten gemäß Abs. 2 ist auch auf die richtige Stellung von Einrichtungen der durchgehenden Bremse und auf die Einhaltung von Bestimmungen, welche die Reihung von Schienenfahrzeugen betreffen, zu achten.
(4) Das die Zugfahrt durchführende Eisenbahnverkehrsunternehmen hat vor Abfahrt des Zuges in jener Betriebsstelle, in der die Zugfahrt beginnt, sicher zu stellen, dass insbesondere
1. die Erprobung der Bremsen und die Bremsberechnung durchgeführt ist,
2. der ordnungsgemäße Kuppelzustand hergestellt ist,
3. die für die Zugfahrt erforderlichen Signale angebracht oder eingeschaltet sind,
4. die Schienenfahrzeuge sowie gegebenenfalls deren Beladung keine offensichtlich erkennbaren Mängel aufweisen,
5. Wagenverschlüsse wirksam sowie lose oder bewegliche Schienenfahrzeugteile ordnungsgemäß festgelegt oder verwahrt sind,
6. die benötigten Schienenfahrzeugsicherungsmittel im erforderlichen Umfang vorhanden und gebrauchsfähig sind,
7. dass sich unter dem Zug keine Schienenfahrzeugsicherungsmittel oder andere Hindernisse befinden und
Das Eisenbahnverkehrsunternehmen hat das Eisenbahninfrastrukturunternehmen umgehend über Änderungen an den Merkmalen des Zuges, durch die die Durchführung der Zugfahrt beeinträchtigt werden kann, sowie über Änderungen, durch die die Eignung des Zuges für seine zugewiesene Fahrplantrasse beeinträchtigt werden kann, zu verständigen.
(1) Der Fahrweg einer Zugfahrt umfasst
1. bei einfahrenden haltenden Zugfahrten den Gleisabschnitt von der Verschubhalttafel
| oder der Trapeztafel |
bis zum Ende des Einfahrgleises oder
2. bei Zugfahrten, die innerhalb eines durch Zwischen- oder Schutzsignale unterteilten Bahnhofes fahren (vorrückende Zugfahrt) den Gleisabschnitt vom Schlusssignal bis zum Ende des Einfahrgleises oder
3. bei ausfahrenden Zugfahrten den Gleisabschnitt vom Schlusssignal bis zur Verschubhalttafel
| oder der Trapeztafel. |
(2) Das Ende des Einfahrgleises ist das jeweils erst erreichte der folgenden Signale:
1. Ausfahrsignal;
2. Zwischensignal in Stellung „Halt“;
Muss ausnahmsweise in Bahnhöfen mit Ausfahrsignalen ein Gleis benützt werden, für das kein Ausfahrsignal vorhanden ist, ist die Zugfahrt schriftlich mit dem Wortlaut „Zug fährt ohne Ausfahrsignal aus“ zu beauftragen. Dieser schriftliche Auftrag darf erst erteilt werden, wenn alle Voraussetzungen für die Durchführung der Zugfahrt gegeben sind. Weichen im Ausfahrweg dürfen mit höchstens 40 km/h befahren werden.
(1) Zugfahrten dürfen nur über Fahrstraßen zugelassen werden. Fahrstraßen für Zugfahrten werden unterschieden in:
1. Zugstraßen: Fahrstraßen für die die Freistellung eines Haupt- oder Schutzsignals erfolgt. Die richtige Stellung und Sicherung der zur jeweiligen Fahrstraße gehörenden Weichen- und Flankenschutzeinrichtungen wird ab dem Startsignal durch die Eisenbahnsicherungsanlage gewährleistet.
2. Zughilfsstraßen: Fahrstraßen, für die keine Freistellung eines Haupt- oder Schutzsignals vorgesehen ist. Die richtige Stellung und Sicherung der zur jeweiligen Fahrstraße gehörenden Weichen und Flankenschutzeinrichtungen wird durch die Eisenbahnsicherungsanlage gewährleistet.
3. Ersatzstraßen: Fahrstraßen, für die keine Freistellung eines Haupt- oder Schutzsignals vorgesehen ist. Für die richtige Stellung der zur jeweiligen Fahrstraße gehörenden Weichen ist der Bediener der jeweiligen Eisenbahnsicherungsanlage zuständig; die Sicherung erfolgt mit Ersatzmaßnahmen entsprechend der Bauart der jeweiligen Eisenbahnsicherungsanlage. Auf die Stellung und Sicherung von Flankenschutzeinrichtungen darf verzichtet werden.
(2) Für die Einstellung von Fahrstraßen für Zugfahrten ist die Reihenfolge gemäß Abs. 1 verbindlich.
(3) Bevor eine Zugfahrt zugelassen wird, muss in Bahnhöfen eine Fahrstraßenprüfung durchgeführt werden. Diese hat zu umfassen:
1. die Prüfung, ob der Fahrweg einschließlich seiner Grenzmarken frei ist,
2. die Prüfung, ob keine anderen Fahrten die jeweilige Zugfahrt gefährden können, erforderlichenfalls sind gefährdende Fahrten einzustellen.
3. die Herstellung oder Überprüfung der richtigen Stellung der zur jeweiligen Fahrstraße gehörenden Weichen und Flankenschutzeinrichtungen und
Personenbefördernde Züge sind mit Mitteln für die erste Hilfeleistung auszurüsten.
(1) Die Folge der Zugfahrten ist durch Zugfolgestellen zu regeln. Örtlich nicht besetzte Zugfolgestellen sind einer besetzten Zugfolgestelle zuzuordnen. Zu den Zugfolgestellen zählen Bahnhöfe, Blockstellen, Überleitstellen und Abzweigstellen.
| Bei Zugleitbetrieb ist die Zugfolge durch Zuglaufmeldungen in Zuglaufmeldestellen zu regeln. |
(2) Ist die technische Sicherung gegen Folge- und Gegenzugfahrten in denselben Blockabschnitt untauglich,
| oder nicht vorhanden, |
ist die Sicherung gegen Folge- und Gegenzugfahrten durch entsprechende betriebliche Verfahren zu gewährleisten. Das Eisenbahninfrastrukturunternehmen hat die entsprechenden Regelungen zu erstellen.
(3) Zugfahrten dürfen einander nur im Abstand der Zugfolgestellen folgen. Der befahrene Gleisabschnitt darf nicht durch eine Fahrt der Gegenrichtung beansprucht sein. Von den Bestimmungen des ersten Satzes darf bei Einhaltung der Bestimmungen des Fahrens auf Sicht in den Fällen des § 124 (Anordnung des Fahrens auf Sicht) Abs. 1 Z 1, 2 und 5 abgewichen werden.
(4) Sofern nicht gemäß Abs. 1, zweiter Satz derselbe Betriebsbedienstete für die Zulassung von Fahrten in beiden benachbarten Zugfolgestellen zuständig ist, dürfen Schienenfahrzeuge, die nicht als Zugfahrt verkehren, nur mit Zustimmung der benachbarten Zugfolgestellen auf die freie Strecke gelassen werden.
(1) Die Geschwindigkeit, mit der ein Zug höchstens fahren darf (zulässige Geschwindigkeit), ist abhängig von
1. der Bauart der einzelnen Schienenfahrzeuge,
3. (Anm.: richtig wäre 2.) der Bremsleistung des jeweiligen Zuges (§ 102);
3. den Streckenverhältnissen,
4. den betrieblichen Verhältnissen,
5. den von Schienenfahrzeugen hervorgerufenen dynamischen Effekten und
6. den Bestimmungen der folgenden Absätze.
(2) Die zulässige Geschwindigkeit beträgt
1. für Züge mit durchgehender Luftbremse
a. 250 km/h, wenn Strecke und führende Schienenfahrzeuge mit Zugbeeinflussung mit der ein Zug selbsttätig zum Halten gebracht und außerdem geführt werden kann (§ 24 Abs. 7, § 77 Abs. 1 Z 5) ausgerüstet sind und diese wirksam ist, oder
b. 160 km/h, wenn Strecke und führende Schienenfahrzeuge mit Zugbeeinflussung (§ 24 Abs. 2 und 3, § 77 Abs. 1 Z 4) ausgerüstet sind und diese wirksam ist,
c. sonst 100 km/h;
(1) Arbeitende Triebfahrzeuge müssen während der Fahrt mit einem Triebfahrzeugführer besetzt sein; gesteuerte Triebfahrzeuge (§ 70 Abs. 4) dürfen unbesetzt sein.
(2) Der Triebfahrzeugführer muss sich während der Fahrt bei Triebfahrzeugen mit zwei Führerständen im vorderen Führerstand, bei Triebfahrzeugen, die von einem führenden Fahrzeug aus gesteuert werden, an der Spitze des Zuges aufhalten. Bei Verschubfahrten oder bei kurzen Rückwärtsbewegungen braucht er den Führerstand nicht zu wechseln; ferngesteuerte Verschubfahrten dürfen unbesetzt sein.
(3) Sofern in den Absätzen 4 und 7 nichts anderes bestimmt ist, sind führende Schienenfahrzeuge außerdem mit einem Betriebsbediensteten, der in Bezug auf Leistungsabschaltung und Schnellbremsung des Triebfahrzeuges unterwiesen wurde, zu besetzen, wenn sie keine wirksame Sicherheitsfahrschaltung haben.
(4) Arbeitende Dampflokomotiven sind, soweit erforderlich, mit einem Heizer zu besetzen.
(5) In den Führerständen der Triebfahrzeuge und Steuerwagen darf außer den dienstlich dazu berechtigten Personen niemand ohne Erlaubnis des Eisenbahnverkehrsunternehmens mitfahren.
(6) Für das Eisenbahninfrastrukturunternehmen ist der Triebfahrzeugführer Ansprechpartner für alle die Zugfahrt betreffenden betrieblichen Aufträge, Informationen und Verständigungen. Sind in den Zug mehrere mit Triebfahrzeugführern besetzte Triebfahrzeuge eingereiht, ist der Ansprechpartner der Triebfahrzeugführer des führenden Triebfahrzeuges.
(7) Das vorderste Schienenfahrzeug geschobener Züge ist mit einem Betriebsbediensteten zu besetzen. Der Betriebsbedienstete muss sich mit dem Triebfahrzeugführer verständigen können. Kann der Mitarbeiter an der Spitze nicht am ersten Schienenfahrzeug mitfahren, so muss er dem Zug vorausgehen.
Bei planmäßigen Fahrten soll das erste Fahrzeug zur Mitfahrt, zur Anbringung des Spitzensignals, zur Notbremsung mit der durchgehenden Luftbremse (z. B. Luftbremskopf) und zur Abgabe von Achtungssignalen eingerichtet sein.
(8) Für den Fall, dass der Triebfahrzeugführer den Führerstand verlassen muss, hat das Eisenbahnverkehrsunternehmen geeignete Vorkehrungen zu treffen, insbesondere ist zu veranlassen, dass:
1. der Zug gegen Entrollen gesichert wird,
2. der Zug gegen unbefugte Inbetriebnahme gesichert wird und
(1) Die Besetzung personenbefördernder Züge mit Zugbegleitern hat durch das Eisenbahnverkehrsunternehmen zu erfolgen. Für die Führung von personenbefördernden Zügen ohne Zugbegleiter ist hinsichtlich der Maßnahmen in Zusammenhang mit dem Fahrgastwechsel und dem Abfahren von personenbefördernden Zügen an Bahnsteigen das Einvernehmen mit dem Eisenbahninfrastrukturunternehmen herzustellen.
(2) Personenbefördernde Züge sind mit mindestens einem Zugbegleiter zu besetzen, sofern dessen betriebliche Aufgaben nicht von einem anderen geeigneten Betriebsbediensteten oder von technischen Einrichtungen übernommen werden. Sie dürfen ohne Zugbegleiter verkehren, wenn mindestens folgende Bedingungen eingehalten sind:
1. Die Gesamtzuglänge darf die Länge der Bahnsteige der Betriebsstellen mit planmäßigen Halten nicht übersteigen (ausgenommen sind Schienenfahrzeuge die nicht der Personenbeförderung dienen und sich abgesperrt am Zugschluss befinden); muss mit dem Triebfahrzeug über das Bahnsteigende hinaus gefahren werden, ist dies mit dem Eisenbahninfrastrukturunternehmen zu vereinbaren,
2. eine taugliche seitenselektive Türsteuerung muss vorhanden sein,
3. eine taugliche Türraumüberwachung mit Anzeige des Zustandes der Türen (geöffnet oder geschlossen) muss beim Triebfahrzeugführer für alle Schienenfahrzeuge die zur Personenbeförderung bestimmt sind, vorhanden sein,
4. die Schienenfahrzeuge müssen Türtaster oder Griffe besitzen, die so beschaffen sind, dass ein unbeabsichtigtes Hängenbleiben hintangehalten wird,
5. in jedem Einstiegsbereich muss zur Erfüllung der Anforderung des § 88 (Sicherheit der Reisenden in personenbefördernden Zügen) eine taugliche Fahrgastnotsprechstelle vorhanden sein und
6. taugliche Innen- und Außenbeschallungsanlagen müssen vorhanden sein.
(1) Der Zugverkehr ist so zu regeln, dass Behinderungen und Verspätungen möglichst vermieden sowie bereits aufgetretene Verspätungen möglichst verringert werden.
(2) Zugfahrten dürfen nur dann gleichzeitig zugelassen werden, wenn deren Fahr- und Schutzwege getrennt voneinander verlaufen. Schutzwege dürfen einander berühren.
(3) Eisenbahnunternehmen haben einander im erforderlichen Umfang und zum ehesten Zeitpunkt von geplanten Änderungen und unvorhergesehenen Abweichungen im Zugverkehr zu verständigen.
(4) Die Eisenbahnunternehmen haben sicherzustellen, dass alle hievon Betroffenen über den Zugverkehr im erforderlichen Umfang unterrichtet sind, und von Änderungen und Abweichungen rechtzeitig verständigt werden, oder erforderlichenfalls diesbezügliche Aufträge erhalten.
(5) Bahnbenützende sind von Abweichungen und Besonderheiten hinsichtlich des planmäßigen Laufes von personenbefördernden Zügen im Rahmen der technischen und betrieblichen Möglichkeiten zeitgerecht zu verständigen. Eine Verständigung über Verspätungen hat zu erfolgen, wenn eine Verspätung von zehn oder mehr Minuten erreicht oder absehbar ist. Die Zuständigkeiten und Vorgangsweisen bei der Verständigung der Bahnbenützenden sind vom Eisenbahninfrastrukturunternehmen und vom Eisenbahnverkehrsunternehmen einvernehmlich festzulegen.
(6) Personenbefördernde Züge dürfen nicht vor der öffentlich verlautbarten Abfahrtszeit abfahren, außer in besonderen, angeordneten Fällen, in denen die jeweilige Zugfahrt zum Vorsprungfahren unter Angabe des Ausmaßes schriftlich beauftragt wird.
(1) Im Bahnhof darf keine Zugfahrt ohne Zustimmung der betriebssteuernden Stelle abfahren.
(2) Die Zustimmung ist zu erteilen
1. durch den angezeigten Freibegriff an Hauptsignalen (ausgenommen Gruppenhauptsignalen), Signalnachahmern, Vorsignalen, Schutzsignalen, Signalen Zustimmung
| sowie Erlaubnissignalen |
oder
2. bei untauglichen Haupt- und Schutzsignalen (ausgenommen Gruppenhauptsignalen) durch die Erlaubnis zur Vorbeifahrt oder
3. auf Gleisen ohne zustimmende Signale und auf Gleisen mit Gruppenhauptsignalen durch einen Betriebsbediensteten mit dem Wortlaut: „Zustimmung zur Abfahrt für …(Zugnummer)… erteilt.“
| 4. Im Zugleitbetrieb durch die entsprechende Zuglaufmeldung. |
Stehen am selben Gleisabschnitt vor dem zustimmenden Signal mehrere Zugfahrten zur Abfahrt bereit, müssen vor Erteilung der Zustimmung jene Zugfahrten verständigt werden, für die die Zustimmung nicht gilt.
(1) Für die Beachtung und Befolgung der Signale ist der Triebfahrzeugführer des führenden Triebfahrzeuges zuständig. Weitere Betriebsbedienstete, die dem Triebfahrzeugführer zur Wahrnehmung seiner Aufgaben beigegeben sind, sind in dem Ausmaß zuständig, in dem sich dies aus ihrer Tätigkeit ergibt.
(2) Der Triebfahrzeugführer des führenden Triebfahrzeuges hat nach Möglichkeit Strecke und Oberleitung zu beobachten, um bei außergewöhnlichen Situationen rasch reagieren zu können. Er hat darauf zu achten, ob der Zugfahrt Signale gegeben werden.
(3) Bei geschobenen Zügen obliegen die Aufgaben der Abs. 1 und 2 dem an der Spitze des Zuges befindlichen Mitarbeiter.
(1) Die von Zügen befahrenen Gleise sind durch das Eisenbahninfrastrukturunternehmen festzulegen.
(2) Ein- und Ausfahränderungen sind von der betriebssteuernden Stelle zu verfügen.
(3) Wenn in Bahnhöfen mit Einfahr- oder Zwischenvorsignalen gemäß § 64 (Form – Vorsignal) auf Grund der Einfahränderung eine geringere Geschwindigkeit einzuhalten ist, als planmäßig für diese Zugfahrt vorgesehen wäre, ist die Zugfahrt zur Einhaltung der signalisierten Geschwindigkeit
1. mit schriftlichem Auftrag oder
2. durch Belassen des Einfahrvor- oder Zwischenvorsignals in Stellung „Vorsicht“ oder
3. durch Anhalten beim Einfahr- oder Zwischensignal
zu beauftragen.
(4) Als besetzt gilt ein Einfahrgleis, das nicht in der ganzen Länge des Fahrweges bis zum Ende des Einfahrgleises, einschließlich seiner Grenzmarken, frei oder befahrbar ist. Ab dem deckenden Signal
| oder ab der Trapeztafel |
muss nach den Bestimmungen des „Fahrens auf Sicht“ gefahren werden. Der Auftrag hat zu erfolgen:
1. durch Signalisierung oder
2. mit schriftlichem Auftrag oder
(1) Sofern keine betrieblichen Gründe entgegenstehen, haben Zugfahrten bis zum jeweiligen Ende des Einfahrgleises zu fahren.
(2) Abweichend zu Abs. 1 darf das Eisenbahninfrastrukturunternehmen für nicht personenbefördernde Züge für bestimmte Betriebsstellen (beispielsweise Verschiebebahnhöfe) zur Beschleunigung der Betriebsabläufe gesonderte Regelungen treffen, welche ein früheres Anhalten ermöglichen.
(3) Abweichend von Abs. 1 müssen planmäßig haltende personenbefördernde Züge – ausgenommen bei Betriebsaufenthalten –
1. in Betriebsstellen mit dem Signal „Haltepunkt“ mit der Zugspitze beim ersten erreichten Signal „Haltepunkt“ anhalten oder
2. so zum Stillstand kommen, dass die Bahnbenützenden möglichst leicht und sicher die Wagen erreichen oder verlassen können und Ladearbeiten möglich sind. Auf Bahnsteigzugänge ist soweit wie möglich Rücksicht zu nehmen. Zur besseren Orientierung dürfen Orientierungstafeln am Bahnsteigdach, an Masten und dergleichen angebracht sein.
(4) Muss die betriebssteuernde Stelle das Anhalten vor dem Ende des Einfahrgleise anordnen, so ist die Zugfahrt dazu schriftlich zu beauftragen. Der Haltepunkt ist
1. mit einem konkreten geografischen Bezugspunkt im schriftlichen Auftrag anzugeben oder
2. mit Haltscheibe zu kennzeichnen.
Im schriftlichen Auftrag ist anzugeben, ob eine Haltscheibe aufgestellt ist oder nicht.
(5) Zugspitze und Zugschluss eines im Bahnhof haltenden Zuges müssen so zum Stillstand kommen, dass Fahrten auf Nachbargleisen nicht behindert werden („grenzfrei“). Von diesem Grundsatz darf nur bei überlangen Zügen und bei Zügen, bei denen dies zur Erteilung schriftlicher Aufträge oder für den Triebfahrzeugführerwechsel zweckmäßig ist, abgewichen werden.
(1) Zugfahrten dürfen nur in begründeten Fällen außerplanmäßig angehalten werden.
(2) Die Zugfahrt ist zum außerplanmäßigen Anhalten zu beauftragen:
1. schriftlich, das Anhalten wird in diesem Fall einem planmäßigen Aufenthalt gleichgesetzt, oder
2. mittels Ausfahrvor- oder Zwischenvorsignal in Stellung „Vorsicht“ und dem darauf folgenden
a) Ausfahr- oder Zwischensignal in Stellung „Halt“ oder
b) Schutzsignal in Stellung „Fahrverbot“.
| (3) Ist eine schriftliche Beauftragung gemäß Abs. 2 Z 1 nicht möglich, ist eine bei der Trapeztafel anhaltende Zugfahrt dort mündlich zum außerplanmäßigen Anhalten zu beauftragen. Ist einer solchen Zugfahrt das Anhalten vor der Trapeztafel nicht im Fahrplan oder mit schriftlichem Auftrag vorgeschrieben, muss sie möglichst weit vor der Trapeztafel mit Gefahrsignal angehalten und mündlich zum außerplanmäßigen Anhalten beauftragt werden. |
(4) Aufenthalte dürfen entfallen, wenn sich die betriebssteuernde Stelle überzeugt hat, dass sie nicht benötigt werden. Öffentlich verlautbarte Aufenthalte von personenbefördernden Zügen dürfen nicht entfallen.
(5) Soll ein Aufenthalt entfallen, hat die betriebssteuernde Stelle die Zugfahrt zur Durchfahrt zu beauftragen. Dieser Auftrag kann erfolgen:
(1) Zur Einhaltung der Bestimmungen des § 99 Abs. 3 (Durchführung von Fahrten) hat das Eisenbahninfrastrukturunternehmen auf Grund der infrastrukturseitigen Kriterien festzulegen, auf welchen Streckenabschnitten und unter welchen Voraussetzungen nachgeschoben werden darf.
(2) Zur Einhaltung der Bestimmungen des § 99 Abs. 3 (Durchführung von Fahrten) hat das Eisenbahnverkehrsunternehmen auf Grund der fahrzeugseitigen Kriterien erforderliche Regelungen zu treffen.
(3) Nachschiebende Triebfahrzeuge müssen untereinander und mit dem Zug gekuppelt sein. Davon darf abgewichen werden, wenn das Nachschiebetriebfahrzeug im Bahnhof verbleibt („Anfahrhilfe“).
(1) Bleibt ein Zug auf der freien Strecke liegen und kann er seine Fahrt aus eigener Kraft nicht fortsetzen, hat das Zugpersonal, nach Durchführung der für die Sicherheit erforderlichen Maßnahmen, die betriebssteuernde Stelle zu verständigen.
(2) Die betriebssteuernde Stelle hat zu entscheiden, wie und in welcher Fahrtrichtung die Abbeförderung des liegen gebliebenen Zuges erfolgt, und hat erforderlichenfalls für die Verständigung der benachbarten betriebssteuernden Stelle und anderer hievon Betroffener im jeweiligen Streckenabschnitt zu sorgen.
(3) Wird eine Zugtrennung festgestellt, darf die Fahrt vorerst nicht fortgesetzt werden und ist die betriebssteuernde Stelle zu verständigen. Stehen Zugfunkeinrichtungen nicht zur Verfügung, darf zu diesem Zweck bis zum nächsten Fernsprecher, keinesfalls aber über das nächste Hauptsignal
| oder die nächste Trapeztafel |
hinaus gefahren werden.
(4) Jeder plötzliche Druckabfall in der Hauptluftleitung muss bis zur Klärung der Ursache als Zugtrennung angesehen werden.
(5) Die Zugteile sind durch das Zugpersonal gegen Entrollen zu sichern.
(6) Die betriebssteuernde Stelle hat das Streckengleis zu sperren und die für die Räumung erforderlichen Veranlassungen zu treffen.
(1) Fahren auf Sicht darf nur angeordnet werden bei:
1. Befahren nicht frei gemeldeter Gleisabschnitte im Störungsfall, wenn das Freisein nicht festgestellt werden kann oder
2. Einfahrt auf besetztes Gleis oder
3. nicht möglicher Ankündigung von Fahrten gemäß § 99 Abs. 4 oder
4. vermuteten oder erkannten Schäden an der Oberleitungsanlage, wenn das Befahren des betroffenen Gleises unumgänglich nötig ist oder
5. völlig gestörter Verständigung zwischen den Zugfolgestellen.
(2) Die Anordnung hat zu erfolgen
1. durch Signalisierung oder
2. mit schriftlichem Auftrag.
(3) Wird die Anordnung mit Vorsichtssignal erteilt, gilt sie bis zum nächsten Haupt- oder Schutzsignal. Bei Anordnung mit schriftlichem Auftrag muss der Bereich, in dem auf Sicht gefahren werden muss, im schriftlichen Auftrag abgegrenzt sein.
(1) Die Eisenbahnunternehmen müssen allen Betriebsbediensteten jene Vorschriften, betriebliche Anweisungen und fahrzeug- und streckenspezifische Informationen zur Verfügung stellen, die sie zur Durchführung ihrer Aufgaben benötigen. Diese Informationen müssen sowohl den Regelbetrieb als auch den Betrieb bei Abweichungen und Störungen umfassen.
(2) Das Eisenbahnverkehrsunternehmen hat unter Berücksichtigung der Netzzugangsbedingungen des Eisenbahninfrastrukturunternehmens zu regeln, welche Aufzeichnungen beim Zug zur sicheren und ordnungsgemäßen Durchführung der Fahrten erforderlich sind.
(3) Das Eisenbahninfrastrukturunternehmen hat zu regeln, welche Aufzeichnungen über den Betriebsablauf sowie zur sicheren und ordnungsgemäßen Durchführung der Fahrten erforderlich sind.
(1) Nebenfahrten sind durch das Eisenbahninfrastrukturunternehmen mit einer eindeutigen Nummer zu bezeichnen. Die Nummer kann mit Buchstaben ergänzt werden.
(2) Für jede Nebenfahrt ist eine Fahrtanweisung
| im Zugleitbetrieb ein Zuglaufblatt für Nebenfahrten |
zu erstellen, sofern für diese Nebenfahrt kein Fahrplan erstellt wurde.
(3) Für die Durchführung von Nebenfahrten sind durch das Eisenbahninfrastrukturunternehmen Regelungen zu erstellen.
(1) Verschubfahrten dürfen grundsätzlich innerhalb von Bahnhöfen und Anschlussstellen sowie innerhalb von mit Verschubhalttafeln ausgerüsteten Abzweigstellen und Überleitstellen durchgeführt werden.
(2) Art und Ausmaß des Verschubes sind vor Beginn mit der betriebssteuernden Stelle zu vereinbaren. Verschubfahrten sind so zu disponieren, dass Zugfahrten nur in betrieblich unumgänglichen Fällen behindert werden.
(3) Verschubfahrten über die Verschubhalttafel
| oder in Bahnhöfen ohne Einfahrsignal über die Grenzmarke der Einfahrweiche |
hinaus sind nur mit Zustimmung der benachbarten Zugfolgestelle und nach Setzen von Maßnahmen gegen unbeabsichtigte Fahrten in den betreffenden Abschnitt zulässig.
(4) Beim Verschub ist nach den Bestimmungen des Fahrens auf Sicht und mit höchstens 25 km/h zu fahren. Erfolgt eine verbindliche Verschubwegfreimeldung durch die betriebssteuernde Stelle, muss im freigemeldeten Bereich nicht nach den Bestimmungen des Fahrens auf Sicht gefahren werden und darf die Geschwindigkeit höchstens 40 km/h betragen.
(1) Treten außergewöhnliche Situationen auf, ist Ruhe und Besonnenheit zu bewahren. folgende Vorgangsweise ist einzuhalten:
1. Verhinderung von Gefährdungen,
2. erforderlichenfalls Leistung oder Anforderung von Hilfe,
3. Meldung des Vorfalls.
(2) Eisenbahnverkehrsunternehmen und Eisenbahninfrastrukturunternehmen müssen einander vor und während der Fahrt gegenseitig über Störungen informieren, die die Zugfahrt beeinträchtigen können.
(3) Hält eine Zugfahrt unvorhergesehen auf der freien Strecke und erfolgt der Auftrag zum Anhalten nicht mit einem Hauptsignal, hat das Zugpersonal so rasch wie möglich die Ursache festzustellen und nach Durchführung der für die Sicherheit erforderlichen Maßnahmen die betriebssteuernde Stelle zu verständigen. Die Weiterfahrt darf nur mit Zustimmung der betriebssteuernden Stelle erfolgen. Ist die Verständigung nicht möglich, darf auf Sicht bis zum nächsten Fernsprecher, keinesfalls jedoch über das nächste Hauptsignal
| oder die nächste Trapeztafel |
hinaus gefahren werden; bei dazwischen gelegenen Eisenbahnkreuzungen ist dabei wie bei gestörten Eisenbahnkreuzungen vorzugehen.
(4) Kommt eine Zugfahrt im Bahnhof unvorhergesehen zum Stillstand und erfolgt das Anhalten nicht mit einem Haupt- oder Schutzsignal, darf die Weiterfahrt nur mit Zustimmung der betriebssteuernden Stelle erfolgen.
(1) Die Betriebsbediensteten sind zur sicheren und ordnungsgemäßen Durchführung des Eisenbahnbetriebs zu verpflichten, wobei der Sicherheit der Vorzug zu geben ist.
(2) Die Betriebsbediensteten sind in der für einen sicheren und ordnungsgemäßen Betrieb erforderlichen Anzahl einzusetzen.
(3) Den Betriebsbediensteten sind die für Ihre Dienstausübung erforderlichen Dienstvorschriften und Dienstanweisungen zugänglich zu machen, und sie sind darüber nachweislich zu unterweisen.
(4) Über Betriebsbedienstete sind Aufzeichnungen zu führen, aus denen insbesondere ihre Art der Verwendung, Tauglichkeit, Ausbildung, Ergebnisse von Prüfungen, Beaufsichtigungen, Unterweisungen und Nachschulungen ersichtlich sein muss.
(1) Als Betriebsbediensteter darf nur tätig sein, wer
1. mindestens 18 Jahre alt ist,
2. geistig und körperlich tauglich ist,
3. nicht durch Tatsachen belastet ist, die ihn für die Tätigkeit als unzuverlässig erscheinen lassen,
4. über eine für die jeweilige Tätigkeit ausreichende Kenntnis der deutschen Sprache in Wort und Schrift verfügt,
5. die für die jeweilige Tätigkeit vorgesehenen Prüfungen erfolgreich abgelegt hat und
6. für die jeweilige Tätigkeit im erforderlichen Umfang unterwiesen ist.
(2) Die Tauglichkeit des Betriebsbediensteten ist vor erstmaliger Aufnahme der Tätigkeit unter Berücksichtigung der Art der Verwendung durch einen vom Eisenbahnunternehmen beauftragten Arzt festzustellen.
(3) Zur Tauglichkeit gehören auch ein ausreichendes Seh- und Hörvermögen. Betriebsbedienstete, die bei ihrer Tätigkeit farbige Signale zu beachten haben, müssen ausreichendes Farbunterscheidungsvermögen besitzen. Insbesondere muss ein Betriebsbediensteter
1. ohne oder mit Sehhilfe (Brillen, Kontaktlinsen) eine Sehschärfe nach Snellen von mindestens 0,5 auf einem Auge und mindestens 0,3 auf dem anderen Auge haben und
2. die Umgangssprache auf einem Ohr mindestens auf fünf Meter und auf dem anderen Ohr mindestens auf drei Meter verstehen.
(1) Das Eisenbahnunternehmen hat für Ausbildung und Prüfung der Betriebsbediensteten zu sorgen.
(2) Betriebsbedienstete sind unter Aufsicht von zuverlässigen und geeigneten Lehrbediensteten für ihre Tätigkeit auszubilden.
(3) Während der Ausbildung ist der Lehrbedienstete dafür zuständig, dass Betriebsanlagen und Schienenfahrzeuge ordnungsgemäß bedient werden.
(4) Nach Abschluss der Ausbildung hat der Betriebsleiter oder ein von ihm beauftragter geeigneter Betriebsbediensteter durch eine Prüfung die Eignung des Ausgebildeten für die vorgesehene Tätigkeit festzustellen.
(5) Nach bestandener Eignungsprüfung ist ein vom Betriebsleiter oder dessen Beauftragten gefertigter Ausweis auszustellen, aus dem hervorgeht, für welche Tätigkeit der Betriebsbedienstete befähigt ist. Dieser Ausweis ist vom Betriebsbediensteten während der Ausübung seines Dienstes mit sich zu führen. Der Ausweis ist einzuziehen, wenn die Voraussetzungen für seine Ausstellung nicht mehr gegeben sind.
(6) Betriebsbedienstete sind nach Abschluss ihrer Ausbildung in regelmäßigen Abständen, mindestens aber einmal jährlich, nachzuschulen.
(7) Für die Ausbildung und Prüfung von Triebfahrzeugführern gelten abweichend von den Abs. 1 bis 6 die Bestimmungen der Triebfahrzeugführer-Verordnung, BGBl. II Nr. 64/1999.
(8) Ausbildungen und Prüfungen, die den Bestimmungen der Eisenbahn-Eignungs- und Prüfungsverordnung (EisbEPV), BGBl. II Nr. 31/2013, entsprechen, ersetzen Ausbildungen und Prüfungen nach den §§ 130 und 131 soweit diese gleichwertiges Fachwissen vermitteln.
(1) Betriebsbedienstete haben die für ihre jeweilige Tätigkeit erforderlichen Dienstvorschriften und Dienstanweisungen zu beachten; diese sind ihnen vom Eisenbahnunternehmen in der jeweils geltenden Fassung nachweislich zur Verfügung zu stellen.
(2) Im Dienst müssen den Betriebsbediensteten die hiefür erforderlichen Unterlagen zur Verfügung stehen und haben Betriebsbedienstete die ihnen zur Verfügung gestellten Ausrüstungen ihrem Zweck entsprechend zu verwenden.
(3) Betriebsbedienstete haben den Weisungen des Betriebsleiters oder eines von ihm beauftragten Betriebsbediensteten, welche die Sicherheit und Ordnung berühren, unverzüglich nachzukommen.
(4) Betriebsbedienstete haben den Betriebsleiter oder einen von ihm beauftragten Betriebsbediensteten bei der Erfüllung seiner Aufgaben zu unterstützen und die erforderlichen Auskünfte zu erteilen.
(5) Betriebsbedienstete haben bei der Bedienung von Betriebsanlagen und Schienenfahrzeugen jene Sorgfalt anzuwenden, die eine sichere und ordnungsgemäße Betriebsführung gewährleistet.
(6) Betriebsbedienstete haben sich besonnen und rücksichtsvoll zu verhalten.
(7) Betriebsbediensteten ist es untersagt, während des Dienstes und der Dienstbereitschaft alkoholische Getränke oder andere die dienstliche Tätigkeit beeinträchtigende Mittel zu sich zu nehmen oder den Dienst anzutreten, wenn sie unter der Wirkung solcher Getränke oder Mittel stehen.
(8) Fahrbediensteten ist es untersagt, während des Fahrbetriebes Empfangs- und Wiedergabegeräte für Ton oder Bild zu anderen als betrieblichen Zwecken zu benützen.
(1) Betriebsbedienstete, die durch Krankheit oder Übermüdung bei der Dienstausübung beeinträchtigt sind, dürfen vom Eisenbahnunternehmen nicht eingesetzt werden.
(2) Fahrbedienstete, die Züge führen, begleiten oder abfertigen, oder Betriebsbedienstete, die Fahrgäste bedienen, dürfen für diese Tätigkeit nicht eingesetzt werden, solange sie oder ein Mitglied ihrer häuslichen Gemeinschaft an einer anzeigepflichtigen Krankheit leiden und die Gefahr einer Übertragung der Krankheit im Eisenbahnverkehr besteht.
(3) Betriebsbedienstete haben das Auftreten von Gründen, die gemäß Abs. 1 und 2 einen Diensteinsatz verhindern, der zuständigen Stelle zu melden. Die Modalitäten der Meldung sind von Eisenbahnunternehmen festzulegen.
(1) Die Bestimmungen der folgenden Absätze gelten für Betriebsanlagen und Schienenfahrzeuge,
1. für die vor Inkrafttreten dieser Verordnung eine eisenbahnrechtliche Baugenehmigung oder Bauartgenehmigung beantragt oder erteilt worden ist, oder
2. die vor Inkrafttreten dieser Verordnung aufgrund des § 36 Abs. 1 EisbG, in der Fassung BGBl. I Nr. 205/2013, genehmigungsfrei ausgeführt worden sind, oder
3. auf die § 36 Abs. 1 in Verbindung mit § 175 Abs. 18 EisbG, in der Fassung BGBl. I Nr. 205/2013, anzuwenden ist.
(2) Betriebsanlagen, die abweichend zu § 11 Abs. 1 keine Weichen haben und als Bahnhof bezeichnet sind, dürfen die Bezeichnung Bahnhof beibehalten und in der betrieblichen Abwicklung weiterhin als Bahnhof behandelt werden.
(3) Betriebsanlagen und Schienenfahrzeuge, die den § 20 Abs. 1, 2 und 6, § 22 Abs. 2, 3 und 4 sowie § 74 Abs. 1 nicht entsprechen, müssen nicht an diese Bestimmungen angepasst werden.
(4) Betriebsanlagen, die dem § 20 Abs. 5 Z 1 nicht entsprechen, müssen diesen Bestimmungen binnen 6 Monaten nach Inkrafttreten dieser Verordnung angepasst werden.
(5) Betriebsanlagen, die dem § 20 Abs. 5 Z 2 bis 5 in Verbindung mit den Bestimmungen des § 86 Abs. 2 nicht entsprechen, müssen nicht an diese Bestimmungen angepasst werden, wenn der Schutz von Bahnbenützenden, die schienengleiche Bahnsteigzugänge überschreiten müssen, durch andere geeignete Vorkehrungen gewährleistet ist.
(6) Betriebsanlagen die § 18 Abs. 2 nicht entsprechen, müssen nicht an diese Bestimmung angepasst werden, wenn es sich dabei um Übergänge handelt, die nur dem innerdienstlichen Verkehr dienen und geeignete Vorkehrungen getroffen sind.
(7) Betriebsanlagen und Schienenfahrzeuge, die den § 20 Abs. 3, § 25 Abs. 2 und 3 und § 77 Abs. 1 Z 7 nicht entsprechen, müssen diesen Bestimmungen spätestens bis zum Ablauf des 31. Dezember 2013 entsprechen.
(1) Dienstvorschriften gemäß § 7 und Dienstanweisungen gemäß § 8 der Eisenbahnverordnung 2003 (EisbVO 2003), BGBl. II Nr. 209/2003, in der Fassung BGBl. II Nr. 398/2008, von Eisenbahnunternehmen, die den Bestimmungen des 3. und 5. Abschnittes dieser Verordnung nicht entsprechen, sind binnen 30 Monaten nach Inkrafttreten dieser Verordnung anzupassen. Handelt es sich dabei um allgemeine Anordnungen an Betriebsbedienstete, die gemäß § 21a EisbG, in der Fassung BGBl. I Nr. 205/2013, der eisenbahnrechtlichen Genehmigungspflicht unterliegen, ist binnen 24 Monaten nach Inkrafttreten dieser Verordnung die Genehmigung der Änderung bei der Eisenbahnbehörde zu beantragen.
(2) Abweichend zu den Bestimmungen des Abs. 1 sind Dienstvorschriften gemäß § 7 und Dienstanweisungen gemäß § 8 EisbVO 2003, in der Fassung BGBl. II Nr. 398/2008, von Eisenbahnunternehmen, die für den Betrieb von solchen Betriebsanlagen und Schienenfahrzeugen erforderlich sind, auf die eine Übergangsbestimmung gemäß § 134 angewendet wird, in jenem Zeitpunkt zu ändern, in dem die jeweilige Betriebsanlage oder das jeweilige Schienenfahrzeug angepasst wird. Handelt es sich dabei um allgemeine Anordnungen an Betriebsbedienstete, die gemäß § 21a EisbG, in der Fassung BGBl. I Nr. 205/2013, der eisenbahnrechtlichen Genehmigungspflicht unterliegen, ist die Genehmigung der Änderung bei der Eisenbahnbehörde mindestens sechs Monate vorher zu beantragen.
(1) Die Verordnung BGBl. II Nr. 398/2008 wurde unter Einhaltung der Bestimmungen der Richtlinie 98/34/EG über ein Informationsverfahren auf dem Gebiet der Normen und technischen Vorschriften und der Vorschriften für die Dienste der Informationsgesellschaft, ABl. Nr. L 204 vom 21.07.1998 S. 37, zuletzt geändert durch die Richtlinie 2006/96/EG, ABl. Nr. L 363 vom 20.12.2006 S. 81, unter der Notifikationsnummer 2008/0336/A notifiziert.
(2) Die Verordnung, in der Fassung BGBl. II Nr. 156/2014, wurde unter Einhaltung der Bestimmungen der Richtlinie 98/34/EG unter der Notifikationsnummer 2013/0502/A notifiziert.
(1) Die Eisenbahnbau- und -betriebsverordnung in der Fassung BGBl. II Nr. 398/2008 tritt mit 1. Jänner 2009 in Kraft.
(2) § 1 Abs. 1, 5 und 6, § 2, die §§ 4 bis 9, § 11 Abs. 1, 4 und 7 bis 17, § 12 Abs. 3 und 4, § 13 Abs. 4 und 5, § 14 Abs. 4, die §§ 15 und 16, § 18 Abs. 2, § 19, § 20 Abs. 4 und 5, die §§ 21 bis 24, § 25 Abs. 2, der dritte Abschnitt, § 70 Abs. 1, 6 und 7, § 71 Abs. 1, § 73 Abs. 1 bis 3, § 74 Abs. 3 § 77 Abs. 1 und 15, § 79 Abs. 1 und 4 bis 21, die §§ 80 bis 101, § 102 Abs. 2 bis 12, die §§ 103 bis 112, § 113 Abs. 1, 2, 4, 5 und 7 bis 10, § 114 Abs. 1, 3, 5, 6 und 8, die §§ 115 bis 128, § 129 Abs. 3, § 130 Abs. 1, § 131 Abs. 8, § 132 Abs. 1 bis 4, § 133 Abs. 3 und die §§ 134 bis 137 dieser Verordnung, in der Fassung BGBl. II Nr. 156/2014, sowie die Änderung der Bezeichnung der bisherigen § 1 Abs. 2, 3, 6 und 7, § 2, § 3, § 4 Abs. 3, 4, 6 und 7, § 5 Abs. 1 und 2, § 6 Abs. 1 bis 3; § 7 Abs. 1 bis3, § 10, § 11 Abs. 1, § 13 Abs. 1 bis 3 und 6, § 16 Abs. 1, 3 und 4, § 17, § 18 Abs. 2 bis 5, § 19 Abs. 2, § 20, § 21 Abs. 4, § 22 Abs. 1, 2, 4 und 5, §§ 23 und 24, § 25 Abs. 2 bis 14, § 26, § 27 Abs. 2 und 3, § 28 Abs. 1, § 32 Abs. 3 und 6, § 35 Abs. 2, 4 und 6, § 36 Abs. 2, 3 und 5, § 37 Abs. 2 bis 7 § 38 Abs. 1 bis 7, § 39 Abs. 1 bis 4 und § 40 Abs. 1 und 2 treten mit 1. Oktober 2014 in Kraft.
| Bezeichnung | Messkreisdurchmesser der Räder | Mindestmaß | Höchstmaß | |
| Spurmaß (S R ) | 840 840 bis 330 | 1 410 1 ) 1 415 1 ) | 1 426 1 426 | |
| Abstand der inneren Stirnflächen (A R ) | 840 840 bis 330 | 1 357 2 ) 1 359 2 ) | 1 363 2 ) 1 363 2 ) | |
| Radreifen-/ Radkranzbreite (B R ) | ≥330 | 130 3 ) | 133 4 ) | 145 |
| Spurkranzdicke (S d ) 7 ) | ||||


(a) Bereich nicht in unmittelbarer Nähe der Räder
(b) Bereich in unmittelbarer Nähe der Räder
(c) Auswurfbereich für Hemmschuhe
(d) Bereich für Räder und für Bauteile, die mit der Schiene in Kontakt kommen
(e) Bereich für Räder
(f) Bereich für Gleisbremsen in gelöstem Zustand
l Spurweite
(1) Begrenzung außerhalb des Bereiches der Endradsätze
(2) Fiktive maximale Spurkranzbreite bei vorhandenen Führungsschienen
(3) Begrenzung der äußeren Radfläche und der mit dem Rad verbundenen Teile
(4) Raum für die maximale Höhe der Hemmschuhe
(5) In diesen Bereich darf kein Element des Fahrzeuges eindringen
(6) Begrenzung der inneren Radfläche, wenn der Radsatz an der gegenüberliegenden Schiene
anliegt. (Abhängig von der Spurerweiterung)
(7) Raum für Hemmschuhe
(8) Rollebene

Anhänge
image001.pngPNG| Signale |
| Inhaltsverzeichnis |
| 1. Hauptsignal (§ 29) |
| 2. Vorsignal (§ 30) |
| 3. Schutzsignal (§ 31) |
| 4. Geschwindigkeitsanzeiger (§ 32) |
| 5. Geschwindigkeitsvoranzeiger (§ 33) |
| 6. Gelbes Trapez (§ 34) |
| 7. Signalnachahmer (§ 35) |
| 8. Abstandstafel (§ 36) |
| 9. Signal außer Betrieb (§ 37) |
| 10. Ersatzsignal (§ 38) |
| 11. Vorsichtssignal (§ 39) |
| 12. Vorbeifahrt erlaubt (§ 40) |
| 13. Kennzeichnung (§ 41) |
| 14. Sperrsignale (§ 42) |
| 15. Langsamfahrsignale (§ 43) |
| 16. Oberleitungssignale (§ 44) |
In dieser Anlage werden folgende Abkürzungen verwendet:
| M.S. | maßgebende Steigung [‰] |
| M.G. | maßgebendes Gefälle [‰] |
| Bwl | Bremsweglänge [m] |
| MBH | Mindestbremshundertstel [%] |
| FBH | Festhaltebremshundertstel [%] |
Erforderliche Festhaltebremshundertstel:
| Neigung bis einschließlich [‰] | FBH [%] |

Anhänge
image001.pngPNG(1) Diese Verordnung richtet sich an Eisenbahnunternehmen und gilt für den Bau und Betrieb von Eisenbahnen und für den Betrieb von Schienenfahrzeugen auf Eisenbahnen auf normalspurigen Haupt- und Nebenbahnen im Sinne des § 4 Abs. 1 und 2 des Eisenbahngesetzes 1957 (EisbG), BGBl. Nr. 60/1957, in der Fassung BGBl. I Nr. 205/2013.
(2) Zusätzlich gelten die Bestimmungen
1. des 1. Abschnitts (Allgemeines),
2. der §§ 52 (Hand – Verschubsignale), 54 (Bremsprobesignale), 55 (Abfertigungssignale), 58 (Gefahrsignal) und
3. des 6. Abschnitts (Betriebsbedienstete)
für den Bau und Betrieb von Eisenbahnen und für den Betrieb von Schienenfahrzeugen auf Eisenbahnen auf allen Haupt- und Nebenbahnen im Sinne des § 4 Abs. 1 und 2 EisbG, in der Fassung BGBl. I Nr. 205/2013.
(3) Die in voller Breite einer Seite gedruckten Bestimmungen dieser Verordnung gelten für Haupt- und Nebenbahnen,
| die auf der linken Hälfte einer Seite nur für Hauptbahnen. | die auf der rechten Hälfte einer Seite nur für Nebenbahnen. |
(4) Die Bestimmungen für Neubauten gelten auch für umfassende Umbauten.
(5) Die Bestimmungen für Neubauten sind bei der Instandhaltung und Erneuerung so weit zu berücksichtigen, als die hiedurch bedingten Änderungen keine unverhältnismäßig hohen Kosten verursachen.
(6) Die Bestimmungen dieser Verordnung gelten, soweit nicht durch eine einschlägige anzuwendende Technische Spezifikationen für die Interoperabilität (TSI) im Sinne des § 101 EisbG, in der Fassung BGBl. I Nr. 205/2013, etwas anderes bestimmt ist.
(7) Soweit in dieser Verordnung personenbezogene Bezeichnungen wie beispielsweise Betriebsleiter, Triebfahrzeugführer oder Arzt nur in männlicher Form angeführt sind, beziehen sie sich auf Frauen und Männer in gleicher Weise.
(8) Im Sinne dieser Verordnung bedeutet „Sicherheit und Ordnung“ „Sicherheit und Ordnung des Betriebes der Eisenbahn, des Betriebes von Schienenfahrzeugen auf der Eisenbahn und des Verkehrs auf Eisenbahnen“.
7. Bahnbenützende: Fahrgäste und Personen, die Fahrgäste begleiten oder abholen, sowie alle sonstigen Personen, die sich nicht für Zwecke der Abwicklung des Betriebes oder des Verkehrs der Eisenbahn auf Eisenbahnanlagen oder in Schienenfahrzeugen aufhalten (z. B. Güterverkehrskunden, Reinigungspersonal, Bauarbeiter von Nicht-Eisenbahnunternehmen).
(5) Soweit es die örtlichen Verhältnisse erfordern,
1. ist das für Bahnbenützende im Einzelfall gebotene Verhalten, wie es die Sicherheit und Ordnung sowie die Rücksichtnahme auf andere gebietet, unter Berücksichtigung der Bestimmungen der Kennzeichnungsverordnung (KennV), BGBl. II Nr. 101/1997, kundzumachen und
2. sind Hinweise auf Einrichtungen nach Abs. 2 sowie Hinweise auf Verkehrswege anzubringen.
1. sich das zugehörige Signal in Freistellung befindet und
2. bei Signalen, die durch die Fahrt in Haltstellung gelangen, die zugehörige Fahrstraße (Teilfahrstraße) nicht aufgelöst ist.
(12) Abhängigkeit liegt vor, wenn ortsbediente Weichen auf der freien Strecke technisch in der erforderlichen Stellung festgehalten sind, solange sich ein Ausfahrsignal (Blocksignal) in Freistellung befindet oder ein besetzter Blockabschnitt angezeigt wird.
(13) Fahrwege sind die von Fahrten befahrenen Weichen und Gleisabschnitte.
(14) Schutzwege sind die in bestimmten Fällen an das Ende eines Fahrweges anschließenden Bereiche, in die hinein keine Fahrten zulässig sind.
(15) Fahrstraßen sind gesicherte Fahrwege, gegebenenfalls einschließlich Schutzweg und Flankenschutzeinrichtungen.
(16) Die örtlich zulässige Geschwindigkeit ist jene vom Eisenbahninfrastrukturunternehmen festgelegte Geschwindigkeit, die unter Berücksichtigung aller technischen Gegebenheiten der Infrastruktur für durchgehende Hauptgleise zur Erstellung der Fahrplangrundlagen herangezogen wird. Das Eisenbahninfrastrukturunternehmen darf in Bahnhöfen zusätzliche Hauptgleise zur Berechnung der Fahrplangrundlagen heranziehen.
(17) Die Radsatzlast ist die Summe der durch einen Radsatz oder ein Paar unabhängiger Räder auf das Gleis wirkenden statischen vertikalen Radkräfte dividiert durch die Fallbeschleunigung.
| Auf Strecken ohne technische Sicherung der Zugfolge darf die Herstellung der Abhängigkeit entfallen, die Sicherung der Weichen ist jedoch erforderlich. |
(3) Für nicht an eine elektrische oder elektronische Eisenbahnsicherungsanlage angeschlossene Weichen ist eine Grundstellung zu bestimmen, wenn Fahrten über diese Weichen Fahrten auf den Hauptgleisen gefährden können.
(4) Für Zugfahrten sind Flankenschutzvorkehrungen zu treffen. Als Flankenschutzeinrichtung aus Anschlussbahnen sowie aus Gleisen, auf denen planmäßig Ladearbeiten stattfinden, sind Sperrschuhe oder Schutzweichen zu errichten. Für Hauptgleise, die mit mehr als 160 km/h befahren werden, sind als Flankenschutzeinrichtung aus Hauptgleisen Schutzweichen, aus Nebengleisen Schutzweichen oder Sperrschuhe, zu errichten.
(5) Für Zugfahrten sind Schutzwegvorkehrungen zu treffen. Die Länge des Schutzweges ist vom Eisenbahninfrastrukturunternehmen unter Berücksichtigung der örtlichen Verhältnisse und der nachfolgenden Bestimmungen festzulegen:
1. An den Fahrweg hat ein Schutzweg von mindestens 50 m anzuschließen.
2. Der Schutzweg darf entfallen, wenn die mit ortsfesten Signalen signalisierte Einfahrgeschwindigkeit nicht mehr als 40 km/h beträgt und das Ende des Einfahrgleises gemäß § 108 Abs. 2 signalisiert ist.
3. Von den Bestimmungen der Z 1 und 2 darf bei Errichtung einer Zugbeeinflussung, durch die ein Zug selbsttätig zum Halten gebracht und außerdem geführt werden kann, abgewichen werden, wenn die Sicherheit auf andere Weise gewährleistet ist.
(6) Sperrschuhe dienen dem Schutz von Fahrten auf Hauptgleisen. Sperrschuhe dürfen auch zur Absicherung anderer Stellen, die vor dem Anrollen von Schienenfahrzeugen geschützt werden sollen, verwendet werden.
(7) Sperrschuhe sind so zu errichten, dass
1. auf Sperrschuhe auflaufende Schienenfahrzeuge Fahrten auf Hauptgleisen nicht gefährden und
2. die Wirksamkeit des Sperrschuhes nicht beeinträchtigt wird.
(8) Auf Hauptgleisen dürfen Sperrschuhe nicht errichtet werden.
4. Blocksignale zur Unterteilung der freien Strecke in Blockabschnitte. Blockstellen der freien Strecke sind durch Blocksignale zu sichern.
| Bei Zugleitbetrieb sind Blockstellen mit Trapeztafeln anzuzeigen. |
5. Deckungssignale zur Deckung von Gefahrstellen auf der freien Strecke. Abzweigstellen, Überleitstellen und schienengleiche Kreuzungen von Haupt- und Nebenbahnen außerhalb von Bahnhöfen sind durch Deckungssignale zu sichern. Deckungssignale dürfen auch die Funktion von Blocksignalen übernehmen.
(2) Hauptsignale dürfen auf Grund örtlicher Gegebenheiten gleichzeitig als Einfahr-, Ausfahr-, Deckungs- oder Zwischensignal verwendet werden.
(3) Hauptsignale, die für mehr als ein Gleis gültig sind werden als Gruppenhauptsignale bezeichnet. Gruppenhauptsignale sind mit Schutzsignalen
| oder Erlaubnissignalen und Signalen Fahrwegende |
zu ergänzen.
(4) Die Grundstellung für Hauptsignale ist die Stellung „Halt“, eine andere Stellung ist zulässig
1. bei Hauptsignalen in Gleisabschnitten mit selbsttätiger Streckenblockung, oder
2. bei Hauptsignalen in Betriebsanlagen, die für längere Dauer oder in regelmäßig wiederkehrenden Zeitabschnitten an der Regelung der Zugfolge nicht beteiligt sind.
(5) Die Freibegriffe der Hauptsignale sind wie folgt zu verwenden:
1. „Frei“: wenn der anschließende Fahrweg mit örtlich zulässiger Geschwindigkeit befahren werden darf. Abweichend davon ist bei Hauptsignalen, die für Fahrten auf mehrere Streckengleise gelten, der Begriff „Frei“ nur für das Streckengleis mit der größten örtlich zulässigen Geschwindigkeit zu verwenden;
2. „Frei mit 60 km/h“: wenn der anschließende Fahrweg nicht mit der örtlich zulässigen Geschwindigkeit, jedoch mit mindestens 60 km/h befahren werden darf;
3. „Frei mit 40 km/h“
a) wenn der anschließende Fahrweg nicht mit der örtlich zulässigen Geschwindigkeit und mit weniger als 60 km/h befahren werden darf oder
b) bei Einfahrten auf ein Stumpfgleis, ausgenommen die zulässige Geschwindigkeit wird mit einem Geschwindigkeitsanzeiger mit der Kennziffer 4 herabgesetzt, oder
c) bei Fahrten auf ein Schutzsignal, das nicht auf Bremsweglänge aufgestellt ist.
Wird mit den Signalbegriffen gemäß Z 1 bis 3 nicht das Auslangen gefunden, sind zusätzlich Geschwindigkeitsanzeiger zu errichten.
(6) Eine am Hauptsignal signalisierte Geschwindigkeit ist grundsätzlich im gesamten Weichenbereich einzuhalten. Änderungen der Geschwindigkeit innerhalb des Weichenbereiches sind mit Geschwindigkeitsanzeiger zu signalisieren. Bei tauglicher Führerstandsignalisierung ist die mit der Führerstandsignalisierung signalisierte Geschwindigkeit einzuhalten.
(7) Zu einer Signalgruppe gehörende Hauptsignale sind so zu errichten, dass der Triebfahrzeugführer einer sich nähernden Fahrt ein klares und eindeutiges Bild erhält und die Hauptsignale ab der erforderlichen Sichtweite in der richtigen Reihenfolge nebeneinander erblickt. Ist dies auf Grund der örtlichen Verhältnisse nicht möglich, sind Signalnachahmer so zu errichten, dass keine Verwechslungsgefahr entsteht.
(8) Zu einer Signalgruppe gehörende Hauptsignale sind so zu errichten, dass
1. die gedachte Verbindungslinie zwischen den Signalschildern rechtwinkelig oder schräg bzw. V-förmig zur Gleisachse verläuft und
2. die Rotlichter in möglichst gleicher Höhe über Schienenoberkante liegen.
(9) Auf der freien Strecke sind bei mehrgleisigen Streckenquerschnitten die Hauptsignale so zu errichten, dass
1. die gedachte Verbindungslinie zwischen den Signalschildern rechtwinkelig zur Gleisachse verläuft und
2. die Rotlichter in möglichst gleicher Höhe über Schienenoberkante liegen.
(10) Von den Bestimmungen der Abs. 8 und 9 darf abgewichen werden, wenn es die örtlichen Verhältnisse erfordern.
(11) Die erforderliche Sichtweite auf Hauptsignale richtet sich nach der Geschwindigkeit, es gilt die Sichtweite gemäß § 27 Abs. 3. Kann die erforderliche Sichtweite nicht erreicht werden, sind Signalnachahmer zu errichten. Abweichend von den Bestimmungen des ersten Satzes und abweichend von § 27 Abs. 2 und 3 richtet sich die erforderliche Sichtweite auf Hauptsignale, die nur Start von Zugstraßen sein können, nach den örtlichen Verhältnissen.
3. ein Vorsignal muss im Fall des Abs. 7 Z 2 für jene Verzweigungsrichtung, in der innerhalb der nächsten 2000 m kein Hauptsignal folgt, den Begriff „Hauptsignal frei“ zeigen,
| 4. wenn es die Sicherheit und Ordnung zulässt, darf bei örtlich zulässigen Geschwindigkeiten bis einschließlich 60 km/h ständig der Begriff „Vorsicht“ signalisiert werden und dürfen die gelben Lichter durch zwei gelbe Rückstrahlflächen ersetzt werden. |
(4) Das Signalschild des Vorsignals ist weiß zu umranden, wenn mit dem Begriff „Vorsicht“ an diesem Vorsignal für mindestens einen ab diesem Signal möglichen Fahrweg
1. ein Schutzsignal in Stellung „Fahrverbot“ oder
2. ein Geschwindigkeitsanzeiger mit Herabsetzung der Geschwindigkeit
angekündigt werden soll. Die weiße Umrandung hat zu entfallen, wenn die zulässige Geschwindigkeit beim Vorsignal höchstens 40 km/h beträgt.
(5) Der Abstand zwischen dem Hauptsignal und dem zugehörigen Vorsignal muss mindestens so groß sein wie die Bremsweglänge (§ 102 Abs. 2 und 3), jedoch mindestens 400 m betragen.
| Wenn es die örtlichen Verhältnisse erfordern und die betrieblichen Verhältnisse zulassen, darf der Mindestabstand von 400 m bis auf 200 m unterschritten werden. |
Die Ermittlung der Aufstellungsentfernung hat gemäß Anlage 6 (Bremstafel) unter Berücksichtigung der Längsneigung zu erfolgen. Als Bremsausgangsgeschwindigkeit ist die am Standort des Vorsignals zulässige Geschwindigkeit zugrunde zu legen. Eine Vergrößerung des Vorsignalabstandes auf höchstens 2000 m ist zulässig zur
1. Erreichung übersichtlicher Signalanordnungen oder
2. Erreichung der erforderlichen Sichtweite oder
3. Anordnung an vorhandenen Signalen oder Signalbrücken oder
4. Vermeidung eines Signalstandortes im Tunnel.
(6) Zwischen einem Vorsignal und dem zugehörigen Hauptsignal darf kein weiteres Vorsignal oder Hauptsignal errichtet sein. In einem Bereich von 100 m vor einem Vorsignal darf kein Hauptsignal errichtet sein.
(7) Vorsignale sind so zu errichten, dass keine Zugfahrt an einem Vorsignal vorbeifahren muss, auf das kein Hauptsignal folgt. Davon darf abgewichen werden, wenn
1. das Ende des Einfahrgleises durch ein
a) Schutzsignal in Stellung „Fahrverbot“ oder
b) Signal „Fahrwegende“ oder
c) Sperrsignal am Stumpfgleisabschluss
signalisiert ist, oder
2. ein Vorsignal vor einer Verzweigungsweiche aufgestellt werden muss, jedoch nur für die eine Verzweigungsrichtung erforderlich ist und gleichzeitig der höchstens zulässige Vorsignalabstand von 2 000 m bis zum nächsten Hauptsignal der anderen Verzweigungsrichtung überschritten würde.
(8) Die erforderliche Sichtweite auf Vorsignale richtet sich nach der Geschwindigkeit, es gilt die Sichtweite gemäß § 27 Abs. 3. Kann die erforderliche Sichtweite nicht erreicht werden, darf die Sichtweite im unbedingt erforderlichen Ausmaß bis auf die Hälfte der erforderlichen Sichtweite – jedoch nicht unter 100 m – vermindert werden. Diesfalls ist dafür zu sorgen, dass von dem Punkt, ab dem die erforderliche Sicht auf das Vorsignal bestehen sollte, zumindest die in Fahrtrichtung ersterreichte Abstandstafel gesehen werden kann.
(5) Geschwindigkeitsanzeiger sind als Lichtsignale auszuführen, wenn
1. die angezeigte Geschwindigkeit nicht für alle ab dem Standort des jeweiligen Signals möglichen Fahrwege gelten soll oder
2. verschiedene Geschwindigkeiten angezeigt werden sollen.
(6) Ein Lichtsignal Geschwindigkeitsanzeiger am Standort eines Haupt- oder Schutzsignals darf nur dann leuchten, wenn das Haupt- oder Schutzsignal am selben Standort einen Freibegriff zeigt.
(7) Erlischt ein als Lichtsignal ausgeführter Geschwindigkeitsanzeiger, der die Geschwindigkeit herabsetzt, ist am zugehörigen Signal gemäß Abs. 1 der Begriff anzuzeigen, der die größtmögliche Sicherheit gewährleistet.
(8) Die erforderliche Sichtweite auf Geschwindigkeitsanzeiger richtet sich nach der Geschwindigkeit, es gilt die Sichtweite gemäß § 27 Abs. 3. Abweichend von der Bestimmung des ersten Satzes und abweichend von den Bestimmungen des § 27 Abs. 2 richtet sich die erforderliche Sichtweite auf Geschwindigkeitsanzeiger am Standort eines Haupt- oder Schutzsignals, das nur Start von Zugstraßen sein kann, nach den örtlichen Verhältnissen und darf 100 m unterschreiten.
2. verschiedene Geschwindigkeiten angekündigt werden sollen.
(9) Ein Lichtsignal Geschwindigkeitsvoranzeiger am Standort eines Hauptsignals oder Vorsignals darf nur dann leuchten, wenn das Haupt- oder Vorsignal am selben Standort einen Freibegriff zeigt.
(10) Am Standort eines Hauptsignals darf ein Geschwindigkeitsvoranzeiger, der eine Herabsetzung der Geschwindigkeit innerhalb des Weichenbereiches ankündigt, nicht gleichzeitig mit einem Geschwindigkeitsanzeiger sichtbar sein.
(11) Erlischt ein als Lichtsignal ausgeführter Geschwindigkeitsvoranzeiger, der einen Geschwindigkeitsanzeiger ankündigt, der die Geschwindigkeit herabsetzt, ist am zugehörigen Signal gemäß § 32 Abs. 1 der Begriff anzuzeigen, der die größtmögliche Sicherheit gewährleistet.
(12) Die erforderliche Sichtweite auf Geschwindigkeitsvoranzeiger richtet sich nach der Geschwindigkeit, es gilt die Sichtweite gemäß § 27 Abs. 3. Abweichend von der Bestimmung des ersten Satzes und abweichend von den Bestimmungen des § 27 Abs. 2 richtet sich die erforderliche Sichtweite auf Geschwindigkeitsvoranzeiger am Standort eines Haupt- oder Schutzsignals, das nur Start von Zugstraßen sein kann, nach den örtlichen Verhältnissen und darf 100 m unterschreiten.
2. zusätzlich zu den Bestimmungen des § 28 (Aufstellung von ortsfesten Signalen), alle Signalnachahmer auf derselben Seite aufzustellen.
(11) Auf Strecken mit elektrischem Betrieb sind die Abstandstafeln möglichst an den Oberleitungsmasten anzubringen.
(12) Werden zu einem Vorsignal mehrere Abstandstafeln errichtet, sind zusätzlich zu den Bestimmungen des § 28 (Aufstellung von ortsfesten Signalen) alle Abstandstafeln auf derselben Seite zu errichten.
3. an Ankündigungssignalen und Ankündigungstafeln vor Abzweigstellen zur Anzeige, für welche Strecke dieses Signal gilt.
(7) Der Richtungspfeil ist oberhalb des zugehörigen Signals anzubringen; davon darf abgewichen werden, wenn es die örtlichen Verhältnisse erfordern und sich am selben Standort nur ein Signal gemäß Abs. 6 Z 1 bis 3 befindet.
| (8) Trapeztafeln zur Begrenzung von Bahnhöfen sind 50 m vor der ersten Weiche zu errichten. Wenn es die örtlichen Verhältnisse erfordern, darf dieser Abstand vergrößert werden. (9) Das Signal „Kommen“ darf durch einen mündlichen oder fernmündlichen Auftrag ersetzt werden. (10) Das Signal „Kreuztafel“ ist bei örtlich zulässigen Geschwindigkeiten von mehr als 60 km/h auf Bremsweglänge vor der zugehörigen Trapeztafel zu errichten. Wird mit der Kreuztafel auch ein Weichenüberwachungssignal angekündigt, ist auch bei Geschwindigkeiten bis einschließlich 60 km/h eine Kreuztafel zu errichten. |
(11) Bei Bahnsteigen, auf denen das Signal „Haltepunkt“ verwendet wird, haben planmäßig haltende personenbefördernde Züge beim ersterreichten Signal „Haltepunkt“ anzuhalten.
(12) Das Signal „Fahrwegende“ ist zu errichten, wenn das Ende des Einfahrgleises bei Zugstraßen nicht durch eines der folgenden Signale signalisiert wird:
1. Hauptsignal;
2. Schutzsignal;
3. Sperrsignal am Stumpfgleisabschluss.
| In Betriebsstellen mit Trapeztafel darf das Signal „Fahrwegende“ errichtet werden. |
(13) Das Signal „Haltestellentafel“ ist bei örtlich zulässiger Geschwindigkeit
1. unter 80 km/h 400 m;
2. ab 80 km/h bis unter 100 km/h 700 m und
3. ab 100 km/h 1000 m
vor der Haltestelle zu errichten. Käme das Signal in Bahnhöfen zur Errichtung, darf es entfallen. Das Signal ist nicht zu errichten, wenn zwischen dem Signal und der zugehörigen Haltestelle eine weitere Haltestelle zu liegen käme.
| Bei bereits bestehenden Haltestellen ist das Signal „Haltestellentafel“ zu errichten, wenn es die örtlichen Verhältnisse zulassen. |
(14) Die Grenzmarke ist zwischen zusammenlaufenden Gleisen an jener Stelle zu errichten, an der zwischen den am weitesten ausladenden Teilen abgestellter Schienenfahrzeuge ein Sicherheitsabstand von mindestens 0,5 m vorhanden ist.
(15) Die Sichtweite auf das Signal „Grenzmarke“ richtet sich nach den örtlichen Verhältnissen und darf 100 m unterschreiten.
(16) Das Signal „Markierte Grenzmarke“ ist an jener Stelle, bis zu der ein Gleis ohne Gefährdung von Schienenfahrzeugen im Nachbargleis besetzt sein darf, dann zu errichten, wenn die Errichtung des Signals „Grenzmarke“ auf Grund der örtlichen Verhältnisse nicht möglich ist. Die in diesem Fall zur Einhaltung der Bestimmungen des § 18 der Eisenbahn-ArbeitnehmerInnenschutzverordnung (EisbAV), in der Fassung BGBl. II Nr. 215/2012, zusätzlich erforderlichen Regelungen sind vom Eisenbahninfrastrukturunternehmen zu treffen.
(17) Die erforderliche Sichtweite auf das Signal „Markierte Grenzmarke“ richtet sich nach den örtlichen Verhältnissen und darf 100 m unterschreiten.
(18) Das Signal „Ankündigungstafel“ ist zu errichten, wenn die örtlich zulässige Geschwindigkeit um mindestens 20% niedriger ist, als jene im unmittelbar voran liegenden Streckenabschnitt. Beträgt die Geschwindigkeitsdifferenz weniger als 20 km/h, darf das Signal entfallen. Die Ankündigungstafel ist bei örtlich zulässiger Geschwindigkeit am Standort der Ankündigungstafel
1. unter 80 km/h 400 m;
2. ab 80 km/h bis unter 100 km/h 700 m und
3. ab 100 km/h 1 000 m
vor der Geschwindigkeitstafel zu errichten; davon darf abgewichen werden, wenn es Einrichtungen der Zugbeeinflussung erfordern.
(19) Das Signal „NBÜ-Bereich“ ist an allen Kilo-/Hektometertafeln im Notbremsüberbrückungsbereich (NBÜ-Bereich) anzubringen. Auf zweigleisigen Strecken sind am Beginn und am Ende eines NBÜ Bereiches neben beiden Gleisen auf gleicher Höhe Hektometertafeln mit darauf angebrachtem Signal „NBÜ-Bereich“ zu errichten. Die Ausdehnung von NBÜ-Bereichen ist durch das Eisenbahninfrastrukturunternehmen festzulegen.
9. abblendbare Scheinwerfer zur Darstellung des Spitzensignals.
(2) Einstiegstüren in den Seitenwänden der Reisezugwagen müssen über sicher wirkende Verschlusseinrichtungen verfügen. Diese müssen so beschaffen sein, dass die Türen – ausgenommen im Notfall – während der Fahrt von innen nicht geöffnet werden können. Nach außen aufschlagende Einstiegstüren in den Seitenwänden der Reisezugwagen müssen Verschlusseinrichtungen haben, bei denen durch Zuschlagen der Tür ein doppelter Verschluss selbsttätig herbeigeführt wird. Der doppelte Verschluss muss durch zwei getrennte Verschlussteile herbeigeführt werden oder durch einen Verschlussteil, der in zwei Stufen schließt.
(3) Stirntüren müssen sicher verschließbar sein.
(4) Öffnungen der Einstiegstüren müssen im Innern der Reisezugwagen mit Schutzeinrichtungen gegen das Einklemmen der Finger versehen sein.
(5) Fernbetätigte oder automatisch schließende Türen müssen so beschaffen sein, dass bei ihrer Betätigung Personen nicht gefährdet werden.
(6) Seitliche Schiebetüren der Gepäckwagen und Gepäckabteile müssen gegen unbeabsichtigtes Schließen der Türen gesichert sein. Die dabei freizuhaltende Öffnung muss mindestens 300 mm betragen.
(7) Glasscheiben in Schienenfahrzeugen, in denen Personen befördert werden, müssen aus Sicherheitsglas bestehen.
(8) Die Schienenfahrzeuge müssen so gebaut und ausgerüstet sein, dass die Entstehung und Ausbreitung von Bränden erschwert werden.
(9) Schienenfahrzeuge, in denen Personen befördert werden, müssen in ausreichender Anzahl Ausstiegsmöglichkeiten für Notfälle haben.
(10) An den zum Öffnen eingerichteten Seitenfenstern der Reisezugwagen muss eine Warnung vor dem Hinauslehnen angebracht sein.
(11) Reisezugwagen, die auf Strecken mit Oberleitung verkehren, müssen so eingerichtet sein, dass ein Besteigen des Daches oder hochgelegener Tritte und Leitern bei im Betrieb regelmäßig vorkommenden Arbeiten, wie Aufstecken der Signalmittel oder Füllen der Wasserbehälter, nicht erforderlich ist.
(12) Unter Puffern von Schienenfahrzeugen, unter denen Arbeitnehmer zum Kuppeln gebückt hindurchgehen müssen, müssen Kupplerhandgriffe angebracht sein.
(13) Einrichtungen zum Mitfahren bei Verschubbewegungen müssen so beschaffen und bemessen sein, dass die Arbeitnehmer genügend Raum für ihre Tätigkeit haben und sich gegen Absturz sichern können. Wenn dies für Verschubbewegungen erforderlich ist, müssen Schienenfahrzeuge auf jeder Langseite mindestens einen Verschieberauftritt und einen Verschieberhandgriff haben.
(14) Die Bestimmungen dieser Verordnung für die Ausrüstung von Reisezugwagen gelten auch für Triebwagen.
(15) Die Schienenfahrzeuge müssen die für Betrieb, Instandhaltung und Arbeitnehmerschutz erforderlichen Anschriften und Zeichen tragen.
(11) Nebenfahrten sind Fahrten, die wegen der Art ihrer Durchführung oder der verwendeten Schienenfahrzeuge nicht als Zug- oder Verschubfahrten durchgeführt werden können. Fahrten aus einem Bahnhof bis zu einem Punkt der freien Strecke und zurück sowie Fahrten, die auf der freien Strecke beginnen oder enden sind immer Nebenfahrten, sofern sie nicht gemäß Abs. 1 zweiter Satz als Zugfahrten durchgeführt werden dürfen.
(12) Verschubfahrten sind beabsichtige Bewegungen von Schienenfahrzeugen, die nicht nach den Bestimmungen für Zug- oder Nebenfahrten durchgeführt werden.
(13) Der Bremsweg ist der von der Einleitung der Bremsung bis zum Stillstand des Zuges zurückgelegte Weg.
(14) Die Bremsweglänge ist jene Wegstrecke, die der Bremsweg bei Schnellbremsung nicht überschreiten darf. Die Bremsweglänge ist von den örtlichen Verhältnissen abhängig.
(15) Die Schnellbremsung ist eine durch den Triebfahrzeugführer eingeleitete Bremsung, bei der die volle Bremskraft in kürzest möglicher Zeit erreicht wird.
(16) Die Notbremsung ist eine über eine Notbremseinrichtung, einen Luftabsperrhahn oder einen Luftbremskopf eingeleitete Bremsung, bei der die volle Bremskraft erreicht wird.
(17) Das Bremsgewicht ist das Maß für die Bremsleistung eines Schienenfahrzeuges oder Zuges.
(18) Die Maßzahl für die vorhandene Bremsleistung ist das Verhältnis von Bremsgewicht zur Gesamtzugmasse und wird in Hundertteilen errechnet (Bremshundertstel).
(19) Die Mindestbremshundertstel geben jene Bremsleistung eines Zuges an, die in Abhängigkeit von den Neigungsverhältnissen der zu befahrenden Infrastruktur ein Fahren mit 20 km/h ermöglicht.
(20) Die Festhaltebremshundertstel geben jene Bremsleistung eines Zuges an, die erforderlich ist, um stillstehende Schienenfahrzeuge gegen unbeabsichtigtes Bewegen zu sichern. Das Festhaltebremsgewicht hängt insbesondere von den Neigungsverhältnissen ab und ist vom Eisenbahninfrastrukturunternehmen festzulegen.
(21) Zugleitbetrieb bezeichnet ein Betriebsverfahren, bei dem neben der betriebssteuernden Stelle auch der Triebfahrzeugführer durch Erhalt und Abgabe definierter Meldungen (Zuglaufmeldungen) in definierten Meldepunkten (Zuglaufmeldestellen) an der Regelung der Zugfolge mitwirkt. Zugleitbereich ist der geografische Bereich, in dem das Betriebsverfahren Zugleitbetrieb angewendet wird.
12. Angaben über das erforderliche Festhaltebremsgewicht und Mindestbremsgewicht,
13. Angaben über Bremsweglängen,
14. Angaben über Neigungsverhältnisse,
15. Angaben über die örtlich zulässige Geschwindigkeit,
16. Angaben über Gleis- und Bahnsteiglängen in Betriebsstellen,
17. Angaben über örtliche und betriebliche Besonderheiten und
18. Angaben über Dienstruhe.
(5) Kann bei untauglichen Selbstblocksignalen das Ersatz- oder Vorsichtssignal nicht bedient werden, so dürfen Zugfahrten schriftlich mit dem Wortlaut „Blocksignal und Vorsignal der Selbstblockstelle ...... ausnahmsweise nicht beachten“ zur Vorbeifahrt am untauglichen Signal beauftragt werden. Diesfalls darf das rückgelegene Haupt- oder Schutzsignal nur freigestellt – oder die Vorbeifahrt daran erlaubt – werden, wenn auch die Voraussetzungen für die Vorbeifahrt am nicht zu beachtenden Signal erfüllt sind.
(6) Verschubfahrten sind von untauglichen Verschubsignalen mündlich bzw. fernmündlich zu verständigen, wenn diese im beabsichtigten Verschubweg liegen oder Ziel der jeweiligen Verschubfahrt sind.
(7) Sind alle Voraussetzungen für die Vorbeifahrt an einem untauglichen Signal erfüllt, darf Verschubfahrten die Erlaubnis zur Vorbeifahrt an untauglichen Haupt-, Schutz- und Verschubsignalen mündlich oder fernmündlich erteilt werden.
1. Unterschriften werden durch Namensangaben ersetzt;
2. werden mehrere Aufträge gleichzeitig zugesprochen, sind diese in der Reihenfolge des Antreffens zuzusprechen;
3. der Auftrag ist vom Empfänger zu wiederholen, dabei sind allfällige Unstimmigkeiten zu beseitigen. Die richtige Wiederholung gilt als Empfangsbestätigung.
Während des Fahrens dürfen schriftliche Aufträge nur mit Zustimmung des Triebfahrzeugführers fernmündlich übermittelt werden. Davon ausgenommen sind Aufträge zur Abwendung einer drohenden Betriebsgefahr.
(4) Erforderliche schriftliche Aufträge an Fahrten müssen vor Zulassung der Fahrt in den jeweiligen Abschnitt erteilt sein.
(5) Das Eisenbahninfrastrukturunternehmen darf schriftliche Aufträge, deren Erfordernis vorhersehbar ist, für bestimmte Perioden zusammenfassen; diese Zusammenfassung muss mindestens beinhalten:
1. Aufträge, streckenweise zusammengefasst und richtungsbezogen in der Reihenfolge des Antreffens dargestellt,
2. Nummerierung der Eintragungen,
3. Gültigkeitsbereich und
4. Gültigkeitszeitraum.
(6) Sind bestimmte schriftliche Aufträge gemäß Abs. 5 zusammengefasst, ist diese Zusammenfassung dem Eisenbahnverkehrsunternehmen zu übermitteln. Das Eisenbahnverkehrsunternehmen hat dafür zu sorgen, dass diese schriftlichen Aufträge von jeder Zug- und Nebenfahrt mitgeführt und beachtet werden. Solche schriftliche Aufträge gelten im angegebenen Gültigkeitszeitraum als erteilt.
(7) Schriftliche Aufträge an Fahrten dürfen nur schriftlich widerrufen werden.
(8) Für den Fall, dass bei einer Zugfahrt das führende Triebfahrzeug oder der Triebfahrzeugführer des führenden Triebfahrzeuges gewechselt wird, hat das Eisenbahnverkehrsunternehmen Regelungen für die Weitergabe von schriftlichen Aufträgen zu erstellen.
3. Haltscheiben.
(5) Fahrten im Baugleis sind nach den Bestimmungen des Fahrens auf Sicht durchzuführen. Die Geschwindigkeit darf abweichend von § 90 Abs. 2 20 km/h nicht überschreiten.
3. Bremsen, die auf Grund des Zusammenwirkens der Eigenschaften von Schienenfahrzeugen und deren Ladung auszuschalten sind.
(11) Eingeschaltete Bremsen sind grundsätzlich in die wirksamste Stellung zu bringen, jedoch muss von dieser Bestimmung abgewichen werden, wenn für konkrete Zugbildungen eine Beeinträchtigung der sicheren Spurführung infolge dynamischer Längs- und Querkräfte erwartet werden muss.
(12) Untaugliche Bremsen dürfen nicht eingeschaltet werden.
(7) Abweichend von Abs. 1 darf das Eisenbahnverkehrsunternehmen Ausnahmen für Züge festlegen, die während mehrerer Zugfahrten unverändert bleiben; dabei muss sichergestellt sein, dass die Bremsprobe wenigstens einmal in 24 Stunden durchgeführt wird.
(5) Wird die Zugbildung geändert, ist nach den Bestimmungen des Abs. 4 vorzugehen. Die Bestimmungen der Z 4 und 5 sind dabei jedenfalls auf neu in den Zug eingereihte Schienenfahrzeuge, die Bestimmung der Z 2 an jenen Stellen, an denen neu gekuppelt oder der Kuppelzustand noch nicht geprüft wurde, anzuwenden.
(6) Nach Erfüllung der Voraussetzungen gemäß Abs. 2 bis 5 ist die Abfahrbereitschaft vom Triebfahrzeugführer an die betriebssteuernde Stelle zu melden. Diese Meldung kann mit technischen Systemen oder fernmündlich erfolgen. Das Eisenbahninfrastrukturunternehmen darf festlegen, dass auf diese Meldung verzichtet werden darf und dafür Voraussetzungen bestimmen. Erfolgt eine fernmündliche Meldung, ist diese mit dem Wortlaut „Zug …(Zugnummer)… in ...(Betriebsstelle)… abfahrbereit.“ zu geben. Das Eisenbahninfrastrukturunternehmen darf festlegen, dass bei personenbefördernden Zügen, die ohne Zugbegleiter geführt werden, in der Meldung der Abfahrbereitschaft darauf hingewiesen wird; in diesem Fall hat der Wortlaut: „Zug …(Zugnummer)… in ...(Betriebsstelle)… ohne Zugbegleiter abfahrbereit.“ zu lauten.
(7) Werden bei der Vorbereitung der Zugfahrt oder nach der Abfahrt des Zuges in jener Betriebsstelle, in der die Zugfahrt beginnt, Mängel festgestellt, sind diese nach Möglichkeit zu beseitigen. Ist dies mit den zur Verfügung stehenden Mitteln nicht möglich, ist zu prüfen, ob und gegebenenfalls unter welchen Voraussetzungen die Fahrt begonnen oder fortgesetzt werden darf. Bei defekten Einrichtungen ist das Schienenfahrzeug oder die defekte Einrichtung entsprechend zu kennzeichnen und erforderlichenfalls die Einrichtung gegen unbeabsichtigte Bedienung zu sichern.
4. Signal „Fahrwegende“;
5. Sperrsignal am Stumpfgleisabschluss.
| (3) In Bahnhöfen ohne Einfahrsignal ist das Ende des Einfahrgleises auch eine auf der Ausfahrseite liegende Grenzmarke oder Weichenspitze. |
(4) Ist in Ausnahmefällen das Ende des Einfahrgleises nicht mit Signalen gemäß Abs. 2
| oder Abs. 3 |
signalisiert, ist der Zugfahrt das einzuhaltende Ende des Einfahrgleises mit schriftlichem Auftrag vorzuschreiben.
(5) Im Schutzweg oder in diesen hinein sind keine Fahrten zulässig.
4. die Sicherung der zur jeweiligen Fahrstraße gehörenden Weichen und Flankenschutzeinrichtungen, sofern diese nicht gemäß Abs. 1 Z 3 entfallen darf.
(4) Sofern die Punkte des Abs. 3 nicht durch die Eisenbahnsicherungsanlage geprüft werden, ist die Durchführung durch einen geeigneten Betriebsbediensteten erforderlich.
(5) Wenn bei gestörter Gleisfreimeldeanlage das Freisein des Fahrwegs nicht durch Augenschein festgestellt werden kann, oder wenn der Einfahrweg in einem besetzten Gleis endet, muss die Sicherheit durch technische Einrichtungen oder betriebliche Anweisungen gewährleistet sein. Dies gilt ebenfalls, wenn der Einfahrweg durch Zwischen- oder Schutzsignale in mehrere Fahrwegabschnitte unterteilt ist.
(6) Sofern die Signalabhängigkeit nicht vorhanden oder aufgehoben ist, sind Weichen, die von Zügen gegen die Spitze befahren werden, technisch zu sichern oder zu bewachen.
| Abweichend davon ist bei Rückfallweichen wenn weder das Signal Rückfallweiche befahren erlaubt noch das Signal Weichenblockade sichtbar ist, vor der Rückfallweiche anzuhalten, deren richtige Stellung zu prüfen und die Rückfallweiche mit höchstens 10 km/h zu befahren. |
Die Geschwindigkeit im jeweiligen Weichenbereich darf 40 km/h nicht überschreiten.
(7) Liegt für eine nicht signalabhängige Weiche auf der freien Strecke die Abhängigkeit nicht vor, ist die Zugfahrt schriftlich zu beauftragen, vor der Weiche anzuhalten, die richtige Stellung der Weiche zu prüfen und dann die Weiche mit Schrittgeschwindigkeit zu befahren. Dieser Auftrag darf entfallen, wenn der Bedienungsschlüssel der jeweiligen Weiche
1. in einer technischen Einrichtung festgehalten wird und dies der zuständigen betriebssteuernden Stelle angezeigt wird oder
2. in der zuständigen betriebssteuernden Stelle verwahrt wird oder
3. in der benachbarten betriebssteuernden Stelle verwahrt wird oder
4. einer Fahrt in diesen Abschnitt übergeben wurde; die Übergabe und Rückgabe des Bedienungsschlüssels sind diesfalls der jeweils benachbarten betriebssteuernden Stelle zu melden, oder
5. durch eine Fahrt verwahrt wird, die sich in der Ausweichanschlussstelle eingesperrt und dies der zuständigen betriebssteuernden Stelle gemeldet hat.
a. 120 km/h, wenn Strecke und führende Schienenfahrzeuge mit Zugbeeinflussung mit der ein Zug selbsttätig zum Halten gebracht werden kann (§ 24 Abs. 2 und 3, § 77 Abs. 1 Z 4) oder mit Zugbeeinflussung mit der ein Zug selbsttätig zum Halten gebracht und außerdem geführt werden kann (§ 24 Abs. 7, § 77 Abs. 1 Z 5) ausgerüstet sind und diese wirksam ist,
b. sonst 100 km/h;
(3) Die zulässige Geschwindigkeit beträgt 50 km/h,
1. wenn führende Triebfahrzeuge sowie Steuerwagen ausnahmsweise vom hinteren Führerstand aus bedient werden müssen und der vordere Führerstand mit einem Betriebsbediensteten besetzt ist, der den Zug zum Halten bringen kann;
2. bei einmännig besetzten führenden Schienenfahrzeugen bis in den nächsten Bahnhof, wenn die Sicherheitsfahrschaltung gestört ist;
(4) Die Einschränkung des Abs. 3 Z 2 gilt nicht bei tauglicher Zugbeeinflussung, mit der ein Zug selbsttätig zum Halten gebracht und außerdem geführt werden kann (§ 24 Abs. 7, § 77 Abs. 1 Z 5).
(5) Geschobene Züge dürfen
1. höchstens 25 km/h,
2. wenn der Mitarbeiter an der Spitze die Bremsung mit der durchgehenden Luftbremse selbst einleiten kann, höchstens 40 km/h,
fahren.
(6) Die maximale Geschwindigkeit in Gleisbögen ergibt sich aus dem Bogenradius und dem festgelegten Überhöhungsfehlbetrag. Der Überhöhungsfehlbetrag ist vom Eisenbahninfrastrukturunternehmen in Abhängigkeit von der Beschaffenheit des Oberbaus, von der Bauart der Schienenfahrzeuge sowie von der Ladung und deren Sicherung festzulegen; er soll für Fahrzeuge ohne oder mit nicht aktivierter Wagenkastenneigung nicht größer sein als 150 mm.
(7) Für Probe- und Versuchsfahrten darf das Eisenbahnverkehrsunternehmen im Einvernehmen mit dem Eisenbahninfrastrukturunternehmen Abweichungen von den Bestimmungen der Abs. 1 bis 6 zulassen, wenn die Sicherheit und Ordnung gewährleistet ist.
(8) Die örtlich zulässige Geschwindigkeit für einzelne Streckenabschnitte ist vom Eisenbahninfrastrukturunternehmen festzulegen und in geeigneter Weise darzustellen.
(9) Gleisabschnitte, auf denen die örtlich zulässige Geschwindigkeit herabgesetzt werden muss, sind dem Triebfahrzeugführer mit schriftlichem Auftrag vorzuschreiben und durch Signale zu kennzeichnen. Bei unvorhergesehenem Auftreten ist bis zur Aufstellung der Signale der schriftliche Auftrag alleine ausreichend, in diesem Fall ist die Aufstellung der Signale ehestmöglich nachzuholen.
(10) Das Eisenbahninfrastrukturunternehmen hat für die schriftliche Beauftragung der Züge in Zusammenhang mit Geschwindigkeitsbeschränkungen und Langsamfahrstellen zu sorgen.
3. die betriebssteuernde Stelle verständigt wird, ausgenommen es wird beim Wenden lediglich der Führerstand gewechselt, die Bestimmung des § 128 Abs. 3 bleibt hievon unberührt.
(3) Muss der Triebfahrzeugführer das Schließen der Türen bei noch geöffneten Türen einleiten, sind die Reisenden in geeigneter Weise zu warnen. Erfolgt die Warnung durch den Triebfahrzeugführer, hat dies über die Außenbeschallungsanlage zu erfolgen. Sind die Fahrzeuge, die zur Personenbeförderung bestimmt sind, mit einem Warnton der das Schließen der Türen ankündigt ausgerüstet, darf die Warnung durch den Triebfahrzeugführer entfallen. Der Triebfahrzeugführer darf den Zug erst in Gang setzen, wenn ihm der geschlossene Zustand der Türen angezeigt wird und die Freigabe der Türen zurückgenommen ist.
(4) Für den Fall, dass der Triebfahrzeugführer den personenbefördernden Zug verlassen muss, hat das Eisenbahnverkehrsunternehmen geeignete Vorkehrungen zu treffen, dass den Reisenden gegebenenfalls erforderliche Informationen und Verhaltensanordnungen vermittelt werden.
(3) Die erteilte Zustimmung ist durch den Zugbegleiter an den Triebfahrzeugführer zu vermitteln,
1. wenn in einem Bahnsteigabschnitt die gemäß Abs. 2 Z 1 oder gemäß Abs. 2 Z 2 mit Signal „Ersatzsignal“ oder Signal „Vorsichtsignal“ erteilte Zustimmung für den Triebfahrzeugführer nicht wahrnehmbar und das Signal „Zustimmung vermitteln“ angebracht ist oder
2. wenn sichtbehindernde Verhältnisse unvorhergesehen auftreten oder
3. mit dem Signal „Abfahren erlaubt“, wenn es errichtet ist.
(4) Abweichend von Abs. 1 entfällt die Zustimmung
1. bei Dienstruhe oder
2. in Bahnsteigbereichen, die sich nach dem Ausfahrsignal befinden oder
3. in Bahnsteigbereichen mit dem Signal „Zustimmung entfällt“, oder
4. wenn vom Eisenbahninfrastrukturunternehmen aufgrund der örtlichen betrieblichen Verhältnisse abweichende Regelungen getroffen wurden und Zugfahrten davon verständigt sind.
(5) Beim Anfahren ist je nach den gegebenen Möglichkeiten auf Unregelmäßigkeiten zu achten.
4. mündlich beim Signal oder
| mündlich bei der Trapeztafel. |
2. in Bahnhöfen mit Ausfahrsignalen durch Freistellung des Ausfahr- oder Zwischensignals; ist dieses Signal untauglich, gilt das Ersatz- oder Vorsichtssignal oder das Signal „Vorbeifahrt erlaubt“ als Durchfahrauftrag;
| 3. in Bahnhöfen mit Gruppenausfahrsignalen nur dann durch Freistellung des Gruppenausfahrsignals, wenn ein Erlaubnissignal die Fahrt aus dem jeweiligen Gleis gestattet. Für Bahnhöfe ohne Ausfahrsignal sind durch das Eisenbahninfrastrukturunternehmen entsprechende Regelungen zu erstellen. |
(6) Bei personenbefördernden Zügen dürfen Bedarfsaufenthalte vorgesehen werden. Personenbefördernde Züge müssen in Betriebsstellen mit Bedarfsaufenthalt so langsam einfahren, dass sie gemäß § 120 Abs. 3 (Haltepunkt) anhalten können, sobald am Bahnsteig Reisende wahrgenommen werden. Wollen Reisende aussteigen, hat – ausgenommen bei vorhandener Haltewunschtaste – das Zugbegleitpersonal den Triebfahrzeugführer rechtzeitig zu verständigen.
(5) Wird erkannt, dass die Zugfahrt einen unrichtigen Fahrweg benützt, ist die Zugfahrt sofort anzuhalten. Die betriebssteuernde Stelle hat zu entscheiden, wie weiter vorgegangen wird.
(6) Erkennt ein Zugbegleiter, dass ein planmäßiger Halt nicht eingehalten wird, ist mit dem Triebfahrzeugführer Kontakt aufzunehmen. Ist eine Kontaktaufnahme mit dem Triebfahrzeugführer nicht möglich, muss die Notbremse betätigt werden. Die betriebssteuernde Stelle ist im Hinblick auf die Information der am Bahnsteig befindlichen Bahnbenützenden zu verständigen.
(4) Betriebsbedienstete müssen bis zum vollendeten 50. Lebensjahr alle fünf Jahre, danach alle drei Jahre auf ihre körperliche Tauglichkeit untersucht werden, sofern nicht der vom Eisenbahnunternehmen beauftragte Arzt im Einzelfall eine kürzere Frist festsetzt.
(5) Bestehen begründete Zweifel am Weiterbestehen der Tauglichkeit, insbesondere nach schwerer Krankheit, darf der Betriebsbedienstete als solcher erst weiterbeschäftigt werden, wenn seine Tauglichkeit durch einen Arzt gemäß Abs. 2 erneut festgestellt worden ist.
(6) Die Betriebsbediensteten müssen die besonderen Eigenschaften haben, die ihr Dienst erfordert; dies kann durch Eignungsuntersuchungen festgestellt werden.
(7) Fahrbedienstete, die Züge führen, begleiten oder abfertigen, müssen für die Leistung erster Hilfe entsprechend ausgebildet sein.
(8) Schienenfahrzeuge, die § 73 Abs. 1 nicht entsprechen, müssen nicht an diese Bestimmung angepasst werden, wenn es sich dabei um Außenspiegel an führenden Schienenfahrzeugen handelt.
(9) Schienenfahrzeuge, die § 77 Abs. 1 Z 1 nicht entsprechen, müssen nicht an diese Bestimmung angepasst werden, wenn sie mit Einrichtungen zum Geben hörbarer Signale mit einem Ton ausgerüstet sind.
(10) Schienenfahrzeuge, bei denen ein museales oder ein anderes fachlich begründetes Interesse an der Beibehaltung oder Herstellung eines historischen Zustandes besteht (Nostalgieschienenfahrzeuge), die § 77 Abs. 1 Z 3 und Abs. 2, 7 und 8 nicht entsprechen, müssen nicht an diese Bestimmungen angepasst werden.
(11) Schienenfahrzeuge, die § 77 Abs. 1 Z 4 dieser Verordnung nicht entsprechen, müssen nicht an diese Bestimmung angepasst werden, wenn sie mit einem zweiten Triebfahrzeugführer besetzt sind oder die Geschwindigkeit auf 40 km/h begrenzt wird.
(12) Schienenfahrzeuge, die nicht mit abblendbaren Scheinwerfern zur Darstellung des Spitzensignals gemäß § 77 Abs. 1 Z 9 ausgerüstet sind, müssen nicht an diese Bestimmung angepasst werden, wenn mindestens zwei weiße Lichter vorhanden sind und die Fahrzeughöchstgeschwindigkeit nicht mehr als 60 km/h beträgt.
(13) Kennzeichnungen, die das für Bahnbenützende gebotene Verhalten, wie es die Sicherheit und Ordnung sowie die Rücksichtnahme auf andere gebietet, nicht gemäß §4 Abs.5 Z 1 kundmachen, sind binnen 30 Monaten an die Bestimmungen dieser Verordnung anzupassen. Fehlen gemäß § 4 Abs. 5 Z 2 erforderliche Hinweise, sind diese binnen 30 Monaten nach Inkrafttreten dieser Verordnung anzubringen.
(14) Kilo-/Hektometersteine dürfen längstens bis zum Ende ihrer technischen Lebensdauer beibehalten werden, sie sind jedoch bei ihrer Erneuerung, Versetzung oder Veränderung durch Kilo-/Hektometertafeln gemäß § 21 zu ersetzen.
(15) Sofern in den Absätzen 16 bis 18 nichts anders bestimmt ist, dürfen Betriebsanlagen, die dem 3. Abschnitt und der Anlage 5 nicht entsprechen, bis zum Ende ihrer technischen Lebensdauer beibehalten werden.
(16) Signale „Kennzeichnung“, die dem § 41 Abs. 1 zweiter Satz nicht entsprechen, sind binnen zwölf Monaten nach Inkrafttreten an die Bestimmungen dieser Verordnung anzupassen.
(17) Sperrschuhe, die nicht gemäß § 42 Abs. 1 mit einem Sperrsignal ausgerüstet sind, dürfen dann beibehalten werden, wenn ein unbeabsichtigtes Auffahren auf den Sperrschuh aus Richtung des zu schützenden Gleises durch eine technische Abhängigkeit verhindert wird; anderenfalls sind diese Sperrschuhe binnen zwölf Monaten nach Inkrafttreten an die Bestimmungen dieser Verordnung anzupassen.
(18) Weichenüberwachungssignale, die dem § 46 Abs. 1 und 3 bis 5 nicht entsprechen, sind binnen zwölf Monaten nach Inkrafttreten an die Bestimmungen dieser Verordnung anzupassen. Weichenüberwachungssignale, die dem § 46 Abs. 2 nicht entsprechen dürfen dann beibehalten werden, wenn sie mindestens auf Bremsweglänge zuzüglich jener Entfernung, die der in diesem Bereich während einer Sekunde Fahrzeit zurückgelegten Wegstrecke entspricht, vor der ersten gegen die Spitze befahrenen Rückfallweiche der jeweiligen Betriebsstelle erkannt werden können.
(19) Darüber hinaus dürfen Betriebsanlagen und Schienenfahrzeuge beibehalten sowie abweichend von den Bestimmungen dieser Verordnung angepasst und erweitert werden, sofern
1. auf diese der 8. Teil (Interoperabilität) des EisbG gemäß § 86 Abs. 2 EisbG, in der Fassung BGBl. I Nr. 205/2013, nicht verpflichtend anzuwenden ist,
2. diese dem Stand der Technik gemäß § 3 entsprechen und
3. die Abweichung aus der generellen Besonderheit der Betriebsführung, der Signalisierung, dem Zugsicherungssystem oder dem Zusammenwirken der Schienenfahrzeuge mit der jeweiligen Infrastruktur resultiert.
| 20 |
| 22 4 ) |
| 33 |
| 27,5 | 33 | |
| Spurkranzhöhe (S h ) | ≥ 760 760 und ≥630 630 und ≥330 | 27,5 30 32 | 36 36 36 | |
| Dicke des Radreifens in Messkreisebene (R d ) | ≥330 | 25 | 35 5 ) | --- |
| Spurkranzflankenmaß (q R ) | ≥330 | 6,5 6 ) | --- | |
Maße in Millimetern
1 ) Bei Zwischenradsätzen beträgt das Mindestmaß 1 395 mm.
2 ) Nennmaß 1 360 mm.
3 ) 133 mm, wenn Balkengleisbremsen wirksam werden sollen.
4 ) Fahrzeuge im grenzüberschreitenden Verkehr.
5 ) Reisezugwagen im grenzüberschreitenden Verkehr
6 ) Maß zur Beurteilung der Spurkranzflankenabnutzung.
7 ) Bei speziellen Laufwerken mit “geschwächtem Spurkranz” werden die Werte für die Spurkranzdicke S d unterschritten.




(a) Bereich nicht in unmittelbarer Nähe der Räder
(b) Bereich in unmittelbarer Nähe der Räder
(c) Bereich für Räder und für Bauteile, die mit der Schiene in Kontakt kommen
(d) Bereich für Räder
l Spurweite
(1) Begrenzung außerhalb des Bereiches der Endradsätze
(2) Fiktive maximale Spurkranzbreite bei vorhandenen Führungsschienen
(3) Begrenzung der äußeren Radfläche und der mit dem Rad verbundenen Teile
(4) Begrenzung der inneren Radfläche, wenn der Radsatz an der gegenüberliegenden Schiene
anliegt. (Abhängig von der Spurerweiterung)
(5) Rollebene


| 18. Weichenüberwachungssignal (§ 46) |
| 19. Weichenblockade (§ 47) |
| 20. Weiche gesichert (§ 48) |
| 21. Verschubsignal (§ 49) |
| 22. Verschubhalttafel (§ 50) |
| 23. Wartesignal (§ 51) |
| 24. Hand – Verschubsignale (§ 52) |
| 25. Akustische Signale (§ 53) |
| 26. Bremsprobesignale (§ 54) |
| 27. Abfertigungssignale (§ 55) |
| 28. Zugsignale (§ 56) |
| 29. Signale an Schienenfahrzeugen (§ 57) |
| 30. Gefahrsignal (§ 58) |
| 31. Sonstige Signale (§ 59) |
| 32. Eisenbahnkreuzungsüberwachungssignal (EKÜS) (§ 60) |
| 33. Sonstige Signale für Eisenbahnkreuzungen (§ 61) |
| Übergangssignale (§ 62) |
| 34. Form – Hauptsignale (§ 63) |
| 35. Form – Vorsignale (§ 64) |
| 36. Schutzsignale ohne lotrechten weißen Streifen (§ 65) |
| 37 Erlaubnissignal (§ 66) |
| 38. Form – Verschubsignale (§ 67) |
| 39. Sperrsignale (§ 68) |
| 40. Weichensignale (§ 69) |
| 1. Hauptsignal (§ 29) | |||
| Bezeichnung | Beschreibung | Bedeutung | Erläuterung |
| Halt | Ein rotes Licht auf schwarzem Grund. | Halt für alle Fahrten. | |
| Frei | Ein grünes Licht auf schwarzem Grund. | Der anschließende Gleisabschnitt darf von Zugfahrten befahren werden. | Das Hauptsignal kann mit einem Geschwindigkeitsanzeiger ergänzt sein. |
| Frei mit 60 km/h | Zwei grüne Lichter lotrecht untereinander auf schwarzem Grund. | Der anschließende Gleisabschnitt darf von Zugfahrten befahren werden, der anschließende Weichenbereich jedoch mit höchstens 60 km/h. | Das Hauptsignal kann mit einem Geschwindigkeitsanzeiger ergänzt sein. |
| Frei mit 40 km/h | Ein grünes und lotrecht darunter ein gelbes Licht auf schwarzem Grund. | Der anschließende Gleisabschnitt darf von Zugfahrten befahren werden, der anschließende Weichenbereich jedoch mit höchstens 40 km/h. | Das Hauptsignal kann mit einem Geschwindigkeitsanzeiger ergänzt sein. |
| 2. Vorsignal (§ 30) | |||
| Bezeichnung | Beschreibung | Bedeutung | Erläuterung |
| Vorsicht | Zwei gelbe Lichter waagrecht nebeneinander auf schwarzem Grund, das Signalschild kann weiß umrandet sein; oder im Fall des § 30 Abs. 4 Z 4: zwei gelbe Rückstrahlflächen waagrecht nebeneinander auf schwarzem Grund.![]() | Am zugehörigen Hauptsignal ist „Halt“ zu erwarten. Ankündigung eines haltzeigenden Schutzsignals oder Geschwindigkeitsanzeigers mit Herabsetzung der Geschwindigkeit; beträgt in diesem Fall die zulässige Geschwindigkeit am Standort des Vorsignals mehr als 40 km/h, ist das Signalschild dieses Vorsignals weiß umrandet. | Die Anwendung der gelben Rückstrahlflächen ist nur auf Nebenbahnen zulässig. |
| Hauptsignal Frei | Zwei grüne Lichter schräg nach rechts steigend auf schwarzem Grund. | Am zugehörigen Hauptsignal ist „Frei“ zu erwarten. | |
| Hauptsignal Frei mit 60 km/h | Zwei grüne Lichter schräg nach rechts steigend und lotrecht über dem linken ein gelbes Licht auf schwarzem Grund. | Am zugehörigen Hauptsignal ist „Frei mit 60 km/h“ zu erwarten. | |
| Hauptsignal Frei mit 40 km/h | Zwei gelbe Lichter waagrecht nebeneinander und lotrecht unter dem linken ein grünes Licht auf schwarzem Grund. | Am zugehörigen Hauptsignal ist „Frei mit 40 km/h“ zu erwarten. | |
| 3. Schutzsignal (§ 31) | |||
| Bezeichnung | Beschreibung | Bedeutung | Erläuterung |
| Fahrverbot | Ein rotes Licht auf schwarzem Grund. Das Signalschild ist weiß umrandet, mit mittig lotrechtem weißen Streifen. | Halt für alle Fahrten. | |
| Fahrverbot aufgehoben | Zwei weiße Lichter lotrecht untereinander auf schwarzem Grund. Das Signalschild ist weiß umrandet, mit mittig lotrechtem weißen Streifen. | Der anschließende Gleisabschnitt darf von Zugfahrten befahren werden. | Eine bestehende Geschwindigkeitsinformation kann durch das Schutzsignal alleine nicht geändert werden. Das Schutzsignal kann mit einem Geschwindigkeitsanzeiger ergänzt sein. |
| 4. Geschwindigkeitsanzeiger (§ 32) | |||
| Bezeichnung | Beschreibung | Bedeutung | Erläuterung |
| Geschwindigkeitsanzeiger | Lichtsignal: Eine weiß leuchtende Kennziffer auf schwarzem Grund.![]() | Anzeige der zulässigen Geschwindigkeit von Zugfahrten im zugehörigen Weichenbereich mit 1/10 ihres Wertes. | |
| 5. Geschwindigkeitsvoranzeiger (§ 33) | |||
| Bezeichnung | Beschreibung | Bedeutung | Erläuterung |
| Geschwindigkeitsvoranzeiger | Lichtsignal: Eine gelb leuchtende Kennziffer auf schwarzem Grund.![]() | Ankündigung eines Geschwindigkeitsanzeigers mit gleicher Kennziffer. | |
| 6. Gelbes Trapez (§ 34) | |||
| Bezeichnung | Beschreibung | Bedeutung | Erläuterung |
| Gelbes Trapez | Nicht rückstrahlendes gelbes Trapez. | Absicherung des Geschwindigkeitsvoranzeigers mit punktförmiger Zugbeeinflussung 1000 Hz. | |
| 7. Signalnachahmer (§ 35) | |||
| Bezeichnung | Beschreibung | Bedeutung | Erläuterung |
| Hauptsignal zeigt Halt | Eine lotrechte Reihe weißer Lichter, an ihrem oberen Ende eine zweite waagrecht nach rechts auf schwarzem Grund. | Das zugehörige Hauptsignal zeigt „Halt“. | |
| Eine lotrechte Reihe gelber Lichter, an ihrem oberen Ende eine zweite waagrecht nach rechts auf schwarzem Grund; das Signalschild ist gelb rückstrahlend umrandet. | Das zugehörige Hauptsignal zeigt „Halt“; am Standort des Signalnachahmers ist eine punktförmige Zugbeeinflussung 1000 Hz vorhanden. | ||
| Hauptsignal zeigt Frei | Eine lotrechte Reihe weißer Lichter, an ihrem oberen Ende eine zweite schräg aufwärts nach rechts auf schwarzem Grund. | Das zugehörige Hauptsignal zeigt „Frei“. | |
| Hauptsignal zeigt Frei mit Geschwindigkeitsbeschränkung | Eine lotrechte Reihe weißer Lichter, an ihrem oberen Ende eine zweite schräg abwärts nach rechts auf schwarzem Grund. | Das zugehörige Hauptsignal zeigt „Frei mit 60 km/h oder „Frei mit 40 km/h“. | |
| 8. Abstandstafel (§ 36) | |||
| Bezeichnung | Beschreibung | Bedeutung | Erläuterung |
| Abstandstafel | Eine senkrecht stehende, rechteckige weiße Tafel mit einem oder mehreren nach rechts ansteigenden schwarzen Streifen, deren Anzahl in der Fahrtrichtung abnimmt. | Ankündigung eines Vorsignals. | |
| 9. Signal außer Betrieb (§ 37) | |||
| Bezeichnung | Beschreibung | Bedeutung | Erläuterung |
| Signal außer Betrieb | Ein liegendes rückstrahlendes weißes Kreuz mit schwarzem Rand. | Das Signal kennzeichnet Haupt-, Vor-, Schutz- und EK – Überwachungs-signale, die außer Betrieb sind. | |
| 10. Ersatzsignal (§ 38) | |||
| Bezeichnung | Beschreibung | Bedeutung | Erläuterung |
| Ersatzsignal | Ein weißes Blinklicht. | Erlaubnis für Zugfahrten zur Vorbeifahrt an einem untauglichen Haupt- oder Schutzsignal mit höchstens 40 km/h. Der anschließende Gleisabschnitt darf befahren werden, ein anschließender Weichenbereich jedoch mit höchstens 40 km/h. | |
| 11. Vorsichtssignal (§ 39) | |||
| Bezeichnung | Beschreibung | Bedeutung | Erläuterung |
| Vorsichtssignal | Ein rotes Blinklicht. | Das Signal hat die gleiche Bedeutung wie das Ersatzsignal, zusätzlich sind bis zum nächsten Haupt- oder Schutzsignal die Bestimmungen des Fahrens auf Sicht einzuhalten. | |
| 12. Vorbeifahrt erlaubt (§ 40) | |||
| Bezeichnung | Beschreibung | Bedeutung | Erläuterung |
| Vorbeifahrt erlaubt | Tagsignal: Lotrechtes Auf- und Abwärtsbewegen der roten Signalfahne. Nachtsignal: Lotrechtes Auf- und Abwärtsbewegen der Handlaterne mit weißem Licht.![]() ![]() | Erlaubnis für Zugfahrten zur Vorbeifahrt an einem untauglichen Haupt- oder Schutzsignal mit höchstens 40 km/h. Der anschließende Gleisabschnitt darf befahren werden, ein anschließender Weichenbereich jedoch mit höchstens 40 km/h. | Die Signalabgabe hat am Standort des untauglichen Signals, bei örtlich ungünstigen Sichtverhältnissen seitlich in Höhe des untauglichen Signals zu erfolgen. Das Signal ist unausgesetzt so lange zu geben, bis das führende Triebfahrzeug am Signalgeber vorbeigefahren ist. |
| 13. Kennzeichnung (§ 41) | |||
| Bezeichnung | Beschreibung | Bedeutung | Erläuterung |
| Kennzeichnung | Eine senkrecht stehende rechteckige Tafel mit rückstrahlender weiß-rot-weißer Kennzeichnung. | Kennzeichnung des Standorts eines Haupt- oder Schutzsignals. | |
| 14. Sperrsignale (§ 42) | |||
| Bezeichnung | Beschreibung | Bedeutung | Erläuterung |
| Weiterfahrt verboten | Ein weißer rückstrahlender Kreisring auf schwarzem Grund. | Weiterfahrt verboten. | |
| Weiterfahrt erlaubt | Ein lotrechtes, weißes rückstrahlendes Rechteck auf schwarzem Grund. | Weiterfahrt erlaubt. | |
| 15. Langsamfahrsignale (§ 43) | |||
| Bezeichnung | Beschreibung | Bedeutung | Erläuterung |
| Ankündigungssignal | Eine schwarze Kennziffer auf einer auf der Spitze stehenden dreieckigen rückstrahlenden gelben Tafel mit weißem Rand. | Ankündigung eines Anfangssignals mit gleicher Kennziffer. | |
| Anfangssignal | Eine schwarze Kennziffer auf einer rechteckigen rückstrahlenden gelben Tafel mit weißem Rand. | Beginn einer Langsamfahrstelle und Anzeige der zulässigen Geschwindigkeit mit 1/10 ihres Wertes. | |
| Endsignal | Ein schwarzes E auf einer rechteckigen rückstrahlenden weißen Tafel. | Ende einer Langsamfahrstelle. | |
| 16. Oberleitungssignale (§ 44) | |||
| Bezeichnung | Beschreibung | Bedeutung | Erläuterung |
| Ankündigung Hauptschalter aus | Zwei senkrechte weiße Rechtecke, waagrecht nebeneinander angeordnet, in einem auf der Spitze stehenden blauen Quadrat mit einem schwarzen und weißen Rahmen.![]() | Ankündigung, dass der Hauptschalter auszuschalten ist. | |
| Hauptschalter aus | Ein unterbrochenes weißes U in einem auf der Spitze stehenden blauen Quadrat mit einem schwarzen und weißen Rahmen. | Der Hauptschalter ist auszuschalten. | Für die Beachtung des Signals ist die Position der angehobenen Stromabnehmer beim Zug maßgeblich. |
| Hauptschalter ein | Ein weißes U in einem auf der Spitze stehenden blauen Quadrat mit einem schwarzen und weißen Rahmen. | Der Hauptschalter darf wieder eingeschaltet werden. | Für die Beachtung des Signals ist die Position der angehobenen Stromabnehmer beim Zug maßgeblich. |
| Ankündigung Stromabnehmer tief | Zwei in der Höhe gegeneinander versetzte waagrechte weiße Streifen in einem auf der Spitze stehenden blauen Quadrat mit einem schwarzen und weißen Rahmen. | Ankündigung, dass die Stromabnehmer zu senken sind. | |
| Stromabnehmer tief | Ein waagrechter weißer Streifen in einem auf der Spitze stehenden blauen Quadrat mit einem schwarzen und weißen Rahmen. | Die Stromabnehmer sind zu senken. | Für die Beachtung des Signals ist die Position der angehobenen Stromabnehmer beim Zug maßgeblich. |
| Stromabnehmer hoch | Ein lotrechter weißer Streifen in einem auf der Spitze stehenden blauen Quadrat mit einem schwarzen und weißen Rahmen. | Die Stromabnehmer dürfen wieder angehoben werden. | Für die Beachtung des Signals ist die Position der angehobenen Stromabnehmer beim Zug maßgeblich. |
| Halt für Fahrzeuge mit angehobenem Stromabnehmer | Ein auf der Spitze stehendes weißes Quadrat mit einem abgesetzten weißen quadratischen Rahmen in einem auf der Spitze stehenden blauen Quadrat mit einem schwarzen und weißen Rahmen. | Kennzeichnung jener Stelle, ab der Fahrten für Schienenfahrzeuge mit angehobenem Stromabnehmer verboten sind. | Für die Beachtung des Signals ist die Position der angehobenen Stromabnehmer beim Zug maßgeblich. |
| Zusatzpfeil | Ein weißer Pfeil auf blauem Grund, senkrecht nach oben oder waagrecht nach links oder rechts zeigend.![]() | Kennzeichnung der Richtung jenes Gleises einer Gleisverzweigung, die von Schienenfahrzeugen mit angehobenem Stromabnehmer nicht befahren werden darf. | |
| 17. Weichensignale (§ 45) | |||
| Bezeichnung | Beschreibung | Bedeutung | Erläuterung |
| Nach rechts | Ein nach rechts zeigender rückstrahlender weißer Pfeil auf schwarzem Grund.![]() | Stellung zur Fahrt in den rechten Strang. | Verwendung bei einfachen Weichen, Innenbogenweichen und einfachen Kreuzungsweichen für die Fahrt gegen die Spitze. |
| Nach links | Ein nach links zeigender rückstrahlender weißer Pfeil auf schwarzem Grund.![]() | Stellung zur Fahrt in den linken Strang. | Verwendung bei einfachen Weichen, Innenbogenweichen und einfachen Kreuzungsweichen für die Fahrt gegen die Spitze. |
| Von rechts | Ein nach links zeigender rückstrahlender weißer Pfeil in einem abgesetzten rückstrahlenden weißen Kreisring auf schwarzem Grund.![]() | Stellung zur Fahrt aus dem rechten Strang. | Verwendung bei einfachen Weichen, Innenbogenweichen und einfachen Kreuzungsweichen für die Fahrt nach der Spitze. |
| Von links | Ein nach rechts zeigender rückstrahlender weißer Pfeil in einem abgesetzten rückstrahlenden weißen Kreisring auf schwarzem Grund.![]() | Stellung zur Fahrt aus dem linken Strang. | Verwendung bei einfachen Weichen, Innenbogenweichen und einfachen Kreuzungsweichen für die Fahrt nach der Spitze. |
| Von links nach rechts | Ein weißer rückstrahlender Pfeil auf schwarzem Grund bildet eine von links nach rechts steigende Linie.![]() | Die doppelte Kreuzungsweiche befindet sich in Stellung zur Fahrt von links nach rechts. | |
| Von rechts nach links | Ein weißer rückstrahlender Pfeil auf schwarzem Grund bildet eine von rechts nach links steigende Linie.![]() | Die doppelte Kreuzungsweiche befindet sich in Stellung zur Fahrt von rechts nach links. | |
| Von links nach links | Ein weißer rückstrahlender Pfeil auf schwarzem Grund bildet einen nach links geöffneten Winkel.![]() | Die doppelte Kreuzungsweiche befindet sich in Stellung zur Fahrt von links nach links. | |
| Von rechts nach rechts | Ein weißer rückstrahlender Pfeil auf schwarzem Grund bildet einen nach rechts geöffneten Winkel.![]() | Die doppelte Kreuzungsweiche befindet sich in Stellung zur Fahrt von rechts nach rechts. | |
| 18. Weichenüberwachungssignal (§ 46) | |||
| Bezeichnung | Beschreibung | Bedeutung | Erläuterung |
| Rückfallweiche befahren erlaubt | Ein blaues Licht auf einer schwarzen quadratischen Tafel mit gelb rückstrahlendem Rand unterhalb der Trapeztafel. oder an einem schwarz und weiß schräg gestreiften Pflock.![]() | Anzeige der Grundstellung aller gegen die Spitze befahrenen Rückfallweichen dieser Betriebsstelle. | Anwendung nur auf Nebenbahnen zulässig. |
| Rückfallweiche befahren nicht erlaubt | Eine schwarze quadratische Tafel mit einem gelb rückstrahlenden Rand unterhalb der Trapeztafel oder an einem schwarz und weiß schräg gestreiften Pflock.![]() | Spätestens vor der ersten gegen die Spitze befahrenen Rückfallweiche dieser Betriebsstelle ist anzuhalten. Die richtige Stellung der gegen die Spitze befahrenen Rückfallweichen dieser Betriebsstelle ist entsprechend den Vorgaben des Eisenbahninfrastruktur-unternehmens zu prüfen. | Anwendung nur auf Nebenbahnen zulässig. |
| 19. Weichenblockade (§ 47) | |||
| Bezeichnung | Beschreibung | Bedeutung | Erläuterung |
| Weichenblockade | Ein liegendes blaues Rechteck mit eingefügtem weißen Rahmen. | Anzeige der gesicherten Endlage dieser Weiche. | Die Stellung der Weiche wird durch den Weichensignalkörper angezeigt. Anwendung nur auf Nebenbahnen zulässig. |
| 20. Weiche gesichert (§ 48) | |||
| Bezeichnung | Beschreibung | Bedeutung | Erläuterung |
| Weiche gesichert | Ein liegendes rückstrahlendes blaues Rechteck mit weißem Rand, weißer Weichennummer und mit einem seitlich angefügten rückstrahlenden blauen Quadrat mit einem nach links oder rechts zeigenden weißen Dreieck. | Anzeige der gesicherten Endlage dieser Weiche gegen die Spitze. Die Spitze des Dreiecks zeigt die Stellung der Weiche an. | |
| 21. Verschubsignal (§ 49) | |||
| Bezeichnung | Beschreibung | Bedeutung | Erläuterung |
| Verschubverbot | Lichtsignal: Zwei weiße Lichter waagrecht nebeneinander auf schwarzem Grund. | Halt für Verschubfahrten. | |
| Verschubverbot aufgehoben | Lichtsignal: Zwei weiße Lichter schräg nach rechts steigend auf schwarzem Grund. Formsignal: Zwei rückstrahlende weiße Punkte schräg nach rechts steigend auf schwarzem Grund. | Zustimmung zur Verschubfahrt, ausgenommen bei Verschubsignalen mit Verschubsignalzusatz. | Bei Verschubsignalen am Standort eines Hauptsignals leuchtet der Begriff „Halt“ des Hauptsignals weiterhin. Bei Verschubsignalen am Standort eines Schutzsignals leuchtet der Begriff „Fahrverbot“ des Schutzsignals weiterhin. |
| Verschubsignal-zusatz | Ein rückstrahlendes gleichseitiges weißes Dreieck mit nach unten zeigender Spitze rechts unten am Signalschild des Verschubsignals. | Unabhängig von der Stellung des Verschubsignals darf nicht über eine vom Eisenbahninfrastruktur-unternehmen gesondert festgelegte Stelle (Grenzmarke, Weichenspitze) hinaus verschoben werden. | |
| 22. Verschubhalttafel (§ 50) | |||
| Bezeichnung | Beschreibung | Bedeutung | Erläuterung |
| Verschubhalttafel | Eine oben halbkreisförmig abgerundete weiße Tafel mit schwarzer Aufschrift „Halt für Verschubfahrten“.![]() | Halt für Verschubfahrten. | |
| 23. Wartesignal (§ 51) | |||
| Bezeichnung | Beschreibung | Bedeutung | Erläuterung |
| Wartesignal | Ein gelbes W mit schwarzem Rand. | Halt für Verschubfahrten. | Zum Beginn oder zur Fortsetzung einer Verschubfahrt ist eine Zustimmung erforderlich. Der Mitarbeiter an der Spitze ist vor jedem Vorbeifahren an diesem Signal gesondert zu verständigen. |
| 24. Hand – Verschubsignale (§ 52) | |||
| Bezeichnung | Beschreibung | Bedeutung | Erläuterung |
| Wegfahren | Tagsignal: Lotrechtes Auf- und Abwärtsbewegen der roten Signalfahne. Nachtsignal: Lotrechtes Auf- und Abwärtsbewegen der Handlaterne mit weißem Licht.![]() Erforderlichenfalls gleichzeitig ein langer Pfiff mit der Signalpfeife. | Die Verschubfahrt ist in Richtung vom Signalgeber weg zu beginnen oder fortzusetzen. | |
| Herkommen | Tagsignal: Waagrechtes Hin- und Herbewegen der roten Signalfahne. Nachtsignal: Waagrechtes Hin- und Herbewegen der Handlaterne mit weißem Licht.![]() Erforderlichenfalls gleichzeitig zwei lange Pfiffe mit der Signalpfeife. | Die Verschubfahrt ist in Richtung zum Signalgeber hin zu beginnen oder fortzusetzen. | |
| Langsamer | Tagsignal: Schräges Hochhalten der roten Signalfahne. Nachtsignal: Schräges Hochhalten der Handlaterne mit weißem Licht. Erforderlichenfalls gleichzeitig mehrere lange Pfiffe mit der Signalpfeife. | Die Geschwindigkeit der Verschubfahrt ist kontinuierlich zu verringern. | |
| Aufdrücken | Tagsignal: Heben beider Arme nach vorne in Schulterhöhe und wiederholtes Annähern der Hände, wobei in einer Hand die rote Signalfahne gehalten wird. Nachtsignal: Heben beider Arme nach vorne in Schulterhöhe und wiederholtes Annähern der Hände, wobei in einer Hand die Handlaterne mit weißem Licht gehalten wird.![]() Erforderlichenfalls gleichzeitig zwei kurze Pfiffe mit der Signalpfeife. | Die Verschubfahrt ist geringfügig in Richtung zum Signalgeber hin zu bewegen. | Dient zur eventuell notwendigen Unterstützung beim Kuppeln. |
| Abstoßen | Tagsignal: Zweimaliges waagrechtes Bewegen der roten Signalfahne vom Körper nach außen sowie eine schnelle Bewegung von oben nach unten. Nachtsignal: Zweimaliges waagrechtes Bewegen der Handlaterne mit weißem Licht vom Körper nach außen sowie eine schnelle Bewegung von oben nach unten. Erforderlichenfalls gleichzeitig zwei lange Pfiffe und ein kurzer Pfiff mit der Signalpfeife. | Die Abstoßbewegung ist in Richtung zum Signalgeber hin zu beginnen. | |
| Verschubhalt | Tagsignal: Schwingen der roten Signalfahne im Kreis. Nachtsignal: Schwingen der Handlaterne mit weißem Licht im Kreis.![]() | Die Verschubfahrt ist anzuhalten. | |
| 25. Akustische Signale (§ 53) | |||
| Bezeichnung | Beschreibung | Bedeutung | Erläuterung |
| Weiche darf umgestellt werden | Zwei kurze Töne mit der Triebfahrzeugpfeife oder einer gleichwertigen Einrichtung. | Die vereinbarte Weiche ist freigefahren und darf umgestellt werden. | Das Signal wird über Auftrag des Verschubleiters gegeben. Bei Verschub ohne Verschubmannschaft ist kein gesonderter Auftrag erforderlich. |
| Weiche ist umgestellt | Ein kurzer Ton mit dem Signalhorn. | Die vereinbarte Weiche ist umgestellt. | |
| Achtung | Ein langer Ton mit der Triebfahrzeugpfeife oder einer gleichwertigen Einrichtung. | Warnung von Personen oder Erregen von Aufmerksamkeit. | |
| Bremsen | Drei kurze Töne schnell nacheinander mit der Triebfahrzeugpfeife oder einer gleichwertigen Einrichtung. | Die Bremsen sind anzulegen. | |
| Lösen | Ein langer und zwei kurze Töne mit der Triebfahrzeugpfeife oder einer gleichwertigen Einrichtung. | Die Bremsen sind zu lösen. | |
| 26. Bremsprobesignale (§ 54) | |||
| Bezeichnung | Beschreibung | Bedeutung | Erläuterung |
| Bremsen anlegen | Lichtsignal: Ein weißes Licht auf schwarzem Grund. | Die Bremsen sind anzulegen. | |
| Bremsen lösen | Lichtsignal: Zwei weiße Lichter lotrecht untereinander auf schwarzem Grund. | Die Bremsen sind zu lösen. | |
| Bremsprobe beendet | Lichtsignal: Drei weiße Lichter lotrecht untereinander auf schwarzem Grund. | Anzeige der beendeten Bremsprobe. | |
| 27. Abfertigungssignale (§ 55) | |||
| Bezeichnung | Beschreibung | Bedeutung | Erläuterung |
| Zustimmung | Ein weiß leuchtendes Z auf schwarzem Grund. | Die Zustimmung zur Abfahrt ist auf diesem Bahnsteig oder Bahnsteigabschnitt erteilt. | |
| Zustimmung entfällt | Ein weißes Z in einem schwarzen Rechteck mit weißem Rand und einer roten Linie von links oben nach rechts unten. | Die Zustimmung zur Abfahrt entfällt auf diesem Bahnsteig oder Bahnsteigabschnitt. | |
| Zustimmung vermitteln | Ein weißes Z und darunter ein weißes Vm in einem schwarzen Rechteck mit weißem Rand. | Die Zustimmung zur Abfahrt auf diesem Bahnsteig oder Bahnsteigabschnitt ist dem Triebfahrzeugführer durch einen Zugbegleiter zu vermitteln. | |
| Abfahrbereit | Tagsignal: Hochheben eines Armes. Nachtsignal: Hochheben der Handlaterne mit weißem Licht. | Anzeige der Abfahrbereitschaft. | |
| Fertig | Tagsignal: Lotrechtes Hochhalten und geringfügiges Hin- und Herschwenken einer runden weißen Scheibe mit blauem Rand. Nachtsignal: Lotrechts Hochhalten und geringfügiges Hin- und Herschwenken eines blauen Lichts. | Die Bereitschaft zur Abfahrt durch die Zugmannschaft ist hergestellt. | |
| Abfahren erlaubt | Ein grünes Blinklicht auf schwarzem Grund. | Die Zustimmung zur Abfahrt ist erteilt und die Bereitschaft zur Abfahrt des Zuges durch die Zugmannschaft ist hergestellt. | |
| 28. Zugsignale (§ 56) | |||
| Bezeichnung | Beschreibung | Bedeutung | Erläuterung |
| Spitzensignal | Drei weiße Lichter in Form eines gleichschenkeligen Dreiecks mit nach oben gerichteter Spitze.![]() | Kennzeichnung des ersten Schienenfahrzeuges einer Zugfahrt. Kennzeichnung verschiebender Triebfahrzeuge. | |
| Schlusssignal | Lichtsignal: Mindestens ein rotes Licht. | Kennzeichnung des letzten Schienenfahrzeuges einer Zugfahrt. | |
| 29. Signale an Schienenfahrzeugen (§ 57) | |||
| Bezeichnung | Beschreibung | Bedeutung | Erläuterung |
| Wagen besetzt | An jeder Längsseite eine seitwärts über den Wagen hinausragende gelbe Fahne oder gelbe Tafel.![]() | Gekennzeichnete Schienenfahrzeuge oder Schienenfahrzeuggruppen sind mit Personen besetzt. | |
| Fahrzeug darf nicht bewegt werden | An jeder Längsseite eine seitwärts über das Schienenfahrzeug hinausragende rote Fahne oder rote Tafel.![]() | Gekennzeichnete Schienenfahrzeuge oder Schienenfahrzeuggruppen dürfen nicht bewegt werden, es darf auch nicht angefahren werden. | |
| An die Vorheizanlage angeschlossen | Ein weißer Blitzpfeil in einem blauen Quadrat mit einem schwarzen und weißen Rahmen. | Gekennzeichnete Schienenfahrzeuge oder Schienenfahrzeuggruppen sind an die Vorheizanlage angeschlossen und dürfen nicht bewegt werden, es darf auch nicht angefahren werden. | |
| 30. Gefahrsignal (§ 58) | |||
| Bezeichnung | Beschreibung | Bedeutung | Erläuterung |
| Gefahrsignal | Drei kurze Töne mehrmals hintereinander, wenn möglich mit einer Triebfahrzeugpfeife. | Die ist Fahrt so rasch wie möglich zum Stillstand zu bringen. | Steht eine Triebfahrzeugpfeife nicht zur Verfügung, ist das Signal sichtbar und wenn möglich auch hörbar möglichst weit vor der Gefahrenstelle zu geben. |
| 31. Sonstige Signale (§ 59) | |||
| Bezeichnung | Beschreibung | Bedeutung | Erläuterung |
| Haltscheibe | Eine liegende rechteckige rückstrahlende rote Tafel mit weißem Rand. | Halt für alle Fahrten. | |
| Signalhinweis | Eine liegende rechteckige weiße Tafel mit einem roten Dreieck; die Dreieckspitze zeigt zum Signal. | Das zugehörige Haupt-, Schutz-, Vor- oder Verschubsignal ist nicht auf der vorgeschriebenen Seite aufgestellt. | |
| Richtungspfeil | Ein rückstrahlender weißer Pfeil auf einer liegenden rechteckigen schwarzen Tafel. | Zeigt an, für welches Gleis das zugehörige Signal gilt. | |
| Trapeztafel | Eine weiße trapezförmige Tafel mit schwarzem Rand an einem schwarz und weiß schräg gestreiften Pflock. | Kennzeichnung jener Stelle, an der nach Erhalt eines entsprechenden Auftrages vor einer Betriebsstelle anzuhalten ist. | Anwendung nur auf Nebenbahnen zulässig. |
| Kommen | Hörbares Signal: Ein langer, ein kurzer und ein langer Ton mit der Triebfahrzeugpfeife oder einer gleichwertigen Einrichtung. | Auftrag zur Vorbeifahrt einer vor der Trapeztafel haltenden Zugfahrt. Das hörbare Signal kann auch verwendet werden, um Mitarbeiter herbeizurufen. | Anwendung nur auf Nebenbahnen zulässig. |
| Kreuztafel | Eine liegende sechseckige weiße Tafel mit liegendem schwarzen Kreuz an einem schwarz und weiß schräg gestreiften Pflock. | Annäherung an eine Trapeztafel. Ist das Signal mit einer blauen Rückstrahlfläche ergänzt, kündigt es zusätzlich ein Weichen-überwachungssignal an. | Anwendung nur auf Nebenbahnen zulässig. |
| Haltepunkt | Lichtsignal: Ein weiß leuchtendes H auf einer rechteckigen schwarzen Tafel mit . Formsignal: Ein weißes H auf einer rechteckigen schwarzen Tafel. | Haltepunkt für planmäßig haltende personenbefördernde Züge. | |
| Fahrwegende | Ein rotes rückstrahlendes E auf einer rechteckigen rückstrahlenden weißen Tafel. | Ende des Einfahrgleises, wenn dafür weder ein Haupt- noch ein Schutzsignal oder bei Einfahrten in Stumpfgleise ein Sperrsignal errichtet ist. | |
| Haltestellentafel | Eine liegende rechteckige weiße Tafel mit drei nach rechts steigenden schwarzen Streifen. | Ankündigung einer Haltestelle. | |
| Grenzmarke | Ein liegender weißer Balken mit schwarzen Enden. | Kennzeichnung jener Stelle, ab der Bewegungen auf dem Nachbargleis behindert sowie Personen gefährdet werden können. | |
| Markierte Grenzmarke | Eine mittig rote Markierung der Grenzmarke. | Der erforderliche Sicherheitsabstand zwischen den am weitesten ausladenden Teilen abgestellter Schienenfahrzeuge ist nicht gewährleistet. | |
| Dienstruhe | Ein liegendes rückstrahlendes gelbes Kreuz mit weißem Rand.![]() | Kennzeichnung eines Haupt- oder Schutzsignals einer Betriebsstelle mit Dienstruhe mit planmäßigem Zugverkehr und Erlaubnis zur Vorbeifahrt mit höchstens 40 km/h. | |
| Ein liegendes rückstrahlendes gelbes Kreuz auf einer quadratischen weißen Tafel. | Kennzeichnung einer Betriebsstelle mit Dienstruhe mit planmäßigem Zugverkehr. | ||
| Geschwindigkeitstafel | Eine rote Kennziffer auf einer quadratischen rückstrahlenden weißen Tafel mit rotem Rand | Anzeige der örtlich zulässigen Geschwindigkeit mit 1/10 ihres Wertes.. | |
| Ankündigungstafel | Eine rote Kennziffer in einer auf der Spitze stehenden dreieckigen rückstrahlende weißen Tafel mit rotem Rand erforderlichenfalls bis einschließlich 95 km/h. Bei beschränkten Raumverhältnissen kann die Spitze nach oben zeigen. | Ankündigung einer Änderung der örtlich zulässigen Geschwindigkeit mit 1/10 ihres Wertes. | |
| NBÜ-Bereich | Zwei orange rückstrahlende waagrechte Streifen untereinander.![]() | Kennzeichnung eines NBÜ-Bereiches. | |
| 32. Eisenbahnkreuzungsüberwachungssignal (EKÜS) (§ 60) | |||
| Bezeichnung | Beschreibung | Bedeutung | Erläuterung |
| EK befahren erlaubt | Ein gelbes Blinklicht auf schwarzer quadratischer Tafel. | Die EK darf befahren werden. | Die Anbringung der Mastkennzeichnung sowie erforderlichenfalls einer gelben Rückstrahlfläche oder eines gelben Signalgebers ist in § 89 (Triebfahrzeugführer-überwachung) der EisbKrV geregelt. |
| EK befahren nicht erlaubt | Eine schwarze quadratische Tafel. | Die EK darf nicht befahren werden, vor der EK ist anzuhalten. | Die Anbringung der Mastkennzeichnung sowie erforderlichenfalls einer gelben Rückstrahlfläche oder eines gelben Signalgebers ist in § 89 (Triebfahrzeugführer-überwachung) der EisbKrV geregelt. |
| 33. Sonstige Signale für Eisenbahnkreuzungen (§ 61) | |||
| Bezeichnung | Beschreibung | Bedeutung | Erläuterung |
| EK Gruppe Anfang | Das EKÜS gilt für die angegebene Anzahl von EKen. | Das Signal wird nur in Zusammenhang mit EKÜS verwendet, die für mehrere EKen gelten. | |
| EK Gruppe Ende | Eine rechteckige weiße rückstrahlende Tafel mit schwarzer Aufschrift „EK“ mit diagonal von links nach rechts steigender roten Durchstreichung. | Ende des Bereiches, für den das zuletzt angetroffene EKÜS gilt. | Das Signal wird nur in Zusammenhang mit EKÜS verwendet, die für mehrere EKen gelten. |
| Pfeiftafel (Pfeifpflock) | Eine senkrecht stehende, rechteckige, rückstrahlende, abwechselnd waagrecht rot und weiß gestreifte Tafel mit roter Spitze. | Ab dem Signal ist bis zum Erreichen der nicht technisch gesicherten EK wiederholt, jedoch mindestens drei Mal Signal „Achtung“ zu geben. | Weitere Bestimmungen über die Abgabe des Signals Achtung in Zusammenhang mit dem Signal „Pfeiftafel“ sind im § 58 der EisbKrV enthalten. |
| Gruppenpfeiftafel (Gruppenpfeifpflock) | Eine senkrecht stehende, rechteckige, rückstrahlende abwechselnd waagrecht rot und weiß gestreifte Tafel, die am oberen Ende zwei nach rechts steigende schwarze Streifen auf weißem Grund trägt. | Ab dem Signal ist bis zum Erreichen der ersten nicht technisch gesicherten EK wiederholt, jedoch mindestens drei Mal, und anschließend fortgesetzt bis zum Erreichen Signals „Pfeifende“ Signal „Achtung“ zu geben. | Weitere Bestimmungen über die Abgabe des Signals Achtung in Zusammenhang mit dem Signal „Pfeiftafel“ sind im § 59 der EisbKrV enthalten. |
| Pfeifende (Endpflock) | Eine senkrecht stehende, rechteckige, rückstrahlende, weiße, am oberen Ende rot gestrichene Tafel. | Ende des Bereiches, in dem auf Grund einer Gruppenpfeiftafel Signal „Achtung“ zu geben ist. | |
| Schaltstellentafel (Schaltstellen-pflock) | Eine senkrecht stehende, rechteckige, abwechselnd waagrecht schwarz und weiß gestreifte Tafel mit weißer Spitze. | Kennzeichnung der Einschaltstelle von Schranken- oder Lichtzeichenanlagen. | Das Anhalten auf der Einschaltstelle ist zu vermeiden. |
| Rautentafel | Vier auf den Spitzen übereinander stehende weiße rückstrahlende Rauten in einer rechteckigen senkrecht stehenden schwarzen Tafel. | Ankündigung eines auf Bremsweglänge aufgestellten EKÜS. | |
| Übergangssignale (§ 62) 34. Form – Hauptsignal (§ 63) | |||
| Bezeichnung | Beschreibung | Bedeutung | Erläuterung |
| Halt | Ein rückstrahlender weißer Signalarm mit rotem Rand zeigt waagrecht nach rechts. | Halt für alle Fahrten. | |
| Frei | Ein rückstrahlender weißer Signalarm mit rotem Rand zeigt schräg nach rechts aufwärts. | Der anschließende Gleisabschnitt darf von Zugfahrten mit Fahrplangeschwindigkeit befahren werden. | Das Hauptsignal kann mit einem Geschwindigkeits-anzeiger ergänzt sein. |
| Frei mit 40 km/h | Zwei rückstrahlende weiße Signalarme mit rotem Rand zeigen schräg nach rechts aufwärts. | Der anschließende Gleisabschnitt darf von Zugfahrten befahren werden, der anschließende Weichenbereich jedoch mit höchstens 40 km/h. | Das Hauptsignal kann mit einem Geschwindigkeits-anzeiger ergänzt sein. |
| 35. Form – Vorsignal (§ 64) | |||
| Bezeichnung | Beschreibung | Bedeutung | Erläuterung |
| Vorsicht | Eine runde rückstrahlende gelbe Scheibe mit schwarzem und rückstrahlendem weißen Rand. | Am zugehörigen Hauptsignal ist „Halt“ oder „Frei mit 40 km/h“ zu erwarten. Bei Einfahrvorsignalen auch Auftrag zum außerplanmäßigen Anhalten und / oder zum vorzeitigen Anhalten. | |
| Hauptsignal Frei | Ein waagrechter rückstrahlender grüner Balken mit rückstrahlenden weißen Enden. | Am zugehörigen Hauptsignal ist „Frei“ – bei schriftlicher Verständigung der Zugfahrt auch „Frei mit 40 km/h – zu erwarten. | |
| 36. Schutzsignal ohne lotrechten weißen Streifen (§ 65) | |||
| Bezeichnung | Beschreibung | Bedeutung | Erläuterung |
| Fahrverbot | Ein rotes Licht auf schwarzem Grund, das Signalschild ist weiß umrandet. | Halt für alle Fahrten. | |
| Fahrverbot aufgehoben | Zwei weiße Lichter lotrecht untereinander auf schwarzem Grund, das Signalschild ist weiß umrandet. | Der anschließende Gleisabschnitt darf befahren werden. | Eine bestehende Geschwindigkeits-information kann durch das Schutzsignal alleine nicht geändert werden. Das Schutzsignal kann mit einem Geschwindigkeits-anzeiger ergänzt sein. |
| 37. Erlaubnissignal (§ 66) | |||
| Bezeichnung | Beschreibung | Bedeutung | Erläuterung |
| Erlaubnissignal | Ein lotrechter weiß leuchtender Balken auf schwarzem Grund der gegebenenfalls durch einen oder zwei weiß leuchtende Punkte ergänzt wird. | Anzeige durch einen weiß leuchtenden Balken, für welches Hauptgleis die Freistellung eines Gruppenhauptsignals gilt; die weiß leuchtenden Punkte symbolisieren Hauptgleise, für welche die Freistellung nicht gilt. | Anwendung nur auf Nebenbahnen zulässig. |
| 38. Form – Verschubsignal (§ 67) | |||
| Bezeichnung | Beschreibung | Bedeutung | Erläuterung |
| Verschubverbot | Tagsignal: Eine weiße Kreisfläche auf schwarzem Grund, die durch einen waagrechten schwarzen Balken unterbrochen ist. | Halt für Verschubfahrten | |
| Verschubverbot aufgehoben | Tagsignal: Eine weiße Kreisfläche auf schwarzem Grund, die durch einen schräg nach rechts aufwärts zeigenden schwarzen Balken unterbrochen ist. | Zustimmung zur Verschubfahrt, ausgenommen bei Verschubsignalen mit Verschubsignalzusatz. | |
| 39. Sperrsignal (§ 68) | |||
| Bezeichnung | Beschreibung | Bedeutung | Erläuterung |
| Weiterfahrt verboten | Ein weißer, nicht rückstrahlender Kreisring auf schwarzem Grund. | Weiterfahrt verboten. | |
| 40. Weichensignale (§ 69) | |||
| Bezeichnung | Beschreibung | Bedeutung | Erläuterung |
| Gerade | Ein lotrechtes rückstrahlendes oder nicht rückstrahlendes weißes Rechteck auf schwarzem Grund.![]() | Weichenstellung zur Fahrt in die Gerade / aus der Geraden. | Verwendung bei einfachen Weichen und einfachen Kreuzungsweichen – ausgenommen Außenbogenweichen – für die Fahrt in die Gerade / aus der Geraden, bei Innenbogenweichen in den / aus dem schwächer gekrümmten Zweig. |
| In die Ablenkung | Ein rückstrahlender oder nicht rückstrahlender weißer Streifen auf schwarzem Grund zeigt entsprechend der Ablenkung schräg nach rechts oder links aufwärts.![]() | Weichenstellung zur Fahrt in die Ablenkung. | Verwendung für die Fahrt gegen die Spitze in die Ablenkung, bei Innenbogenweichen in den stärker gekrümmten Zweig, verwendet. |
| Aus der Ablenkung | Eine rückstrahlende oder nicht rückstrahlende weiße Kreisfläche auf schwarzem Grund.![]() | Weichenstellung zur Fahrt aus der Ablenkung. | Verwendung für die Fahrt nach der Spitze aus der Ablenkung, bei Innenbogenweichen aus dem stärker gekrümmten Zweig. |
| Aus dem linken (rechten) Zweig | Eine nach links oder rechts geöffnete schwarze Sichel in einer rückstrahlenden oder nicht rückstrahlenden weißen Kreisfläche auf schwarzem Grund.![]() | Weichenstellung zur Fahrt aus dem linken (rechten) Zweig. | Verwendung für die Fahrt nach der Spitze bei Außenbogenweichen und einfachen Außenbogen-kreuzungsweichen. |
Anhänge
image001.pngPNGimage002.pngPNGimage003.pngPNGimage004.pngPNGimage005.pngPNGimage006.pngPNGimage007.pngPNGimage008.pngPNGimage009.pngPNGimage010.pngPNGimage011.pngPNGimage012.pngPNGimage013.pngPNGimage014.pngPNGimage015.pngPNGimage016.pngPNGimage017.pngPNGimage018.pngPNGimage019.pngPNGimage020.pngPNGimage021.pngPNGimage022.pngPNGimage023.jpgJPGimage024.jpgJPGimage025.jpgJPGimage026.jpgJPGimage027.pngPNGimage028.pngPNGimage029.pngPNGimage030.jpgJPGimage031.pngPNGimage032.pngPNGimage033.pngPNGimage034.pngPNGimage035.pngPNGimage036.pngPNGimage037.pngPNGimage038.pngPNGimage039.pngPNGimage040.pngPNGimage041.pngPNGimage042.pngPNGimage043.pngPNGimage044.pngPNGimage045.pngPNGimage046.pngPNGimage047.pngPNGimage048.pngPNGimage049.pngPNGimage050.pngPNGimage051.pngPNGimage052.pngPNGimage053.pngPNGimage054.pngPNGimage055.pngPNGimage056.pngPNGimage057.pngPNGimage058.pngPNGimage059.pngPNGimage060.pngPNGimage061.pngPNGimage062.pngPNGimage063.pngPNGimage064.pngPNGimage065.pngPNGimage066.pngPNGimage067.pngPNGimage068.pngPNGimage069.pngPNGimage070.pngPNGimage071.pngPNGimage072.pngPNGimage073.pngPNGimage074.pngPNGimage075.pngPNGimage076.pngPNGimage077.pngPNGimage078.pngPNGimage079.pngPNGimage080.pngPNGimage081.pngPNGimage082.pngPNGimage083.pngPNGimage084.pngPNGimage085.pngPNGimage086.pngPNGimage087.pngPNGimage088.pngPNGimage089.pngPNGimage090.pngPNGimage091.pngPNGimage092.pngPNGimage093.pngPNGimage094.pngPNGimage095.pngPNGimage096.pngPNGimage097.pngPNGimage098.pngPNGimage099.pngPNGimage100.pngPNGimage101.pngPNGimage102.pngPNGimage103.pngPNGimage104.pngPNGimage105.pngPNGimage106.pngPNGimage107.pngPNGimage108.pngPNGimage109.pngPNGimage110.pngPNGimage111.pngPNGimage112.pngPNGimage113.pngPNGimage114.pngPNGimage115.pngPNGimage116.pngPNGimage117.pngPNGimage118.pngPNGimage119.pngPNGimage120.pngPNGimage121.pngPNGimage122.pngPNGimage123.pngPNGimage124.pngPNGimage125.pngPNGimage126.pngPNGimage127.pngPNGimage128.pngPNGimage129.pngPNGimage130.pngPNGimage131.jpgJPGimage132.jpgJPGimage133.pngPNGimage134.pngPNGimage135.pngPNGimage136.pngPNGimage137.pngPNGimage138.pngPNGimage139.pngPNGimage140.pngPNGimage141.pngPNGimage142.pngPNGimage143.pngPNGimage144.pngPNGimage145.pngPNGimage146.pngPNGimage147.pngPNGimage148.pngPNGimage149.pngPNGimage150.pngPNGimage151.pngPNGimage152.pngPNGimage153.pngPNG| 2 |
| 10 | 5 |
| 15 | 7 |
| 20 | 10 |
| 25 | 12 |
| 30 | 14 |
| 35 | 16 |
| 40 | 19 |
| M.S. | MBH | Bremshundertstel [%] | ||||||||||||||||||||||||||||||||
| 32 | 36 | 36 | 37 | 42 | 47 | 52 | 57 | 62 | 67 | 72 | 77 | 82 | ||||||||||||||||||||||
| 30 | 34 | 34 | 35 | 40 | ||||||||||||||||||||||||||||||
| 28 | 32 | 32 | 34 | 39 | 44 | |||||||||||||||||||||||||||||
| 26 | 30 | 30 | 32 | 37 | 42 | 47 | ||||||||||||||||||||||||||||
| 24 | 27 | 27 | 30 | 35 | 40 | 45 | 50 | |||||||||||||||||||||||||||
| 22 | 25 | 25 | 28 | 33 | 38 | 43 | 48 | 53 | 58 | |||||||||||||||||||||||||
| 20 | 23 | 23 | 27 | 32 | 37 | 40 | 47 | 52 | 57 | 62 | ||||||||||||||||||||||||
| 18 | 21 | 22 | 25 | 30 | 35 | 40 | 45 | 50 | 55 | 60 | 65 | |||||||||||||||||||||||
| 16 | 19 | 22 | 23 | 28 | 33 | 38 | 43 | 48 | 53 | 58 | 63 | 68 | ||||||||||||||||||||||
| 14 | 17 | 22 | 27 | 32 | 37 | 42 | 47 | 52 | 57 | 62 | 67 | 72 | ||||||||||||||||||||||
| 12 | 14 | 22 | 25 | 30 | 35 | 40 | 45 | 50 | 55 | 60 | 65 | 70 | 75 | |||||||||||||||||||||
| 10 | 12 | 22 | 23 | 28 | 33 | 38 | 43 | 48 | 53 | 58 | 63 | 68 | 73 | 78 | 83 | |||||||||||||||||||
| 8 | 10 | 22 | 27 | 32 | 37 | 42 | 47 | 52 | 57 | 62 | 67 | 72 | 77 | 82 | 87 | |||||||||||||||||||
| 6 | 8 | 22 | 25 | 30 | 35 | 40 | 45 | 50 | 55 | 60 | 65 | 70 | 75 | 80 | 85 | 90 | ||||||||||||||||||
| 4 | 7 | 22 | 23 | 28 | 33 | 38 | 43 | 48 | 53 | 58 | 63 | 68 | 73 | 78 | 83 | 88 | 93 | |||||||||||||||||
| 2 | 6 | 22 | 27 | 32 | 37 | 42 | 47 | 52 | 57 | 62 | 67 | 72 | 77 | 82 | 87 | 92 | 97 | |||||||||||||||||
| 0 | 6 | 22 | 25 | 30 | 35 | 40 | 45 | 50 | 55 | 60 | 65 | 70 | 75 | 80 | 85 | 90 | 95 | 100 | ||||||||||||||||
| Bwl | Geschwindigkeit [km/h] | |||||||||||||||||||||||||||||||||
| 1500 | 20 | 35 | 45 | 50 | 60 | 70 | 80 | 85 | 95 | 100 | 105 | 110 | 115 | 120 | 125 | 125 | 130 | 135 | 140 | 140 | 145 | 150 | 155 | 155 | ||||||||||
| 1400 | 20 | 35 | 40 | 45 | 60 | 65 | 75 | 85 | 90 | 95 | 100 | 105 | 110 | 115 | 120 | 125 | 125 | 130 | 135 | 135 | 140 | 145 | 150 | 150 | ||||||||||
| 1300 | 20 | 35 | 40 | 45 | 55 | 65 | 75 | 80 | 85 | 90 | 95 | 100 | 105 | 110 | 115 | 120 | 120 | 125 | 130 | 130 | 135 | 140 | 145 | 145 | ||||||||||
| 1200 | 20 | 35 | 40 | 45 | 55 | 60 | 70 | 75 | 85 | 90 | 95 | 95 | 100 | 105 | 110 | 115 | 115 | 120 | 125 | 125 | 130 | 135 | 135 | 140 | ||||||||||
| 1100 | 20 | 30 | 35 | 40 | 50 | 60 | 65 | 75 | 80 | 85 | 90 | 95 | 100 | 100 | 105 | 110 | 110 | 115 | 120 | 120 | 125 | 125 | 130 | 135 | ||||||||||
| 1000 | 20 | 30 | 35 | 40 | 50 | 55 | 65 | 70 | 75 | 80 | 85 | 90 | 95 | 95 | 100 | 105 | 105 | 110 | 115 | 115 | 120 | 120 | 125 | 130 | ||||||||||
| 900 | 20 | 30 | 35 | 40 | 45 | 55 | 60 | 70 | 75 | 80 | 80 | 85 | 90 | 95 | 95 | 100 | 105 | 105 | 110 | 110 | 115 | 115 | 120 | 125 | ||||||||||
| 800 | 20 | 25 | 30 | 35 | 45 | 50 | 55 | 65 | 70 | 70 | 75 | 80 | 85 | 85 | 90 | 95 | 95 | 100 | 100 | 105 | 105 | 110 | 115 | 115 | ||||||||||
| 700 | 20 | 25 | 30 | 30 | 40 | 45 | 55 | 60 | 65 | 70 | 70 | 75 | 80 | 80 | 85 | 85 | 90 | 90 | 95 | 95 | 100 | 105 | 105 | 110 | ||||||||||
| 600 | 20 | 20 | 25 | 30 | 35 | 45 | 50 | 55 | 60 | 65 | 65 | 70 | 75 | 75 | 80 | 80 | 85 | 85 | 90 | 90 | 90 | 95 | 100 | 100 | ||||||||||
| 500 | 20 | 20 | 25 | 30 | 35 | 40 | 45 | 50 | 55 | 60 | 60 | 65 | 65 | 70 | 70 | 75 | 75 | 80 | 80 | 80 | 85 | 85 | 90 | 95 | ||||||||||
| 400 | 20 | 20 | 20 | 25 | 30 | 35 | 40 | 45 | 50 | 50 | 55 | 60 | 60 | 60 | 65 | 65 | 70 | 70 | 70 | 75 | 75 | 80 | 80 | 80 | ||||||||||
| 300 | 10 | 10 | 15 | 15 | 20 | 20 | 25 | 25 | 30 | 30 | 35 | 35 | 40 | 40 | 45 | 45 | 50 | 50 | 55 | 55 | 60 | |||||||||||||
| 200 | 10 | 10 | 10 | 10 | 15 | 15 | 15 | 15 | 20 | 20 | 20 | 20 | 25 | 25 | 25 | 30 | ||||||||||||||||||
| Bwl | Geschwindigkeit [km/h] | |||||||||||||||||||||||||||||||||
| 1500 | 20 | 35 | 45 | 50 | 60 | 70 | 80 | 85 | 95 | 100 | 105 | 110 | 115 | 120 | 125 | 125 | 130 | 135 | 140 | 140 | 145 | 150 | 155 | 155 | ||||||||||
| 1400 | 20 | 35 | 40 | 45 | 60 | 65 | 75 | 85 | 90 | 95 | 100 | 105 | 110 | 115 | 120 | 125 | 125 | 130 | 135 | 135 | 140 | 145 | 150 | 150 | ||||||||||
| 1300 | 20 | 35 | 40 | 45 | 55 | 65 | 75 | 80 | 85 | 90 | 95 | 100 | 105 | 110 | 115 | 120 | 120 | 125 | 130 | 130 | 135 | 140 | 145 | 145 | ||||||||||
| 1200 | 20 | 35 | 40 | 45 | 55 | 60 | 70 | 75 | 85 | 90 | 95 | 95 | 100 | 105 | 110 | 115 | 115 | 120 | 125 | 125 | 130 | 135 | 135 | 140 | ||||||||||
| 1100 | 20 | 30 | 35 | 40 | 50 | 60 | 65 | 75 | 80 | 85 | 90 | 95 | 100 | 100 | 105 | 110 | 110 | 115 | 120 | 120 | 125 | 125 | 130 | 135 | ||||||||||
| 1000 | 20 | 30 | 35 | 40 | 50 | 55 | 65 | 70 | 75 | 80 | 85 | 90 | 95 | 95 | 100 | 105 | 105 | 110 | 115 | 115 | 120 | 120 | 125 | 130 | ||||||||||
| 900 | 20 | 30 | 35 | 40 | 45 | 55 | 60 | 70 | 75 | 80 | 80 | 85 | 90 | 95 | 95 | 100 | 105 | 105 | 110 | 110 | 115 | 115 | 120 | 125 | ||||||||||
| 800 | 20 | 25 | 30 | 35 | 45 | 50 | 55 | 65 | 70 | 70 | 75 | 80 | 85 | 85 | 90 | 95 | 95 | 100 | 100 | 105 | 105 | 110 | 115 | 115 | ||||||||||
| 700 | 20 | 25 | 30 | 30 | 40 | 45 | 55 | 60 | 65 | 70 | 70 | 75 | 80 | 80 | 85 | 85 | 90 | 90 | 95 | 95 | 100 | 105 | 105 | 110 | ||||||||||
| 600 | 20 | 20 | 25 | 30 | 35 | 45 | 50 | 55 | 60 | 65 | 65 | 70 | 75 | 75 | 80 | 80 | 85 | 85 | 90 | 90 | 90 | 95 | 100 | 100 | ||||||||||
| 500 | 20 | 20 | 25 | 30 | 35 | 40 | 45 | 50 | 55 | 60 | 60 | 65 | 65 | 70 | 70 | 75 | 75 | 80 | 80 | 80 | 85 | 85 | 90 | 95 | ||||||||||
| 400 | 20 | 20 | 20 | 25 | 30 | 35 | 40 | 45 | 50 | 50 | 55 | 60 | 60 | 60 | 65 | 65 | 70 | 70 | 70 | 75 | 75 | 80 | 80 | 80 | ||||||||||
| 300 | 10 | 10 | 15 | 15 | 20 | 20 | 25 | 25 | 30 | 30 | 35 | 35 | 40 | 40 | 45 | 45 | 50 | 50 | 55 | 55 | 60 | |||||||||||||
| 200 | 10 | 10 | 10 | 10 | 15 | 15 | 15 | 15 | 20 | 20 | 20 | 20 | 25 | 25 | 25 | 30 | ||||||||||||||||||
| M.G. | MBH | Bremshundertstel [%] | ||||||||||||||||||||||||||||||||
| 2 | 6 | 22 | 27 | 33 | 37 | 43 | 48 | 53 | 58 | 65 | 68 | 73 | 78 | 83 | 89 | 94 | 98 | 104 | ||||||||||||||||
| 4 | 7 | 22 | 25 | 30 | 36 | 40 | 46 | 51 | 56 | 61 | 67 | 71 | 76 | 82 | 87 | 93 | 98 | 101 | 107 | |||||||||||||||
| 6 | 8 | 22 | 27 | 33 | 39 | 43 | 49 | 54 | 60 | 65 | 71 | 75 | 80 | 85 | 91 | 97 | 101 | 104 | 111 | |||||||||||||||
| 8 | 10 | 22 | 25 | 30 | 35 | 41 | 46 | 52 | 57 | 62 | 68 | 74 | 78 | 83 | 89 | 95 | 100 | 104 | 107 | 114 | ||||||||||||||
| 10 | 12 | 22 | 27 | 32 | 38 | 44 | 49 | 55 | 60 | 66 | 71 | 77 | 81 | 87 | 93 | 98 | 103 | 107 | 110 | 118 | ||||||||||||||
| 12 | 14 | 22 | 24 | 30 | 35 | 41 | 47 | 52 | 58 | 63 | 68 | 74 | 81 | 85 | 90 | 96 | 100 | 104 | 109 | 113 | 121 | 131 | ||||||||||||
| 14 | 17 | 22 | 27 | 32 | 38 | 43 | 50 | 54 | 61 | 66 | 71 | 77 | 84 | 88 | 93 | 99 | 102 | 106 | 112 | 116 | 125 | 135 | ||||||||||||
| 16 | 19 | 22 | 23 | 29 | 35 | 40 | 46 | 52 | 57 | 64 | 69 | 75 | 81 | 88 | 92 | 97 | 102 | 106 | 110 | 116 | 120 | 128 | 140 | |||||||||||
| 18 | 21 | 22 | 23 | 25 | 32 | 37 | 43 | 49 | 55 | 60 | 67 | 72 | 78 | 84 | 91 | 95 | 100 | 105 | 109 | 114 | 120 | 124 | 132 | 144 | ||||||||||
| 20 | 23 | 23 | 25 | 27 | 34 | 40 | 45 | 51 | 58 | 63 | 70 | 75 | 81 | 87 | 93 | 98 | 102 | 108 | 113 | 118 | 123 | 127 | 137 | 150 | ||||||||||
| 22 | 25 | 25 | 27 | 30 | 36 | 42 | 48 | 54 | 61 | 66 | 72 | 78 | 84 | 91 | 97 | 102 | 106 | 112 | 116 | 121 | 127 | 131 | ||||||||||||
| 24 | 27 | 27 | 29 | 32 | 38 | 44 | 50 | 56 | 64 | 68 | 76 | 81 | 86 | 93 | 100 | 104 | 110 | 115 | 120 | 125 | 130 | 134 | ||||||||||||
| 26 | 30 | 30 | 32 | 35 | 41 | 48 | 54 | 60 | 68 | 75 | 81 | 86 | 91 | 98 | 105 | 109 | 115 | 120 | 126 | 130 | 134 | |||||||||||||
| 28 | 32 | 32 | 35 | 37 | 44 | 51 | 58 | 65 | 72 | 78 | 84 | 90 | 95 | 100 | 109 | 114 | 120 | 124 | 130 | 134 | 138 | |||||||||||||
| 30 | 34 | 34 | 37 | 40 | 47 | 54 | 61 | 69 | 75 | 81 | 88 | 94 | 99 | 106 | 113 | 118 | 124 | 128 | 134 | 138 | 142 | |||||||||||||
| 32 | 36 | 36 | 39 | 42 | 50 | 57 | 64 | 71 | 77 | 84 | 91 | 98 | 103 | |||||||||||||||||||||
| 34 | 39 | 39 | 41 | 44 | 52 | 59 | 67 | 74 | 80 | 87 | 95 | 103 | ||||||||||||||||||||||
| 36 | 41 | 41 | 43 | 47 | 55 | 62 | 70 | 77 | 83 | 90 | 99 | 107 | ||||||||||||||||||||||
| 38 | 43 | 43 | 45 | 49 | 58 | 65 | 73 | 80 | 86 | 94 | 103 | |||||||||||||||||||||||
| 40 | 45 | 45 | 48 | 52 | 60 | 67 | 76 | 84 | 90 | 97 | 105 | |||||||||||||||||||||||
| 50 |
| 55 |
| 60 |
| 65 |
| 70 |
| 75 |
| 80 |
| 85 |
| 54 |
| 59 |
| 64 |
| 69 |
| 74 |
| 79 |
| 84 |
| 89 |
| 57 |
| 61 |
| 67 |
| 72 |
| 77 |
| 82 |
| 87 |
| 92 |
| 60 |
| 65 |
| 70 |
| 75 |
| 80 |
| 85 |
| 90 |
| 95 |
| 63 |
| 68 |
| 73 |
| 78 |
| 83 |
| 88 |
| 93 |
| 98 |
| 72 |
| 77 |
| 82 |
| 84 |
| 92 |
| 97 |
| 102 |
| 75 |
| 80 |
| 85 |
| 90 |
| 95 |
| 100 |
| 105 |
| 78 |
| 83 |
| 88 |
| 93 |
| 98 |
| 103 |
| 108 |
| 122 |
| 137 |
| 153 |
| 169 |
| 82 |
| 87 |
| 92 |
| 97 |
| 102 |
| 107 |
| 112 |
| 126 |
| 141 |
| 157 |
| 173 |
| 85 |
| 90 |
| 95 |
| 100 |
| 105 |
| 110 |
| 115 |
| 129 |
| 144 |
| 160 |
| 176 |
| 88 |
| 93 |
| 98 |
| 103 |
| 108 |
| 113 |
| 118 |
| 132 |
| 147 |
| 163 |
| 179 |
| 92 |
| 97 |
| 102 |
| 107 |
| 112 |
| 117 |
| 122 |
| 136 |
| 151 |
| 167 |
| 183 |
| 100 |
| 105 |
| 110 |
| 115 |
| 120 |
| 125 |
| 139 |
| 154 |
| 170 |
| 186 |
| 103 |
| 108 |
| 113 |
| 118 |
| 123 |
| 128 |
| 142 |
| 157 |
| 173 |
| 189 |
| 107 |
| 112 |
| 117 |
| 122 |
| 127 |
| 132 |
| 146 |
| 161 |
| 177 |
| 193 |
| 110 |
| 115 |
| 120 |
| 125 |
| 130 |
| 135 |
| 149 |
| 164 |
| 180 |
| 196 |
| 160 |
| 155 |
| 160 |
| 160 |
| 150 |
| 155 |
| 155 |
| 155 |
| 160 |
| 145 |
| 145 |
| 150 |
| 150 |
| 155 |
| 160 |
| 160 |
| 140 |
| 140 |
| 145 |
| 145 |
| 145 |
| 150 |
| 155 |
| 160 |
| 130 |
| 135 |
| 135 |
| 140 |
| 140 |
| 145 |
| 150 |
| 155 |
| 160 |
| 130 |
| 130 |
| 130 |
| 135 |
| 135 |
| 135 |
| 140 |
| 120 |
| 120 |
| 125 |
| 125 |
| 115 |
| 115 |
| 120 |
| 120 |
| 105 |
| 110 |
| 110 |
| 110 |
| 90 |
| 100 |
| 100 |
| 100 |
| 85 |
| 85 |
| 85 |
| 90 |
| 160 |
| 155 |
| 160 |
| 160 |
| 150 |
| 155 |
| 155 |
| 155 |
| 160 |
| 145 |
| 145 |
| 150 |
| 150 |
| 155 |
| 160 |
| 160 |
| 140 |
| 140 |
| 145 |
| 145 |
| 145 |
| 150 |
| 155 |
| 160 |
| 130 |
| 135 |
| 135 |
| 140 |
| 140 |
| 145 |
| 150 |
| 155 |
| 160 |
| 130 |
| 130 |
| 130 |
| 135 |
| 135 |
| 135 |
| 140 |
| 120 |
| 120 |
| 125 |
| 125 |
| 115 |
| 115 |
| 120 |
| 120 |
| 105 |
| 110 |
| 110 |
| 110 |
| 90 |
| 100 |
| 100 |
| 100 |
| 85 |
| 85 |
| 85 |
| 90 |
| 114 |
| 120 |
| 126 |
| 131 |
| 136 |
| 140 |
| 154 |
| 168 |
| 185 |
| 201 |
| 119 |
| 125 |
| 130 |
| 135 |
| 141 |
| 145 |
| 158 |
| 173 |
| 190 |
| 206 |
| 123 |
| 129 |
| 135 |
| 141 |
| 146 |
| 151 |
| 163 |
| 178 |
| 194 |
| 211 |
| 128 |
| 134 |
| 141 |
| 147 |
| 152 |
| 157 |
| 168 |
| 182 |
| 199 |
| 216 |
| 132 |
| 139 |
| 146 |
| 153 |
| 159 |
| 164 |
| 172 |
| 187 |
| 204 |
| 221 |
| 144 |
| 152 |
| 158 |
| 163 |
| 168 |
| 177 |
| 192 |
| 209 |
| 226 |
| 150 |
| 157 |
| 164 |
| 169 |
| 174 |
| 156 |
| 162 |
| 168 |