Gegenstand
§ 2Begriffsbestimmungen
§ 3Arten von Krankenhaus-Hubschrauberflugplätzen
§ 4Standorte von Krankenhaus-Hubschrauberflugplätzen
§ 5Benennung von Krankenhaus-Hubschrauberflugplätzen
§ 6Krankenhaus-Hubschrauberflugplatzbezugspunkt und -bezugshöhe
§ 7Generelle Planungsgrundsätze
§ 8Endanflug- und Startfläche (FATO) bei einem Bodenlandeplatz
§ 9Endanflug- und Startfläche (FATO) bei einem erhöhten Landeplatz
§ 10Aufsetz- und Abhebefläche (TLOF) bei einem Bodenlandeplatz
§ 11Aufsetz- und Abhebefläche (TLOF) bei einem erhöhten Landeplatz
§ 12Sicherheitsflächen bei einem Bodenplatz
§ 13Sicherheitsflächen bei einem erhöhten Landeplatz
§ 14Verfügbare Strecken
§ 15Hubschrauberabstellflächen
§ 16Hindernisbegrenzungsfläche
§ 17Windrichtungsanzeiger
§ 18Namensmarkierung
§ 19Erkennungsmarkierung
§ 20Hubschrauberlimitierungsmarkierungen
§ 21Zielpunktmarkierung
§ 22Aufsetzflächenmarkierung
§ 23Befeuerung
§ 24Rettungs- und Feuerlöschwesen
§ 25Daten und Informationen zu Krankenhaus-Hubschrauberflugplätzen
§ 26Betriebsbereitschaft
§ 27Sprachliche Gleichbehandlung
§ 28In- und Außerkrafttreten
§ 29Übergangsbestimmungen
Vorwort
(1) Mit dieser Verordnung werden die für die Erteilung einer Zivilflugplatz-Bewilligung gemäß § 80b Luftfahrtgesetz – LFG, BGBl. Nr. 253/1957 in der jeweils geltenden Fassung, für Krankenhaus-Hubschrauberflugplätze zu erfüllenden Mindestanforderungen sowie bestimmte für die Benützung dieser Flächen einzuhaltende Anforderungen festgelegt.
(2) Die zuständige Behörde kann in begründeten Fällen von den in dieser Verordnung festgelegten Mindestanforderungen durch die Vorschreibung anderer Maßnahmen, die dem Interesse der Sicherheit der Luftfahrt in einem vergleichbaren Ausmaß entsprechen, abweichen. Eine Abweichung darf von der zuständigen Behörde nur dann genehmigt werden, wenn eine Risikobewertung gemäß Abs. 3 durchgeführt worden ist. Im Falle einer Abweichung sind jedenfalls der jeweilige Stand der Technik sowie die Bestimmungen der §§ 4, 7, 24 sowie 25 anzuwenden.
(3) Mit einer Risikobewertung sind die sicherheitsrelevanten Auswirkungen einer geplanten Maßnahme zu bewerten und darzustellen sowie Maßnahmen zur Minderung der Eintrittswahrscheinlichkeit bzw. der Schwere der Auswirkung aufzuzeigen. Es sind dabei insbesondere die Sicherheitsgrundsätze des Zivilflugplatzhalters und die Bewertungsgrundsätze (Eintrittswahrscheinlichkeiten, Auswirkungen) sowie eine dazugehörige Bewertungsmatrix darzustellen.
(4) Von dieser Verordnung unberührt bleiben die für Ambulanz- und Rettungsflüge anwendbaren nationalen und unionsrechtlichen flugbetrieblichen sowie technischen Bestimmungen.
Im Sinne dieser Verordnung gilt, soweit nichts anderes bestimmt ist, als
1. Krankenhaus-Hubschrauberflugplatz: eine Hubschrauberlandefläche bei Krankenhäusern, die ausschließlich für Ambulanz- und/oder Rettungseinsätze verwendet wird (§ 80b LFG),
2. Ambulanzeinsätze: Flüge zur Beförderung von bereits ärztlich versorgten, schwer kranken oder schwer verletzten Personen oder von Notfallspatienten von einer Krankenanstalt in eine andere sowie mit solchen Flügen in unmittelbarem Zusammenhang stehende Flüge,
3. Rettungseinsätze (Helicopter Emergency Medical Service – HEMS): Flüge zum Zweck der Unterstützung medizinischer Hilfeleistungen, bei denen ein sofortiger und schneller Transport unerlässlich ist, durch die Beförderung von
a) medizinischem Personal,
b) medizinischem Material (Ausrüstung, Blut, Organe, Medikamente), oder
c) kranken oder verletzten Personen und anderen direkt beteiligten Personen,
4. dicht besiedeltes Gebiet: im Zusammenhang mit einer Stadt oder Siedlung ein Bereich, der im Wesentlichen für Wohn-, gewerbliche oder Erholungszwecke genutzt wird (Z 18 des Anhanges I der Verordnung (EU) Nr. 965/2012 zur Festlegung technischer Vorschriften und von Verwaltungsverfahren in Bezug auf den Flugbetrieb gemäß der Verordnung (EG) Nr. 216/2008, ABl. Nr. L 296 vom 25.10.2012 S. 1, idgF),
5. Gebiet mit schwierigen Umgebungsbedingungen: ein Gebiet, in dem eine sichere Notlandung nicht durchgeführt werden kann, weil die Oberfläche dies nicht zulässt oder in dem ein unannehmbares Risiko einer Gefährdung von Personen oder Objekten am Boden besteht sowie diejenigen Teile eines dicht besiedelten Gebietes, in dem keine geeigneten Flächen für eine sichere Notlandung vorhanden sind,
Krankenhaus-Hubschrauberflugplätze können als Bodenlandeplatz (§ 2 Z 21) oder als erhöhter Landeplatz (§ 2 Z 22) genehmigt werden.
(1) Bei der Standortwahl von Krankenhaus-Hubschrauberflugplätzen ist insbesondere zu berücksichtigen, dass die Größe und Beschaffenheit der in Aussicht genommenen Fläche sowie die Beschaffenheit ihrer Umgebung die Errichtung der für einen geordneten Flugbetrieb innerhalb der vorgegebenen Betriebs- und Leistungsgrenzen des jeweiligen Referenzhubschraubers notwendigen Bewegungsflächen und sonstigen Bodeneinrichtungen sowie Flugsicherungsanlagen ermöglichen und den Bestimmungen dieser Verordnung über die Hindernisbegrenzungsflächen entsprechen.
(2) Bei der Standortwahl müssen zudem die vorgegebenen Notverfahren des jeweiligen Referenzhubschraubers sowie die Hintanhaltung von Gefährdungen für Personen beim Betrieb in bebauten Gebieten bzw. im unmittelbaren Nahebereich von Menschenansammlungen berücksichtigt werden. Weiters ist darauf zu achten, dass durch den Betrieb der Hubschrauber beim Abflug und bei der Landung durch den Rotorabwind keine Personen gefährdet oder Sachen beschädigt werden sowie keine unzumutbaren Lärmimmissionen herbeigeführt werden.
Für die Benennung eines Krankenhaus-Hubschrauberflugplatzes ist ein Name zu wählen, der eine eindeutige Identifizierung der Landefläche ermöglicht und eine Verwechslung mit einem anderen Zivilflugplatz ausschließt. Diese Bezeichnung ist in der Zivilflugplatz-Bewilligung gemäß § 80b LFG als Krankenhaus-Hubschrauberflugplatzname festzulegen. Dem Krankenhaus-Hubschrauberflugplatznamen ist von der zuständigen Behörde ein vierstelliger ICAO-Code (Hubschrauberflugplatzkennungszeichen) beizustellen.
(1) Für jeden Krankenhaus-Hubschrauberflugplatz sind der Hubschrauberflugplatzbezugspunkt und die Hubschrauberflugplatzbezugshöhe zu ermitteln und in der Zivilflugplatz-Bewilligung gemäß § 80b LFG festzulegen.
(2) Der Hubschrauberflugplatzbezugspunkt ist nach geographischen Koordinaten (Länge bezogen auf Greenwich), auf volle Bogensekunden auf- beziehungsweise abgerundet, ungefähr im geometrischen Mittelpunkt der für den Start und die Landung bestimmten Bewegungsflächen festzusetzen und im Flugplatzlageplan einzutragen.
(3) Die Hubschrauberflugplatzbezugshöhe ist im geometrischen Mittelpunkt der Aufsetz- und Abhebefläche anzunehmen. Wenn der Höhenunterschied zwischen dem geometrischen Mittelpunkt der Aufsetz- und Abhebefläche bzw. zwischen diesem und der Schwelle bzw. zwischen den einzelnen Schwellen zueinander größer als 1,0 m ist, sind mehrere Höhen, jedoch zumindest jene der definierten Schwellen, zu bestimmen.
(1) Krankenhaus-Hubschrauberflugplätze müssen für den jeweiligen Referenzhubschrauber sowie die anzuwendenden Flugleistungsanforderungen dimensioniert werden. Die jeweiligen Ausmaße sind in der Zivilflugplatz-Bewilligung gemäß § 80b LFG festzulegen.
(2) Auf Krankenhaus-Hubschrauberflugplätzen sind die Richtung und Anzahl der Pisten, bei mehr als zwei An- und Abflugrichtungen zumindest die Anzahl jener der bevorzugten Richtungen, soweit wie möglich in der vorherrschenden Hauptwindrichtung festzulegen. Werden für einen Krankenhaus-Hubschrauberflugplatz zwei An- und Abflugflächen festgelegt, so müssen die Mittellinien der An- und Abflugflächen mindestens 150° zueinander angeordnet werden.
(3) Dem Antrag auf Erteilung der Zivilflugplatz-Bewilligung gemäß § 80b LFG sind aussagekräftige Unterlagen über den Standort (zB die Hauptwindrichtung, Hindernisse, Lärmimmissionen), die geplanten An- und Abflugverfahren, den Referenzhubschrauber sowie die geplante Tragfähigkeit der Endanflug- und Startfläche beizufügen.
(1) Ein Bodenlandeplatz muss mindestens eine Endanflug- und Startfläche haben.
(2) Die Endanflug- und Startfläche muss hindernisfrei sein.
(3) Die Größe der Endanflug- und Startfläche muss, unabhängig von der höchstzulässigen Abflugmasse, mindestens einem Kreis mit einem Durchmesser der Größe des Hubschraubers (D) entsprechen. Bei der Festlegung einer Endanflug- und Startfläche mit einem Kreisdurchmesser von 1xD ist zu beachten, dass die für den Startabbruch benötigte Landefläche bei Vorwärtsstart größer als 1xD ist. Die zur Verfügung stehende Startabbruchstrecke muss sich nach dem jeweiligen Referenzhubschrauber sowie die anzuwendenden Flugleistungsanforderungen richten.
(4) Die Gesamtneigungen der Endanflug- und Startfläche darf 3 % in jeder Richtung nicht überschreiten. Eine Endanflug- und Startfläche darf an keiner Stelle eine Neigung von mehr als 5% bei Flügen in Flugleistungsklasse 1 aufweisen.
(5) Die gesamte Oberfläche der Endanflug- und Startfläche muss den Auswirkungen des Rotorabwindes standhalten, soweit wie möglich frei von Unregelmäßigkeiten sein, die sich nachteilig auf Start oder Landung auswirken könnten sowie über eine ausreichende Tragfähigkeit verfügen. Bei der Bemessung der ausreichenden Tragfähigkeit ist mindestens ein Startabbruch bei höchstzulässiger Abflugmasse des Referenzhubschraubers bei Betrieb in der jeweils anwendbaren Flugleistungsklasse anzusetzen. Bei Betrieb in der Flugleitungsklasse 1 kann sich die Bemessung auf die höchstzulässige Abflugmasse beschränken, bei Betrieb in der Flugleistungsklasse 2 sind entsprechende statische Gutachten zugrunde zu legen, wobei zumindest die doppelte höchstzulässige Abflugmasse anzusetzen ist.Weiters muss die Oberfläche der Endanflug- und Startfläche so gestaltet sein, dass notwendige Bodeneffekte entstehen können.
(1) Ein erhöhter Landeplatz muss mindestens eine Endanflug- und Startfläche haben.
(2) Die Endanflug- und Startfläche muss hindernisfrei sein.
(3) Die Größe der Endanflug- und Startfläche muss, unabhängig von der höchstzulässigen Abflugmasse, mindestens einem Kreis mit einem Durchmesser der Größe des Hubschraubers (D) entsprechen, jedoch dürfen, ohne Berücksichtigung allfälliger Korrekturfaktoren für Temperatur und Höhe oder Wind,
1. 15 m als Kreisdurchmesser oder
2. 15 m Kantenlänge bei einem Rechteck
nicht unterschritten werden.
(4) Die Neigungen der Endanflug- und Startfläche müssen ausreichend groß sein, um Ansammlungen von Wasser an der Oberfläche zu vermeiden, dürfen jedoch 2 % in jeder Richtung nicht überschreiten.
(5) Die gesamte Oberfläche der Endanflug- und Startfläche muss den Auswirkungen des Rotorabwindes standhalten und soweit wie möglich frei von Unregelmäßigkeiten sein, die sich nachteilig auf Start oder Landung auswirken könnten sowie über eine ausreichende Tragfähigkeit verfügen. Bei der Bemessung der ausreichenden Tragfähigkeit ist mindestens ein Startabbruch bei höchstzulässiger Abflugmasse des Referenzhubschraubers bei Betrieb in der jeweils anwendbaren Flugleistungsklasse anzusetzen. Bei Betrieb in der Flugleitungsklasse 1 kann sich die Bemessung auf die höchstzulässige Abflugmasse beschränken, bei Betrieb in der Flugleistungsklasse 2 sind entsprechende statische Gutachten zugrunde zu legen, wobei zumindest die doppelte höchstzulässige Abflugmasse anzusetzen ist. Weiters muss die Oberfläche der Endanflug- und Startfläche so gestaltet sein, dass notwendige Bodeneffekte entstehen können.
(1) Ein Bodenlandeplatz muss mindestens eine Aufsetz- und Abhebefläche haben. Diese Fläche kann sich innerhalb oder außerhalb der Endanflug- und Startfläche befinden.
(2) Die Größe der Aufsetz- und Abhebefläche muss mindestens einem Kreis mit einem Durchmesser der Größe des Hubschraubers (D) entsprechen.
(3) Die Neigungen der Aufsetz- und Abhebefläche müssen ausreichend groß sein, um Ansammlungen von Wasser an der Oberfläche zu vermeiden, dürfen jedoch 2 % in jeder Richtung nicht überschreiten.
(4) Die Oberfläche der Aufsetz- und Abhebefläche muss den Auswirkungen des Rotorabwindes standhalten. Bei der Bemessung der ausreichenden Tragfähigkeit ist, wenn die Aufsetz- und Abhebefläche innerhalb einer Endanflug- und Startfläche liegt, mindestens ein Startabbruch des Referenzhubschraubers bei höchstzulässiger Abflugmasse anzusetzen.
(5) Wenn eine Aufsetz- und Abhebefläche innerhalb einer Endanflug- und Startfläche liegt, muss der geometrische Mittelpunkt der Aufsetz- und Abhebefläche mindestens die Hälfte der Größe des Hubschraubers (D) von der Ecke der Endanflug- und Startfläche entfernt liegen.
(1) Ein erhöhter Hubschrauberlandeplatz muss mindestens eine Aufsetz- und Abhebefläche haben.
(2) Hinsichtlich der Größe und der Neigung der Aufsetz- und Abhebefläche sind die Bestimmungen des § 10 Abs. 2 und 3 anzuwenden.
(3) Die Tragfähigkeit der Aufsetz- und Abhebefläche ist so zu bemessen, dass sie dem dafür vorgesehenen Betrieb standhält, es ist jedoch mindestens ein Startabbruch des Referenzhubschraubers bei höchstzulässiger Abflugmasse bei Betrieb in der Flugleistungsklasse 1 anzusetzen. Bei dieser Bemessung ist zusätzlich die Belastung durch insbesondere Personen, Schnee, Fracht, Treibstofflagerung oder Treibstoffvorhaltung und notwendige Feuerlöschgeräte zu berücksichtigen.
(4) Die Oberfläche der Aufsetz- und Abhebefläche muss rutschfest für Hubschrauber und Personen sein.
(1) Eine Endanflug- und Startfläche muss von einer Sicherheitsfläche umschlossen sein, welche übergangslos an diese anschließt. Im Falle einer nicht befestigten Sicherheitsfläche ist diese so zu gestalten, dass die für den Start und die Landung notwendigen Bodeneffekte entstehen können und durch den Rotorabwind keine Fremdkörper aufgewirbelt werden können.
(2) Die Sicherheitsfläche muss mindestens eine Breite von 3 m oder die 0,25 fache Größe des Hubschraubers (D) aufweisen, je nachdem, welcher der größere Wert ist.
(3) Die Größe der Endanflug- und Startfläche sowie Aufsetz- und Abhebefläche und der umschließenden Sicherheitsfläche muss zusammen mindestens 2mal die Größe des Hubschraubers (D), unabhängig von der Form der Fläche, aufweisen. Davon abweichend können jene Seiten des Landeplatzes gestaltet werden, die nicht in Richtung einer festgelegten An- und Abflugflächen liegen. Diese Seiten müssen zumindest den Bestimmungen gemäß Abs. 1 und 2 entsprechen.
(4) Bei einer Endanflug- und Startfläche in Kreisform oder bei einer rechteckigen Endanflug- und Startfläche, bei welcher die An- und Abflugfläche verdreht wird, hat jener Teil des Sicherheitsstreifens, der zwischen der Form der Endanflug- und Startfläche und dem Innenrand der An- und Abflugfläche liegt, den Anforderungen gemäß den Abs. 5 bis 7 zu entsprechen.
(5) Die Sicherheitsfläche darf eine maximale Steigung, beginnend an der Kante der Endanflug- und Startfläche von 3% nicht übersteigen.
(6) Innerhalb der Sicherheitsfläche dürfen sich nur brechbare Objekte, die für den ordnungsgemäßen Hubschrauberbetrieb erforderlich sind, befinden. Diese brechbaren Objekte dürfen eine am Rand im Ausmaß von 25 cm über der Endanflug- und Startfläche beginnende und mit einer Steigung von 5% ansteigende Fläche nicht durchragen. Bei Hubschrauberbewegungen sind innerhalb der Sicherheitsfläche keine beweglichen Objekte zulässig.
(7) Zusätzlich dürfen keine Objekte eine beginnend beim äußeren Rand der Sicherheitsfläche auf eine Länge von 10 m und in einem Winkel von 45° ansteigende Fläche durchragen. Davon ausgenommen kann eine einzige Seite der Endanflug- und Startfläche werden, wenn zusätzlich keine An- oder Abflugfläche auf dieser Seite der Endanflug- und Startfläche liegt.
(1) Eine Endanflug- und Startfläche sowie Aufsetz- und Abhebefläche muss von einer Sicherheitsfläche umschlossen sein, die übergangslos an diese anschließt.
(2) Die Sicherheitsfläche muss mindestens eine Breite von 3 m oder die 0,25 fache Größe des Hubschraubers (D), je nachdem welcher der größere Wert ist, aufweisen.
(3) Die Größe der Endanflug- und Startfläche sowie Aufsetz- und Abhebefläche und der umschließenden Sicherheitsfläche muss zusammen mindestens 2mal die Größe des Hubschraubers (D), unabhängig von der Form der Fläche, aufweisen. Davon abweichend können jene Seiten des Landeplatzes gestaltet werden, die nicht in Richtung einer festgelegten An- und Abflugflächen liegen. Diese Seiten müssen den Bestimmungen gemäß Abs. 1 und 2 entsprechen.
(4) Bei einer Endanflug- und Startfläche in Kreisform oder bei einer rechteckigen Endanflug- und Startfläche, bei welcher die An- und Abflugfläche verdreht wird, hat jener Teil des Sicherheitsstreifens, der zwischen der Form der Endanflug- und Startfläche und dem Innenrand der An- und Abflugfläche liegt, den Anforderungen gemäß den Abs. 5 bis 8 zu entsprechen.
(5) Die Sicherheitsfläche darf eine maximale Steigung, beginnend an der Kante der Endanflug- und Startfläche von 3% nicht übersteigen.
(6) Innerhalb der Sicherheitsfläche dürfen sich nur brechbare Objekte, die für den ordnungsgemäßen Hubschrauberbetrieb erforderlich sind, befinden. Diese brechbaren Objekte dürfen eine am Rand im Ausmaß von 25 cm über der Endanflug- und Startfläche beginnende und mit einer Steigung von 5% ansteigende Fläche nicht durchragen. Bei Hubschrauberbewegungen sind innerhalb der Sicherheitsfläche keine beweglichen Objekte zulässig. Die Angaben über die seitliche Übergangsfläche in Muster 1 und 2 der Anlage bleiben unberührt.
(7) Zusätzlich dürfen keine Objekte eine beginnend beim äußeren Rand der Sicherheitsfläche auf eine Länge von 10 m und in einem Winkel von 45° ansteigende Fläche durchragen. Davon ausgenommen werden kann, insbesondere für die Schaffung eines Übergabepunktes, eine einzige Seite der Endanflug- und Startfläche, wenn zusätzlich keine An- oder Abflugfläche auf dieser Seite der Endanflug- und Startfläche liegt. Die Angaben über die seitliche Übergangsfläche in Muster 1 und 2 der Anlage bleiben unberührt.
(8) Die Tragfähigkeit der Sicherheitsfläche ist so zu bemessen, dass diese dem dafür vorgesehenen Betrieb standhält, mindestens jedoch für die höchstzulässige Abflugmasse des Referenzhubschraubers ausgelegt ist. Die Oberfläche der Sicherheitsfläche muss so gestaltet sein, dass die für den Start und die Landung notwendigen Bodeneffekte entstehen können.
(9) Bei abfallenden Rändern sind nach außen ansteigende Fangnetze, welche dem Stand der Technik entsprechen, für den Personenschutz vorzusehen. Die Fangnetze oder Teile von diesen dürfen die Höhe der Endanflug- und Starfläche nicht überragen.
(1) Für einen Krankhaus-Hubschrauberflugplatz sind im Hinblick auf den Referenzhubschrauber sowie die anzuwendenden Flugleistungsanforderungen folgende Strecken, soweit dies für den ordnungsgemäßen Flugbetrieb erforderlich ist, gerundet auf den nächsten vollen Meter festzusetzen und in luftfahrtüblicher Weise zu verlautbaren:
1. verfügbare Startstrecke (TODAH) gemäß Z 119 des Anhanges I der Verordnung (EU) Nr. 965/2012,
2. verfügbare Startabbruchstrecke (RTODAH) gemäß Z 116 des Anhanges I der Verordnung (EU) Nr. 965/2012, und
3. verfügbare Landestrecke (LDAH): die Länge der FATO samt einer zusätzlichen Fläche, die für die Beendigung des Endanfluges als verfügbar und geeignet erklärt wird.
(2) Sind die für den Startabbruch gemäß den jeweiligen Flug- bzw. Betriebshandbüchern des Referenzhubschraubers erforderlichen Strecken größer als die vorhandenen baulichen Flächen, so ist ein Rückwärtsstartverfahren festzulegen und dies anstelle der RTODAH zu verlautbaren.
(1) Hubschrauberabstellflächen dürfen nur außerhalb von Sicherheitsstreifen und außerhalb von An- und Abflugflächen von Luftfahrzeugen angelegt werden. Ihr Abstand vom Sicherheitsstreifen und An- und Abflugflächen muss so groß sein, dass Hubschrauber, für welche die Abstellfläche bestimmt ist, die An- und Abflugfläche sowie die Übergangsfläche nicht durchragen können.
(2) Eine Abstellfläche darf an keiner Stelle und in keiner Richtung eine Neigung von 2% überschreiten.
(3) Eine Abstellfläche muss mindestens 1,2mal die Größe des Hubschraubers (D) aufweisen.
(4) Ist vorgesehen, dass ein Hubschrauber auf einer Abstellfläche Drehungen durchführt, muss ein Sicherheitsstreifen die Fläche der Abstellfläche ganzseitig umschließen. Die Größe der Abstellfläche inklusive Sicherheitsstreifen muss mindestens 2mal die Größe des Hubschraubers (D) aufweisen.
(5) Auf Abstellflächen und gegebenenfalls Sicherheitsstreifen dürfen sich keine fixen Objekte befinden.
(6) Die Tragfähigkeit der Abstellfläche ist so zu bemessen, dass diese dem dafür vorgesehenen Betrieb standhält, jedoch muss die höchstzulässige Abflugmasse mindestens auf einer Kreisfläche mit dem geometrischen Mittelpunkt der Abstellfläche von 0,83mal der Größe des Hubschraubers (D) angesetzt werden.

Hubschrauberabstellfläche
Anhänge
image001.jpgJPG(1) Krankenhaus-Hubschrauberflugplätze dürfen nur betrieben werden, wenn die gemäß den Abs. 2 bis 5 festzulegenden Hindernisbegrenzungsflächen der für den An- und Abflug bestimmten Bewegungsflächen frei von Hindernissen sind, welche die Sicherheit der Luftfahrt beeinträchtigen.
(2) Die Erfordernisse für Hindernisbegrenzungsflächen sind auf der Grundlage der beabsichtigten Nutzung einer Endanflug- und Startfläche, d.h. Anflugverfahren zum Schweben oder zur Landung, Startverfahren und Art des Anfluges festzulegen.
(3) Die festzulegenden Hindernisbegrenzungsflächen für Anflüge müssen in Abhängigkeit der anzuwendenden Flugleistungsklasse den Flächen aus der Tabelle gemäß Muster 1 der Anlage genügen. Bei erschwerten örtlichen Bedingungen können für Anflüge unter Verwendung eines dem jeweiligen Referenzhubschrauber entsprechenden Landeentscheidungspunktes (LDP), von dem aus eine sichere Landung auch bei Triebwerksausfall auf dem Hubschrauberlandeplatz durchführbar ist, die Hindernisbegrenzungsflächen gemäß der Spalte 2 der Tabelle angesetzt werden.
(4) Die festzulegenden Hindernisbegrenzungsflächen für Abflüge müssen in Abhängigkeit der anzuwendenden Flugleistungsklasse den Flächen aus der Tabelle gemäß Muster 2 der Anlage genügen. Bei erschwerten örtlichen Bedingungen können für Abflüge unter Verwendung eines dem jeweiligen Referenzhubschrauber entsprechenden Rückwärtsstartverfahrens, bei dem entweder eine sichere Landung auch bei Triebwerksausfall auf dem Hubschrauberlandeplatz oder durch einen angemessenen Sinkflug ein Start durchführbar sind, die Hindernisbegrenzungsflächen gemäß der Spalte 3 der Tabelle angesetzt werden.
(5) Bei der Festlegung des Rückwärtsstartverfahrens ist zu berücksichtigen, dass nach Erreichung des TDP ein Vorwärtsflug mit einem angemessenen Sinkflug zur Geschwindigkeitsaufnahme durchgeführt wird. Dabei ist die Hindernissituation nicht nur im Bereich des Rückwärtsfluges, sondern auch im Vorwärtsflug zu berücksichtigen. Daher sind die für das Rückwärtsstartverfahren angegeben Flächen unter der Bedingung anzuwenden, dass die untere Begrenzung der beschriebenen Flächen zumindest 35ft über sämtlichen Objekten in Abhängigkeit der jeweiligen Höhe und Lage der Entscheidungshöhe sowie der Situation der Objekte im Vorwärtsflugteil verbleibt. Als Objekte gelten insbesondere Bauten, Bäume, Kräne, Antennen, Blitzschutzanlagen, Dachaufbauten sowie technische Geräte am Dach eines Gebäudes, Leitungen, Seil- und Drahtverspannungen.
(6) Die anwendbaren An- und Abflugverfahren sind luftfahrtüblich kundzumachen (§ 25).


(1) Ein Krankenhaus-Hubschrauberflugplatz ist mit mindestens einem Windrichtungsanzeiger auszustatten.
(2) Ein Windrichtungsanzeiger ist so aufzustellen, dass er die Windverhältnisse über der FATO anzeigt und von den Auswirkungen gestörter Luftströmungen durch benachbarte Objekte oder Rotorwind nicht beeinflusst wird. Er muss von einem im Flug, im Schweben oder auf der Bewegungsfläche befindlichen Hubschrauber aus sichtbar sein.
(3) Wenn gestörte Luftströmungen auf einer FATO auftreten können, sind zusätzliche Windrichtungsanzeiger dicht an der Fläche aufzustellen, um den Bodenwind auf der Fläche anzuzeigen.
(4) Ein Windrichtungsanzeiger muss so beschaffen sein, dass er eine eindeutige Anzeige der Windrichtung und eine grobe Anzeige der Windgeschwindigkeit gibt.
(5) Ein Windrichtungsanzeiger soll aus einem gekürzten Kegel aus leichtem Material bestehen und mindestens die folgenden Abmessungen haben:
| a) Länge | 2,4 m |
| b) Durchmesser breiteres Ende | 0,6 m |
| c) Durchmesser schmaleres Ende | 0,3 m. |
(6) Die Farbe des Windrichtungsanzeigers ist unter Berücksichtigung des Hintergrundes so zu wählen, dass er aus einer Höhe von mindestens 200 m (650 ft) über dem Hubschrauberlandeplatz klar sichtbar ist und die angezeigte Information erkannt werden kann. Es ist eine Einzelfarbe, vorzugsweise Weiß oder Orange, zu verwenden. Wenn bei wechselndem Hintergrund zur Erzielung einer ausreichenden Auffälligkeit eine Kombination zweier Farben notwendig ist, sind vorzugsweise Orange und Weiß, Rot und Weiß oder Schwarz und Weiß in fünf abwechselnden Streifen zu verwenden, der jeweils erste und letzte Streifen ist in der dunkleren Farbe auszuführen.
(1) Eine Namensmarkierung muss angebracht werden, wenn keine ausreichenden anderen optischen Erkennungsmöglichkeiten zur einwandfreien Identifikation des Krankenhaus-Hubschrauberflugplatzes vorhanden sind.
(2) Die Namensmarkierung ist so anzubringen, dass sie möglichst aus allen Winkeln oberhalb der Horizontalen sichtbar ist und hat aus dem zugewiesenen ICAO-Code des Krankenhaus-Hubschrauberflugplatzes zu bestehen. Die Buchstaben müssen eine Höhe von mindestens 1,2 m aufweisen. Die Farbe der Markierung muss sich vom Hintergrund abheben und vorzugsweise weiß sein.
(3) Eine Namensmarkierung bei Krankenhaus-Hubschrauberflugplätzen, die bei Nacht oder bei schlechten Sichtverhältnissen benutzt werden dürfen, muss ausreichend sichtbar sein.
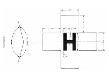
(1) Eine Erkennungsmarkierung muss innerhalb der Endanflug- und Startfläche und zwar in der Mitte der Endanflug- und Startfläche, ausgenommen in Verbindung mit Start- und Landepistenbezeichnungsmarkierungen, aufgebracht werden.
(2) Eine Erkennungsmarkierung ist in Form eines rotes H auf einem weißen Kreuz mit einer Kreuz-Kantenlänge von 3 m anzubringen. Das H hat eine Höhe von 3 m, eine Breite von 1,8 m und eine Strichstärke von 0,4 m aufzuweisen.
(3) Die Erkennungsmarkierung ist so auszurichten, dass der Querbalken des H rechtwinkelig zu den festgelegten An- und Abflugrichtungen liegt. Auf erhöhten Landeplätzen muss der Querbalken auf oder parallel zu der Halbierungslinie des hindernisfreien Sektors liegen. Wenn der erhöhte Landeplatz von mehr als zwei Seiten auf festgelegten An- und Abflugrichtungen angeflogen werden kann, so ist das H auf die bevorzugten An- und Abflugrichtungen auszulegen.

Hubschrauberlandeplatz-Erkennungsmarkierung in Verbindung mit einem Krankenhauskreuz
Anhänge
image001.jpgJPG(1) Es müssen Limitierungsmarkierungen hinsichtlich der zulässigen Größe des Referenzhubschraubers und der höchstzulässigen Abflugmasse aufgebracht werden.
(2) Diese Markierung ist innerhalb der Aufsetz- und Abhebefläche so anzubringen und auszurichten, dass sie aus der An- und Abflugrichtung bzw. bei mehr als zwei An- und Abflugrichtungen auf der bevorzugten Aufsetz- und Abhebefläche lesbar ist.
(3) Die Markierung der höchstzulässigen Abflugmasse muss aus einer ein-, zwei-, oder dreistelligen Zahl, gefolgt von dem Buchstaben „t“, welche auf eine Dezimalstelle in Verbindung mit einem Beistrich gerundet die höchstzulässige Abflugmasse auf 100 kg angibt, bestehen. Die Farbe der Markierung muss sich deutlich vom Untergrund abheben.
(4) Eine Markierung der Größe des Hubschraubers (D) ist innerhalb der Endanflug- und Startfläche in einer Farbe, die sich deutlich vom Untergrund abhebt, vorzugsweise in Weiß, als zweistellige, mathematisch gerundete Zahl, aufzubringen.
(1) Eine Zielpunktmarkierung ist vorzusehen, wenn der Hubschrauberpilot einen definierten Punkt anfliegen muss, bevor er in Richtung Aufsetz- und Abhebefläche fliegt. Wenn Hubschrauber am Zielpunkt aufsetzen oder abheben dürfen, muss die Aufsetzmarkierung die Zielpunktmarkierung einschließen.
(2) Eine Zielpunktmarkierung ist innerhalb einer Endanflug- und Startflächen anzubringen.
(3) Die Zielpunktmarkierung muss aus einem gleichseitigen Dreieck, dessen Winkelhalbierende nach der bevorzugten Anflugrichtung ausgerichtet ist, bestehen. Die Markierung muss aus einer durchgehenden weißen Linie mit einer Kantenlänge von 9 m und einer Strichstärke von 1 m bestehen.
(1) Eine Aufsetzflächenmarkierung ist dort vorzusehen, wo ein Hubschrauber in einer bestimmten Position aufsetzten muss.
(2) Eine Aufsetzmarkierung ist so anzubringen, dass alle Teile des Hubschraubers in einem sicheren Abstand von jeglichen Hindernissen sind. Zusätzlich muss die Markierung so angebracht werden, dass, wenn der Sitz des Piloten über der Markierung ist, das Hauptfahrwerk des Hubschraubers innerhalb der für die Landung vorgesehen Fläche der definierten Aufsetzfläche, welche eine für die Landung ausreichende Tragfähigkeit aufweist, ist.
(3) Auf erhöhten Landeplätzen muss der Mittelpunkt der Aufsetzmarkierung im geometrischen Mittelpunkt der Aufsetz- und Abhebefläche liegen.
(4) Eine Aufsetzmarkierung muss aus einem gelben Kreis mit einem Durchmesser von mindestens der halben Größe des Referenzhubschraubers bestehen sowie mit einer Linienstärke von mindestens 0,5 m versehen sein.
(1) Krankenhaus-Hubschrauberflugplätze sind mit Befeuerungen auszustatten, wenn diese bei Nacht oder Dunkelheit betrieben werden dürfen oder die örtlichen Gegebenheiten dies zur Wahrung der Sicherheit der Luftfahrt erfordern. Art und Ausführung der Befeuerung müssen dem Stand der Technik entsprechen.
(2) Eine Befeuerung/-Beleuchtung der Aufsetz- und Abhebefläche ist an Krankenhaus-Hubschrauberflugplätzen vorzusehen, die nachts benutzt werden. Diese haben aus einer Randbefeuerung und einer Flutlichtbeleuchtung zu bestehen. Die Flutlichtbeleuchtung ist so auszugestalten, dass die Oberflächenerkennbarkeit der Aufsetz- und Abhebefläche gewährleistet ist.
(3) Die Randbefeuerung ist in gleichmäßigen Abständen von nicht mehr als 3 m auf erhöhten Landeplätzen und von nicht mehr als 5 m auf Bodenlandeplätzen anzubringen. Es sind mindestens vier Feuer auf jeder Seite bei Bodenlandeplätzen und sechs Feuer bei erhöhten Landeplätzen anzubringen, inklusive eines Feuers an jeder Ecke. Bei einer kreisförmigen Fläche sind mindestens 14 Feuer anzubringen. Randfeuer sind als grüne Rundstrahlunterflurfeuer auszuführen .
(4) Die Flutlichtbeleuchtung ist so anzubringen, dass weder der Hubschrauberpilot im Flug noch auf der Fläche arbeitendes Personal geblendet werden. Die Flutlichtbeleuchtung ist so anzuordnen und auszurichten, dass möglichst wenige Schatten entstehen. Die Flutlichtbeleuchtung darf nicht innerhalb der FATO und nicht höher als 0,25 m sein.
(5) Lichtquellen in der Umgebung von Krankenhaus-Hubschrauberflugplätzen, welche nicht dem Zwecke der Luftfahrt dienen, sind von der zuständigen Behörde vor Erteilung der Bewilligung gemäß § 80b LFG hinsichtlich ihres möglichen Gefährdungspotentiales im Hinblick auf die Sicherheit der Luftfahrt zu beurteilen. Ein Krankenhaus-Hubschrauberflugplatz darf nur betrieben werden, wenn vom Zivilflugplatzhalter dafür Sorge getragen wird, dass die Sicherheit der Luftfahrt gefährdende Lichtquellen abgeschaltet, abgeschirmt, gedimmt oder dahingehend abgeändert werden, dass die Gefährdung für die Sicherheit der Luftfahrt beseitigt wird.
Die Bestimmungen der Zivilluftfahrt-Vorfall- und Notfall-Maßnahmen-Verordnung – ZNV, BGBl. II Nr. 318/2007 in der jeweils geltenden Fassung, sind anzuwenden. Weiters sind ausreichender vorbeugender Brandschutz sowie im Hinblick auf den Betriebsumfang geeignete Löschmittel und Löschsysteme vorzusehen.
Die nachfolgend genannten Daten und Informationen zu Krankenhaus-Hubschrauberflugplätzen sind von der zuständigen Behörde der Austro Control GmbH rechtzeitig vor Aufnahme des Betriebes zur Kundmachung in luftfahrtüblicher Weise gemäß § 172a LFG bereitzustellen:
1. Art des Krankenhaus-Hubschrauberflugplatzes,
2. Größe des Referenzhubschraubers und höchstzulässige Abflugmasse,
3. verfügbare Strecken,
4. An- und Abflugverfahren (§ 16 Abs. 6),
5. Hubschrauberlandeplatzbezugspunkt,
6. Hubschrauberlandeplatzbezugshöhe,
7. Aufsetz- und Abhebefläche (TLOF): Abmessungen aufgerundet zum nächsten vollen Meter, Neigung, Art der Oberfläche, Tragfähigkeit, abgerundet auf die nächsten 100 kg, in Tonnen (1 000 kg),
8. Endanflug- und Startfläche (FATO): Art der Endanflug- und Startfläche, rechtweisende Richtung bis auf ein Hundertstel Grad, Pistenbezeichnung, Länge, Breite bis auf den nächsten Meter, Neigung, Art der Oberfläche,
9. Sicherheitsfläche: Länge, Breite, Art der Oberfläche, Tragfähigkeit, abgerundet auf die nächsten 100 kg, in Tonnen (1 000 kg),
10. Hubschrauberrollbahn, Schwebeflugweg und Versetzweg: Bezeichnung, Breite, Art der Oberfläche,
(1) Der Betreiber des Krankenhaus-Hubschrauberlandeplatzes hat der zuständigen Behörde eine verantwortliche Person zu benennen, die dafür zu sorgen hat, dass der Krankenhaus-Hubschrauberlandeplatz während der Betriebszeiten ordnungsgemäß und der jeweiligen Bewilligung entsprechend sicher benützt werden kann (Betriebsbereitschaft). Die Betriebsbereitschaft ist täglich vor Betriebsbeginn, zumindest jedoch 12 Stunden vor jeder Benützung sowie bei Vorliegen besonderer Umstände, welche die Betriebsbereitschaft in Zweifel stellen, wie insbesondere bei Schneelage oder Eisglätte, zu überprüfen. Ist die Betriebsbereitschaft ganz oder teilweise nicht mehr gegeben, so ist diese unverzüglich durch entsprechende Maßnahmen, wie zum Beispiel Instandsetzen, Reinigen oder Sandstreuen, wiederherzustellen.
(2) Ist eine unverzügliche Wiederherstellung der Betriebsbereitschaft gemäß Abs. 1 nicht möglich, so hat die verantwortliche Person diesen Umstand ohne Verzögerung der Austro Control GmbH zur luftfahrtüblichen Kundmachung der Betriebseinschränkung sowie der zuständigen Behörde anzuzeigen.
(3) Der Betreiber der Hubschrauberlandefläche hat weiters vor Beantragung der Betriebsaufnahmebewilligung gemäß § 73 LFG eine Haftpflichtversicherung bis zu einem Höchstbetrag von 145 Millionen Euro nach Maßgabe des Betriebsumfanges abzuschließen und der zuständigen Behörde den Versicherungsnachweis vorzulegen.
(4) An einer von der Abstellfläche aus deutlich erkennbaren Stelle ist eine Informationstafel anzubringen, welche Angaben über den Betreiber der Hubschrauberlandefläche und die verantwortliche Person gemäß Abs. 1 enthält.
(5) Bei Bodenlandeplätzen müssen an geeigneten Stellen Warntafeln angebracht werden.
Soweit sich die in dieser Verordnung verwendeten Bezeichnungen auf natürliche Personen beziehen, gilt die gewählte Form für beide Geschlechter. Bei der Anwendung dieser Bezeichnungen auf bestimmte natürliche Personen ist die jeweils geschlechtsspezifische Form zu verwenden.
Diese Verordnung tritt mit 15. April 2017 in Kraft.
Die zum Zeitpunkt des Inkrafttretens dieser Verordnung gemäß § 80b LFG rechtskräftig erteilten Bewilligungen für Krankenhaus-Hubschrauberflugplätze bleiben unberührt. Wird nach dem Inkrafttreten dieser Verordnung eine Abänderung dieser Bewilligungen beantragt, sind die Bestimmungen dieser Verordnung im jeweils erforderlichen Umfang anzuwenden. Die zuständige Behörde kann jedoch von den Bestimmungen dieser Verordnung unter Berücksichtigung des jeweiligen Standes der Technik abweichen, wenn dies zur Wahrung der Verhältnismäßigkeit und Schonung erworbener Rechte erforderlich ist und dem Interesse der Sicherheit der Luftfahrt in einem vergleichbaren Ausmaß entsprochen wird sowie eine Risikobewertung im Sinne des § 1 Abs. 3 durchgeführt worden ist.
(Anm.: Anlage wurde als PDF dokumentiert)
Anhänge
Anlage Muster 1 und 2PDF6. Aufsetz- oder Abhebefläche (TLOF): eine tragfähige Fläche, auf der ein Hubschrauber aufsetzen oder von der ein Hubschrauber abheben kann,
7. Bodeneffekt: ein aerodynamisch bedingter zusätzlicher Auftrieb eines Hubschraubers, der bei einem Flug in Bodennähe entsteht; die Flughöhe ist hierbei gleich oder kleiner dem Durchmesser des Hauptrotors (1,0 Rotordurchmesser),
8. Brechbarkeit: ein Merkmal eines Objektes, durch das es seine strukturelle Unversehrtheit und Steifigkeit bis zur gewünschten Belastungsgrenze beibehält, aber beim Auftreffen einer größeren Last so bricht, sich verformt oder nachgibt, dass sich für Luftfahrzeuge die geringste Gefahr ergibt,
9. Endanflug- und Startfläche (FATO): eine definierte Fläche, über der das Endanflugverfahren zum Schweben oder Landen beendet wird und von der das Startverfahren begonnen wird; im Falle des Betriebes in Flugleistungsklasse 1 umfasst die definierte Fläche die verfügbare Startabbruchfläche,
10. Referenzhubschrauber: das für die Benützung des jeweiligen Krankenhaus-Hubschrauberflugplatzes vorgesehene größte Hubschrauberbaumuster,
11. Größe des Hubschraubers (D): jene beim Referenzhubschrauber gemessene Distanz, beginnend beim vordersten Punkt des drehenden Hauptrotors bis zum hintersten Punkt des drehenden Heckrotors oder der Hubschrauberstruktur, wenn die drehenden Rotoren davon umfassend sind,
12. Betrieb in der Flugleistungsklasse 1: ein Betrieb, bei dem der Hubschrauber bei Ausfall des kritischen Triebwerks innerhalb der verfügbaren Startabbruchstrecke landen oder den Flug zu einem geeigneten Landebereich sicher fortsetzen kann, je nachdem, wann der Ausfall eintritt,
13. Betrieb in der Flugleistungsklasse 2: ein Betrieb, bei dem im Falle eines Ausfalls des kritischen Triebwerks genügend Leistung vorhanden ist, die es dem Hubschrauber erlaubt, den Flug sicher fortzusetzen, sofern der Ausfall nicht zu einem frühen Zeitpunkt während des Starts oder einem späten Zeitpunkt der Landung eintritt, in welchem Fall eine Notlandung erforderlich sein kann,
14. Hindernis: alle festen (temporär oder ständig vorhandenen) und alle beweglichen Objekte oder Teile davon, die sich auf einer für die Bodenbewegungen von Luftfahrzeugen bestimmten Fläche befinden oder über eine festgelegte Fläche hinausragen, die zum Schutze von Luftfahrzeugen im Fluge vorgesehen ist,
15. Hubschrauberabstellfläche: eine Luftfahrzeugabstellfläche, die für das Abstellen und bei beabsichtigtem Schwebeflugbetrieb für das Aufsetzen und Abheben eines Hubschraubers vorgesehen ist,
16. Rotorabwind: die vertikal durch den drehenden Rotor beschleunigte Luftmasse, die abhängig von Rotordurchmesser, -drehzahl und Anstellwinkel der Rotorblätter ist,
17. Sicherheitsfläche: eine auf einem Hubschrauberlandeplatz vorgesehene Fläche, welche die Endanflug- und Startfläche umgibt und frei von Hindernissen ist, außer solchen Anlagen, die für die Navigation erforderlich sind und die dazu dienen, das Risiko, dass ein Hubschrauber durch unbeabsichtigtes Abweichen von der Endanflug- und Startfläche zu Schaden kommt, zu reduzieren,
18. Rückwärtsstartverfahren: die Erreichung der Entscheidungshöhe für den Start (Startentscheidungspunkt – TDP) durch Rückwärtssteigflug, sodass vor Erreichung der Entscheidungshöhe auf der jeweiligen Landefläche retour gelandet werden kann sowie bei Erreichung der Entscheidungshöhe ein Start durch Einleitung eines angemessenen Sinkfluges durchgeführt werden kann,
19. Hindernisbegrenzungsfläche: jene festgelegten Flächen, welche durch Objekte (zB Gebäudeteile, Bäume, Seil- oder Drahtverspannungen udgl.) nicht durchragt werden sollen, um einen gefahrlosen Betrieb sicherzustellen,
20. zuständige Behörde: die für die Erteilung der Zivilflugplatz-Bewilligung zuständige Behörde (§ 68 Abs. 2 LFG),
21. Bodenlandeplatz: ein Krankenhaus-Hubschrauberflugplatz, der sich auf festem Boden befindet,
22. erhöhter Landeplatz: ein Krankenhaus-Hubschrauberflugplatz, dessen Endanflug- und Startfläche sich auf einem künstlichen Unterbau oder auf einer sonstigen Fläche, mindestens 3 m erhöht vom Erdboden, befindet.

Anhänge
image001.jpgJPG11. Vorfeld: Art der Oberfläche,
12. Hubschrauberabstellplätze: Länge, Breite, Art der Oberfläche, Tragfähigkeit, abgerundet auf die nächsten 100 kg, in Tonnen (1 000 kg),
13. allenfalls vorhandene Freifläche: Länge, Bodenprofil,
14. optische Hilfen für Anflugverfahren, Markierung und Befeuerung von FATO, TLOF, Rollbahnen, Schwebeflugwege, Versetzwege und Vorfeldern,
15. Hindernisbegrenzungsflächen,
16. Hindernisse in der Umgebung, welche die Hindernisbegrenzungsflächen durchragen oder aus flugbetrieblicher Sicht von Relevanz sind,
17. festgelegte Rettungs- und Feuerlöschgerätschaften und Dienste,
18. Betriebszeiten sowie
19. Name und Telefonnummer der verantwortlichen Person gemäß § 26 Abs. 1.